New Owner of a YM165

   / New Owner of a YM165 #61  
Hoye states not more than 25% antifreeze. Page out of the 155 manual, I believe it would also apply to your 165.
 

Attachments

  • 2018-05-05-020410.jpg
    2018-05-05-020410.jpg
    639.5 KB · Views: 134
   / New Owner of a YM165 #62  
What is a normal operating temperature for a YM165? I finally got the new radiator installed, as well as new hoses and a temperature gauge. While letting the tractor run and checking for leaks and what not, the temperature gauge read 235. That seems pretty high. I put in a roughly 70% water, 30% coolant mixture. I am letting the tractor cool off now and will go back later to verify that the coolant is at the correct fill level now that it has circulated.

Thanks.

That seems hot to me. My YM165D normally ran between 180 and 210 degrees when not working hard. I had installed a degree gauge as well having the warning light. I never saw the warning light come on except once when I was working in a ditch with the nose of the tractor at a rather steep angle downhill. The warning light came on just when the radiator cap let loose with a shriek! Loud and startling!! Steam everywhere! I backed out and it cooled down inside of half a minute.

The operating temperature varyied & seemed to depend quite a bit on if I was going uphill or down. It also depended on how long it had been since I had cleaned the radiator and also whether or not I had the screen installed in front of the radiator. I usually ran without the screen. To clean a radiator, use a LOW PRESSURE garden hose and play it on the backside of the radiator to force the dirt out the front. A squirt of dish soap helped, but be careful not to use a brush or to brush it hard.

Thermosiphon cooling systems are all about how efficiently they can exchange heat with the air. I believe that the OEM radiators had a high copper content and so were more efficient at exchanging heat with the air.

I always used distilled water, and the old fashioned basic green antifreeze - ethylene glycol - in a 50/50 mix. Yanmar preferred 60 water/ 40 antifreeze in their shop notes. You want enough antifreeze to protect from freezing of course, but anitfreeze is not as good a heat exchange fluid as pure water. That's why you limit the amount of antifreeze. You can try pure 100% water just to see if it makes a difference. Or check the gauge by putting the sender into a pan of boiling water.

Good luck, don't forget to check it again before winter.
There isn't any difference in the YM155 & 165 that I ever found...
rScotty
 
   / New Owner of a YM165 #63  
gioacchino, I have a question for you. Just curious. Did your new radiator have the same amount of rows of tubes as the old one? You can look inside through the cap to see.
 
   / New Owner of a YM165
  • Thread Starter
#64  
That seems hot to me. My YM165D normally ran between 180 and 210 degrees when not working hard. I had installed a degree gauge as well having the warning light. I never saw the warning light come on except once when I was working in a ditch with the nose of the tractor at a rather steep angle downhill. The warning light came on just when the radiator cap let loose with a shriek! Loud and startling!! Steam everywhere! I backed out and it cooled down inside of half a minute.

The operating temperature varyied & seemed to depend quite a bit on if I was going uphill or down. It also depended on how long it had been since I had cleaned the radiator and also whether or not I had the screen installed in front of the radiator. I usually ran without the screen. To clean a radiator, use a LOW PRESSURE garden hose and play it on the backside of the radiator to force the dirt out the front. A squirt of dish soap helped, but be careful not to use a brush or to brush it hard.

Thermosiphon cooling systems are all about how efficiently they can exchange heat with the air. I believe that the OEM radiators had a high copper content and so were more efficient at exchanging heat with the air.

I always used distilled water, and the old fashioned basic green antifreeze - ethylene glycol - in a 50/50 mix. Yanmar preferred 60 water/ 40 antifreeze in their shop notes. You want enough antifreeze to protect from freezing of course, but anitfreeze is not as good a heat exchange fluid as pure water. That's why you limit the amount of antifreeze. You can try pure 100% water just to see if it makes a difference. Or check the gauge by putting the sender into a pan of boiling water.

Good luck, don't forget to check it again before winter.
There isn't any difference in the YM155 & 165 that I ever found...
rScotty

Thanks for the info. I think tomorrow I will drain the coolant and replace with something like an 80/20 mixture and see how that works.

gioacchino, I have a question for you. Just curious. Did your new radiator have the same amount of rows of tubes as the old one? You can look inside through the cap to see.

I’m not home at the moment to check, but I can tell you that the new radiator is thinner than the old one. Also, the new radiator is copper construction. The old radiator is brass.
 
   / New Owner of a YM165 #65  
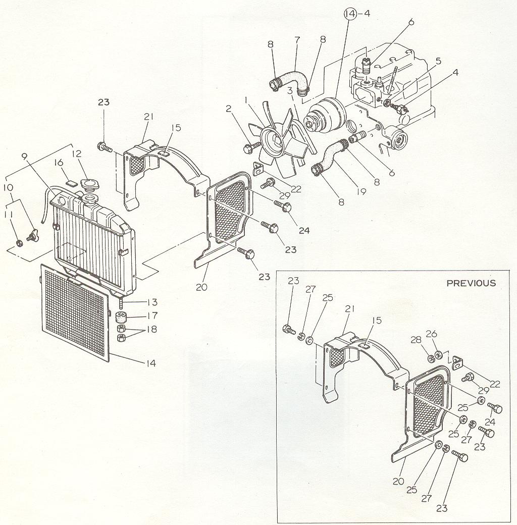
A little more information on the YM165D and thermosiphon cooling. Here are some old tech bulletins.

Yanmar wants the antifreeze to be pre-mixed with the soft or distilled water. That makes sense.

The radiator shroud and sides (items 20 & 21) are shaped to funnel the cooling air through the radiator fins, so they need to be there and fit well. Some early models even used strips of foam to seal between the radiator and the side mounts so that air had to go through the fins.

Lastly, here is a bulletin showing how percentage of antifreeze affects freezing and boiling. Not mentioned is how heat transfer changes with water/antifreeze proportion. Also, at the time of the bulletin all antifreeze was ethylene glycol. Today antifreeze can be several different chemicals. I'd stay with the old style green ethylene glycol.
rScotty
 

Attachments

  • antifreeze proportions.jpg
    antifreeze proportions.jpg
    253.8 KB · Views: 166
  • exploded diagram of cooling system.jpg
    exploded diagram of cooling system.jpg
    142.1 KB · Views: 151
  • Premixing antifreeze.jpg
    Premixing antifreeze.jpg
    171.6 KB · Views: 141
Last edited:
   / New Owner of a YM165 #66  
Can you tell a difference in the old and new radiator cooling? Again just curious.
 
   / New Owner of a YM165
  • Thread Starter
#67  
A little more information on the YM165D and thermosiphon cooling. Here are some old tech bulletins.

Yanmar wants the antifreeze to be pre-mixed with the soft or distilled water. That makes sense.

The radiator shroud and sides (items 20 & 21) are shaped to funnel the cooling air through the radiator fins, so they need to be there and fit well. Some early models even used strips of foam to seal between the radiator and the side mounts so that air had to go through the fins.

Lastly, here is a bulletin showing how percentage of antifreeze affects freezing and boiling. Not mentioned is how heat transfer changes wit proportion. Also, at the time of the bulletin all antifreeze was ethylene glycol. Today it is different.
rScotty

Thank you for the images! Very helpful! Hopefully the weather cooperates tomorrow and I can tinker around with the cooling system some more.

Can you tell a difference in the old and new radiator cooling? Again just curious.

I did not have a temperature gauge installed with the old radiator so I’m not sure on that one.
 
   / New Owner of a YM165
  • Thread Starter
#68  
Update:
Verified that no leaks had appeared since the last time the tractor had ran. Drained the radiator of the 70/30 coolant mixture and replaced with an approximately 85/15 mixture.

Operated the tractor for maybe an hour or so before a batch of storms rolled in. Temperature spiked at around 235 once again, but only for a brief time and then went down to around 200 or so. The highest it ever got again was maybe 210-220 and that was during a high idle with me using the backhoe.

Overall, pretty happy with it. Started my first round of projects with it. Graded a little dirt in the barn, dug up a large “century plant”, dug up a small tree, and dug up a medium sized rock in the yard. Gotta love the little puffs of black smoke it will put out. Lol
 
   / New Owner of a YM165
  • Thread Starter
#69  
I said I’d post some pics of how the backhoe is attached, finally got around to taking a few pictures:

7793FA52-F85A-462D-B10D-1C52C252C07E.jpeg
1C6AEEDC-D111-4172-A1BA-69CA825802F8.jpeg
D89333B0-02FF-454D-BDBE-F33D1D35F57A.jpeg
 
   / New Owner of a YM165 #70  
Anything over 190* is "hot". A temp light would have come on at 230*. I would "back-flush" the cooling system, or even do as Winston suggested, repair and re-install the original radiator.
.
 

Tractor & Equipment Auctions

CAT 336E (A58214)
CAT 336E (A58214)
2019 KENWORTH T680 TANDEM AXLE SLEEPER (A59575)
2019 KENWORTH T680...
Sedan (A59231)
Sedan (A59231)
2021 Polaris Ranger Electric Utility Bed UTV (A56859)
2021 Polaris...
Upright Metal Tool Box (A57454)
Upright Metal Tool...
Bolt Cutters (A57454)
Bolt Cutters (A57454)
 
Top