Need help with 50 hr. service

/ Need help with 50 hr. service #1  

wxboy

Bronze Member
Joined
Feb 11, 2006
Messages
85
Location
Western MA
Tractor
JD 2305
Well things were going smoothly with my 2305 service until I got to the part where you have to take off the transmission suction screen. I can't get it out. Anyone else been through this and have any suggestions? I can't get the suction hose off of the suction screen cover. Then even if I do get the hose off I'm not sure if I have to pry off the suction screen cover or try to pull it straight off because it seems like it's on there pretty good.

Hopefully someone else has done this and can be of some help.
 
/ Need help with 50 hr. service #2  
I just finished changing my hydraulic oil and filter and cleaning the screen. I learned one thing. I'll never try to do it myself again. I am assuming that you have removed the rear wheel for access. The screen cover does pull straight out. The o-rings are what make the fit so tight. I used a small, thin putty knife blade to get under the edge of the cover and loosen it a bit. Trying to remove the hose connector between the cover and the tubing was the hardest part. This will be a dealer service for me from now on. By the way, I had quite a lot of metal shavings stuck in the screen and on the magnets.
 
Last edited:
/ Need help with 50 hr. service
  • Thread Starter
#3  
I was thinking the same thing. I'll never do it again. So how did you get the hose off? I try to push it up but it is bumping on something above the hose so it has no where to go. And no I did not take the tire off but I can't see that it would help me with the hose. It would give me easier access but right now I just don't see how I can raise the hose up high enough to come off of the screen housing.
 
/ Need help with 50 hr. service #4  
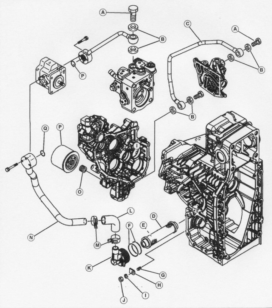
Hi,
If you remove the wheel and the tube marked "N", it's not too bad. There are three small bolts that hold the top on. Be carefull you don't lose the O-ring.
 

Attachments

  • JD Filter.JPG
    JD Filter.JPG
    195.9 KB · Views: 463
/ Need help with 50 hr. service
  • Thread Starter
#5  
Thanks davkir. I took the tire off and tomorrow night I'll try your suggestion. Thanks for the diagram.
 
/ Need help with 50 hr. service #6  
wx,

No need to remove a wheel, but DO loosen and remove the three bolts inside the wheelwell for the upper suction tube. The manual says nothing of this, but trust me, you don't want to do this service with the suction tube attached. :)
 
/ Need help with 50 hr. service #7  
I did it on my 2210 (same as 2305), and I did it without removing the hose, but it was kinda hard to do. Its possible, and just takes some time.
 
/ Need help with 50 hr. service #8  
Good information I'll need to remember when my time comes... The people on this forum are very helpful!
 
/ Need help with 50 hr. service
  • Thread Starter
#9  
Thanks everyone for your help. The service is complete and I couldn't have done it without your tips. Once I took the tire off and removed the upper suction tube things got a whole lot easier. I was pretty frustrated up until this point.

I'm not very handy when it comes to fixing things or maintaining things so completing this service made me feel pretty good. Also I got to learn more about the tractor which is always a good thing.

One thing I learned was not to put in the amount of fluid that the manual tells you and then check the fluid level. I overfilled the engine oil so by the time I got to the tranny I didn't make that mistake again. Both times it took less than the listed capacity. Probably about 3.3 qts of oil and 3.1 or 3.2 gallons of hydo fluid.
 
/ Need help with 50 hr. service #10  
wx,

Since you did take the wheel off (you didn't have to), make sure you pay attention to the torque of the lug nuts and check and recheck them every use until you're sure they're good and seated.
 
 
Top