Milky Hydraulic Fluid!!

   / Milky Hydraulic Fluid!! #11  
90-91% is easy to find at drug stores.

70% will work.. but will carry less water as it is already carrying water.

the 95% would be fine.

I don't have a store near me that sells it. 90-91 is the best i can find locally.. so it's what I usually reccomend.

the atf-alcohol-diesel is a darn good rinse for wet sumps.. been using it years...
 
   / Milky Hydraulic Fluid!! #12  
Just a tip Fishman

A few years ago, I had a client that had reoccurring milky hyd and he kept changing with new oil to no avail

He ended up having a clogged suction filter/strainer which put an extra strain/vacuum on his shaft seal on the main hyd pump......the result was air entrainment (foamy oil)

the way we found it was we put a good sized sample of the milky oil in a clear jar and all the air separated on it's own in a few days crystal clear....if it had been water it would have water in the bottom of the jar

The fix was new suction filter, reseal the hyd pump and all is well

Not saying your problem is air entrainment but something to watch for on these Japanese Fords
 
   / Milky Hydraulic Fluid!!
  • Thread Starter
#13  
Thanks I will check for air. I'm waiting until it warms up a bit before I work on it again.
 
   / Milky Hydraulic Fluid!! #14  
Also check the breather on the hyd reservoir. If it's plugged the moisture has no place to escape when oil & water gets up to operating temp.
 
   / Milky Hydraulic Fluid!!
  • Thread Starter
#15  
Ok Tx Jim, I wonder where that is located?? I will see if I can find that..
 
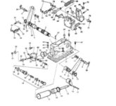
   / Milky Hydraulic Fluid!! #16  

Attachments

  • Capture.JPG
    Capture.JPG
    20.4 KB · Views: 291
   / Milky Hydraulic Fluid!!
  • Thread Starter
#17  
Tx Jim,

Can you send me this Attachment to my email so I can make it larger?? Its so small I cannot read it..
Please send it to.
 
Last edited by a moderator:

Tractor & Equipment Auctions

UNUSED LANDHONOR LHR-BLC9021 TOOL STOOL (A54757)
UNUSED LANDHONOR...
Informational Lot - Shipping (A55302)
Informational Lot...
JOHN DEERE 4066R (A53084)
JOHN DEERE 4066R...
2017 Caterpillar 326FL Hydraulic Excavator (A55787)
2017 Caterpillar...
2015 Ford F-550 Ext. Cab Enclosed Service Truck with Liftgate (A55788)
2015 Ford F-550...
UNUSED WOLVERINE PT-16-01C 3P QUICK ATTACH (A54757)
UNUSED WOLVERINE...
 
Top