LOOKING FOR CASE 530 HYDRAULIC PUMP FILTER CAP

/ LOOKING FOR CASE 530 HYDRAULIC PUMP FILTER CAP #1  

southernbound

Bronze Member
Joined
Jun 5, 2016
Messages
50
Location
New Jersey
Tractor
D530TC
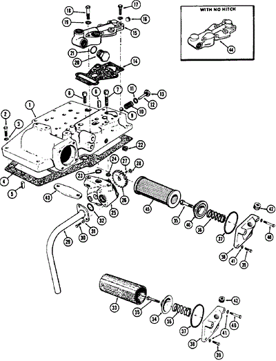
Hi- does anyone know where to find this. I'm having no luck on ebay. The cap has G1353 stamped on it. I need the retainer for the filter as well. When I pulled this cover off to replace the filter I found it had none..ughh. I hate that. Its a cheap filter. Anyways the cover was broke and all the pieces that hold the filter in were missing. Any help is appreciated.

Case D530 tc CK
 

Attachments

  • CAP.jpg
    CAP.jpg
    122.9 KB · Views: 457
  • CAP 2.jpg
    CAP 2.jpg
    65.2 KB · Views: 397
  • cap3.gif
    cap3.gif
    23.1 KB · Views: 916
Last edited:
/ LOOKING FOR CASE 530 HYDRAULIC PUMP FILTER CAP
  • Thread Starter
#2  
Can anyone also point me in the right direction as to why there are 2 diff pump assemblies? I'm guessing diesel or gas or Torque conv vs no TC
 
/ LOOKING FOR CASE 530 HYDRAULIC PUMP FILTER CAP
  • Thread Starter
#4  
lol..your my hero..and I thought I was pretty good at finding stuff on the web..
 
/ LOOKING FOR CASE 530 HYDRAULIC PUMP FILTER CAP
  • Thread Starter
#5  
Apparently I'm only good at finding old chevy truck parts..lol..I'll def bookmark that site..They got it all. thanks again!!
 
/ LOOKING FOR CASE 530 HYDRAULIC PUMP FILTER CAP
  • Thread Starter
#6  
Pls excuse my stupidity..How exactly did you find that?? I've tried searching tractorhouse even after you put the link up, but I still cant find it..
 
/ LOOKING FOR CASE 530 HYDRAULIC PUMP FILTER CAP #7  
Sorry it took so long to reply, it's been a busy day.

Scroll down the TractorHouse home page to the 3rd block where it says " Farm Equipment Attachments, Components, Dismantled Machines & Parts Search" Then type your part number in the search block, at top right.

You did the hard part, finding, and posting the part number. I just copied, and pasted to that block, and there they were. If you ever need a large component, you can look under dismantled machines, and possibly find a tractor model like yours in a salvage yard.

Part numbers are they key to finding parts. I have the best results with Google. For bearings and seals, I usually cross through NAPA's online site which shows the actual bearing/seal number, then search for the actual bearing/seal number for the best buy.
 
/ LOOKING FOR CASE 530 HYDRAULIC PUMP FILTER CAP
  • Thread Starter
#8  
Thx- That sites a little hard to navigate. Will def be needed i the future.
 

Marketplace Items

2024 Kubota L47 T.L.B. 94HRS FOR SALE loaded w/options & $17K off new at $63,900!
2024 Kubota L47...
Unused 2026 Schulte SMR-800 Hydraulic Multi-Rake Skid Steer Attachment (A66734)
Unused 2026...
UNUSED SDLANCH SDL2030GT-20' X 30' PREMIUM HEAVY (A64281)
UNUSED SDLANCH...
1995 TIGERCAT 726 FELLER BUNCHER (A65056)
1995 TIGERCAT 726...
2016 WIRTGEN W150CFI MILLING MACHINE (A65056)
2016 WIRTGEN...
2015 CHEVROLET SILVERADO 1500 (INOPERABLE) (A67714)
2015 CHEVROLET...
 
Top