KIOTI DK 45 SE HST Stopped while running - won't re-start

   / KIOTI DK 45 SE HST Stopped while running - won't re-start
  • Thread Starter
#31  
Bob
I would be very careful that you don't make things worse
I sound like a broken record but try to find a buddy with trailer and get a lift to the dealer and let them sort out
Would hate for you to end up with a dash fire or the like
Please keep posting and these guys will be relentless in trying to help but be careful you don't make matters worse
Call Rick Wallace at Wallace tractor he might have some experiences that can help he's a great guy
Good luck bob

Joel

Good advice Joel - I sure would not do anything without the agreement of my dealer and his assurance that the warranty would not be in jeapardy.

Bob,
Which fuse is this? Were is it located? I have had to troubleshoot a couple blow fuse issues since getting my tractor. Each time it been some type of circuit short issue. I have a service manual now so I can take a look at the circuit diagram.

Thanks so much kattywumpus

I too have a Service Manual but I am really inexperienced in tracking down electrical stuff. I may be able to follow it if you can lead me.

Last night, when the fuse snapped, I first looked at the 10 amp Engine Stop fuse because that was the culprit last summer. It was blown and I replaced it a few times hoping I could just get the tractor started and out of the way of our cabin entrance. No luck.

After my friend towed me away form the cabin and was able to get me just inside the barn door, I tried one more time. This time I don't think I even hear the first loud click of the fuel solenoid so, I packed it in for the night.

This morning I spoke with the mechanic at my dealer's shop and, on his suggestion, I checked the 25 Amp Engine Stop Solenoid fuse - it had blown but the last 10 Amp Engine Stop fuse I put in last night appeared to be OK.

I replaced the 25 Amp fuse and tried to start the tractor but it was just too cold (you may have seen on another thread I am having trouble with my lower rad hose heater as well).

I did notice the loud click of of the solenoid when I turned the key to the glow plug position and, unlike last evening, I did not hear the snap of the 10 Amp fuse blowing - hopefully a good sign.

With some luck this may mean I could start the tractor (once the heat lamps do there jobs), remove the snowblower and be positioned for the dealer to winch it onto his trailer next week and take it to the shop.

Unfortunately, I understand the KIOTI warranty apparently only covers repairs etc once the tractor is at the dealer's door - no haulage fees are part of this. Not sure how the dealer will handle this as he is away this week and I have been talking with his mechanic.

I kinda feel between the proverbial rock and hard place because the tractor isn't much good if it doesn't run reliably. I am grateful I wasn't at the end of my laneway or partly on the road last night when the fuse blew.

The saga continues and any advise or suggestions are appreciated.

Bob
 
   / KIOTI DK 45 SE HST Stopped while running - won't re-start #32  
The saga continues and any advise or suggestions are appreciated.

Be patient. I am 100 percent confident that this is a small glitch and not indicative of what the future holds for you as far as the tractor is concerned. Fortunately it is some kind of electrical thing and not a major meltdown of the engine or anything. No loud bang before it quit, eh?!
 
   / KIOTI DK 45 SE HST Stopped while running - won't re-start #34  
Bob,
The first thing you need do is get a tool to toubleshoot this safety. You will want an inexpense Multimeter. A analog or digital one will work, but I recommend a digital one since they are easier to use. Make sure it can read both DC voltage and Ohm. Most meter will show the ohm symbol not the printed word. You can find the ohm symbol here: http://en.wikipedia.org/wiki/Ohm_(unit). Note you do Not need understand the math or all detail related to ohm.

Here some links to multiple meters at walmart & lowes.
Walmart.com: Equus 3300 Hands free Digital Multimeter: Automotive
Shop meter at Lowes.com
Shop meter at Lowes.com
Shop Amprobe DM7C Digital Multimeter at Lowes.com

Next after getting your meter search youtube using "Multimeter", you will find many training videos. There are two key things you want to focus on, using the meter to read voltage and continuity tests.

Stick to learning to read DC voltage. Use your meter to read the voltage of some AA, C, or D batterys first for practice. Next the 12 volt battery in the tractor just make sure the meter is set to read DC voltage. Stay away from the house outlets!!!

The continuity tests use the Ohm meter setting and is used to verify an electrical current can make it from point A to point B. When preforming continuity tests always disconnect all electrical power. So for the tractor that means disconnecting the battery.

Using the meter to read voltage and preform continuity tests is really easily, you just need a little practice. Once you understand how to preform these two task you will be really to troubleshoot the tractor issue.
 
   / KIOTI DK 45 SE HST Stopped while running - won't re-start
  • Thread Starter
#35  
Bob,
The first thing you need do is get a tool to toubleshoot this safety. You will want an inexpensive Multimeter. ...

Using the meter to read voltage and preform continuity tests is really easily, you just need a little practice. Once you understand how to preform these two task you will be really to troubleshoot the tractor issue.

OK - got two of these, both are digital
One has an OHM scale down to 200 and NO BEEP for continuity
The other has an OHM scale down to 2000 and does have a BEEP for continuity as well.

I feel OK measuring DC current

What's next?

and Thanks for this.

Bob
 
   / KIOTI DK 45 SE HST Stopped while running - won't re-start #36  
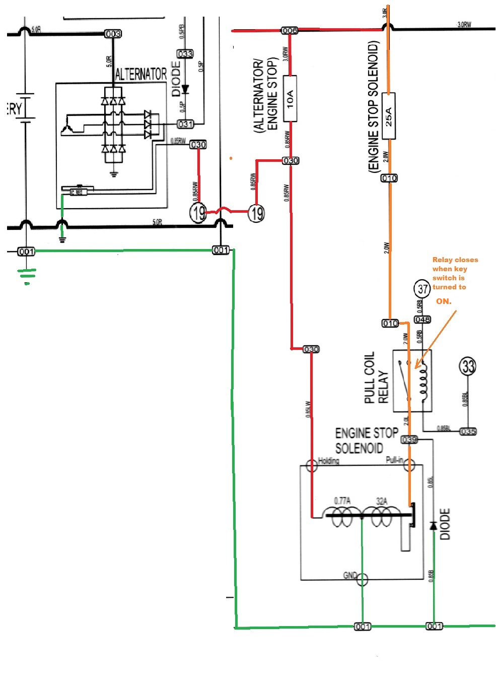
Thanks for waiting, I'm been very busy fixing other issues. Either meter should work. Keep in mind DC current and voltage are two different things. You want measure voltage with these meters you have. I do not think these meters can handle the current/AMPs the tractor electrical system can output. Also the service manual electrical section has a lot of good information on troubleshooting. I only looked at the circuit diagram before, I reviewed the section Sunday and was impressed by all good troubleshooting processes in the electrical section.

Lucky it appears the Engine Stop Solenoid circuit is not too complex. I create and attached simplified diagram. Please verify I have the correct fuses.

I think the first thing I would test the engine stop solenoid and then verify there is no shorts in the wiring between the solenoid and the fuses.

Page 11-63 show the check process for the Engine Stop solenoid. Pull the 10 and 25 amp fuse for this circuit. I would use a hairdryer or heatgun on low to warm up the plastic connector on the solenoid to avoid breaking the connector when you disconnect it. Look for water or ice when you disconnect it as this maybe the problem. Page 11-3 show were the solenoid is located.

Set you meter to OHM and the lowest setting. Plug the black test lead in the "COM" port on the meter and the red lead in the port for OHM. Each meter is different, but normal it's the "+" or voltage port. First check the meter with the test leads not touching each other, the meter should show the number "1" to the far left. This indicate infinite resistance or no current from the meter can flow between the test leads. Next connect or touch the test leads together you should get a reading of zero or very low number. If these test work the meter is ready to test the solenoid.

If I'm interpreting the check process correctly by touch the black test lead to a ground (the engine block or metal side of the solenoid) and the red test lead to pin 67 on the solenoid connector the meter should read 28 ohm. Keep on mind if when you connected both test leads together the meter if it displayed 2 ohm then correct resistance for pin 67 is 2+28=30 ohm. So add the test leads ohm value to solenoid ohm value documented in the manual to get the correct value the meter should display. If the meter shows the same ohms when the leads were connected together most likely the coil in the solenoid is shorted. The 68 pin resistance is a shorted circuit reading since the resistance is so low. So it's ohm reading should be near the reading you receive when connecting the two test leads together. I recommend drawing diagram of the connector and record on it the ohm reading between the pins and the ground. I would also take ohm reading between the pins and note reading on the diagram. This information might be helpful later.

This is all I can do for tonight.
 

Attachments

  • Engine Stop Solenoid Circuit.jpg
    Engine Stop Solenoid Circuit.jpg
    161.9 KB · Views: 2,195
Last edited:
   / KIOTI DK 45 SE HST Stopped while running - won't re-start
  • Thread Starter
#37  
kattywumpus
Thank you so much for your detailed explanation. I do own you an apology however because yesterday, when I spoke with the dealer's mechanic, he insisted that they come and pick up my tractor, take it to their heated shop and fix this recurring electrical issue (which he has seen once before on a DK45), along with two or three other minor things that have been identified.

I was too busy yesterday afternoon and evening to post this update on here and now I see you have done a great deal of work on my behalf. Based on my perception of your level of mechanical expertise, I am not sure I would be able to return the favor but I would welcome the opportunity should it arise.

I have learned from your detailed and straightforward explanation of what to do and I will hopefully be better able to troubleshoot the next time. Hopefully you can take some satisfaction in knowing your efforts were not entirely wasted.

Once I get the details from the dealer's shop on what was done to "fix" this I will post them.

Cheers
Bob
 
   / KIOTI DK 45 SE HST Stopped while running - won't re-start #38  
Thank Bob,
No problem, it gave me the opportunity to fully review the electrical section of the Kioti service manual. I must say I was very impressed by the detail in this section, I wish the other sections were that good. An interesting note, it occurred to me yesterday that electrical issues with my DK40 stopped after I started storing it in the new tractor shelter in November. Makes me wonder if the DK series has problems with water intrusion. It will be interesting to learn what the dealer finds, it might help me to prevent future issues with my tractor.
 
   / KIOTI DK 45 SE HST Stopped while running - won't re-start #39  
The SE Series tractors have fault reading test ports similar to a car. Your dealer can plug into the test ports and check for faults.

Would save you a lot of time to have the dealer take a fault reading on the tractor. It would either pinpoint the problem, or eliminate the devises that could be at fault.
 
   / KIOTI DK 45 SE HST Stopped while running - won't re-start #40  
The SE Series tractors have fault reading test ports similar to a car. Your dealer can plug into the test ports and check for faults.

Would save you a lot of time to have the dealer take a fault reading on the tractor. It would either pinpoint the problem, or eliminate the devises that could be at fault.

Yep, notice that. But the $450 transport cost is the killer for me.
 

Tractor & Equipment Auctions

NEW HOLLAND TRACTOR (A58375)
NEW HOLLAND...
2017 Ford Transit 350 Passenger Van (A55973)
2017 Ford Transit...
2014 Ford F-350 (A55973)
2014 Ford F-350...
2021 Husqvarna YTH18542 42in Riding Mower (A56859)
2021 Husqvarna...
2014 Ford Taurus Sedan (A56859)
2014 Ford Taurus...
2020 CATERPILLAR D5 LGP HIGH TRACK CRAWLER DOZER (A52709)
2020 CATERPILLAR...
 
Top