John Deere 750 unequal turning radius

/ John Deere 750 unequal turning radius #1  

syxxty

New member
Joined
Jul 15, 2010
Messages
5
Tractor
John Deere 750; Deutz 5506
I just bought a 1985 John Deere 750 (4 wheel drive with loader). This model came with power steering because of the loader and I just noticed that it doesn't make left turns as sharp as right turns. The difference is very significant and must be fixed. It was dark last night when I got it home so I didn't get to see if the ram on the steering cylinder has full travel but I thought I would post on here to see if this is a common issue and if there are any suggestions. This occurs in both 2 and 4 wheel drive. Thanks in advance.
 
/ John Deere 750 unequal turning radius #2  
I don't have one in the yard to check my theroy but I believe that they had a rod that came to the front from the gear box.

Adjusting that rod will change your steering amounts. It could be bent of someone changed out the end and didn't center in the original position.
 
/ John Deere 750 unequal turning radius #3  
To syxxty
If you jack up the front end on proper supports you can check the steering angles with out going anywhere. As suggested by art the steering is probably not centered.
Craig Clayton
 
/ John Deere 750 unequal turning radius #4  
Welcome to TBN:D


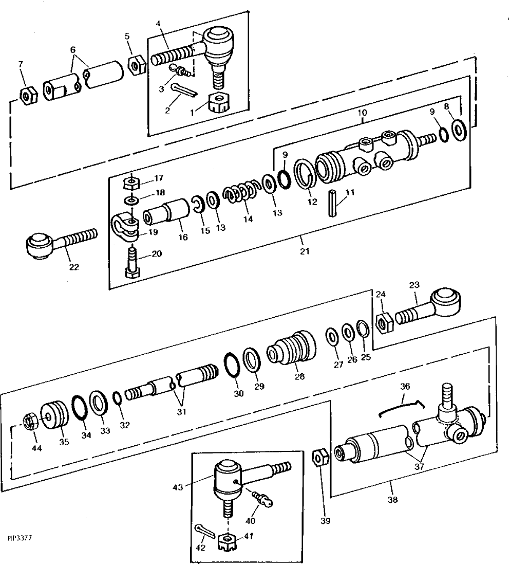
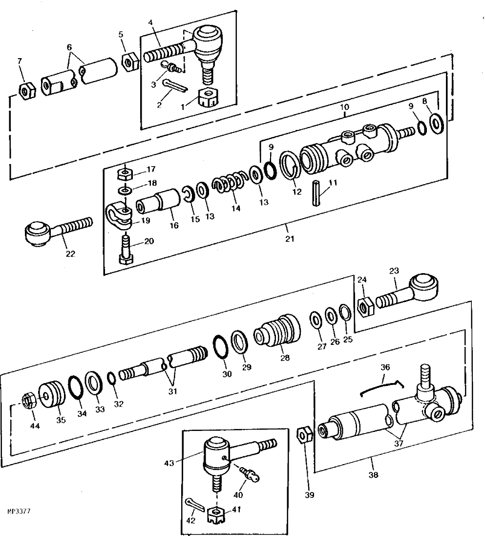
It is certainly not normal...As you can see from the picture below, there are a lot of adjustments.

You can look up the other steering components at www.jdparts.com after you register for free;) There is quick tutorial linked in my signature if you need it.
 

Attachments

  • 750.gif
    750.gif
    35.3 KB · Views: 390
/ John Deere 750 unequal turning radius #5  
Measure the length of each tierod. You'll probably find that one is much 'longer' than the other based on exposed metal. That means there are more threads showing on one side. Unscrew the lock nuts on each one and adjust them to make them have the same exposed thread cound while setting the net toe to be 1/8" in an the steering wheel centered. Then the turn radii should be equal. (Unless you are interested in one being smaller than the other as a 'feature'.
 
/ John Deere 750 unequal turning radius
  • Thread Starter
#6  
Thank you all for your quick replies. I will report back after I check the Center Rod from the gear box, tie rod adjustments, and power-steering travel. Thanks!
 
/ John Deere 750 unequal turning radius
  • Thread Starter
#7  
I think I have it corrected enough to be happy for now. There is a rod connecting the two wheels that if adjusted would only adjust the tow so nothing gained there. I had considered pulling the steering arm off and offsetting it a few grooves but it has marks to line up so I decided not to do that. I ended up pulling off the tie rod off where the power steering rod connects to the left wheel and screwing the adjustment out as far as I could. I left about 1/2" of thread in the rod and adjuster nut and its tollerable. There is still a slight difference but not enough to complain about.

Thanks for the help.
 
 
Top