John Deere 5500 Dash Lighting

/ John Deere 5500 Dash Lighting #1  

Lelze

New member
Joined
Jan 3, 2014
Messages
5
Location
Richmond, IN
Tractor
JD 5500
My JD 5500 has an issue with the dash lights. None of them come on. I understand there are 8 bulbs so I believe it is a fuse/switch issue. The other lights work except the front lights go to high beam at both positions. Also in cold weather the flashers sometimes come on. Other than that perfect I guess.
 
/ John Deere 5500 Dash Lighting #2  
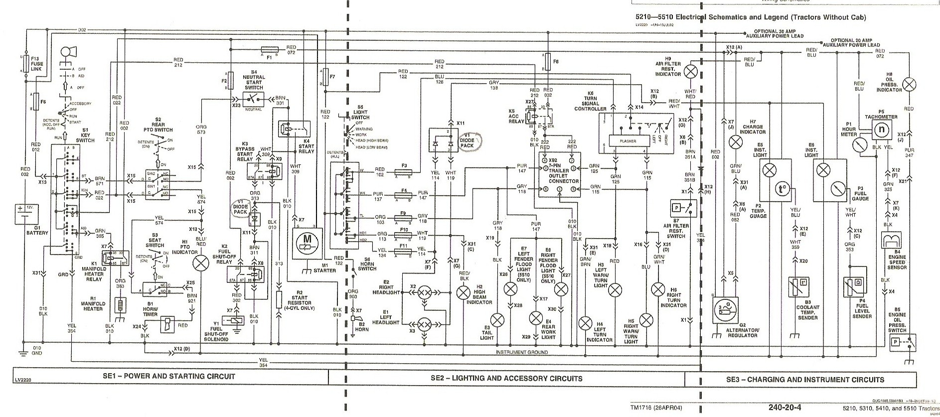
Looking at JDparts, it looks like the wiring for the 5X00 and the 5X10 is about the same. I had a problem with my 5210 that the dash lights did not always work. I replaced the diode pack (for the 5x00 it is part number RE262484, $17.08 from greenfarmparts) and the dash lights worked. The diode pack is located under the left cowl and is the front little box. The diode pack is also used for the headlights both high and low. This statement was taken from my tech manual - Diode pack also blocks current flow from feeding back across one headlight circuit to the other.

I have attached a wiring diagram for 5X10, you will need to determine how close the two are.

The diode pack has several diodes in it for various 5X10 electrical functions, those being starting system and light system (headlights and dash lights).

You may want to get the tech manuals at selectmanuals.com $19.95.
 

Attachments

  • 5210wiring.jpg
    5210wiring.jpg
    473.1 KB · Views: 8,442
/ John Deere 5500 Dash Lighting
  • Thread Starter
#3  
Thank you. That is the same part used in the 5500. I will give it a try to see if it solves the issue.
 
/ John Deere 5500 Dash Lighting #4  
I do suggest you disconnect the battery (negative ground), before trying to get it out. I had to pry mine out and disconnecting the battery will save shorting out something.
 
/ John Deere 5500 Dash Lighting
  • Thread Starter
#5  
The 5500 has a cab is there a way to get to remove panel over the diode since the cab covers it?
 
/ John Deere 5500 Dash Lighting
  • Thread Starter
#6  
The 5500 has a cab is there a way to get to remove panel over the diode since the cab covers it?
Did you ever solve this? I have same issue
 
/ John Deere 5500 Dash Lighting #7  
There is a fuse in the fuseholder that must not be in. If you install is the tractor goes in dignostic mode with only zeros on the hourmeter . photo to follow
 

Marketplace Items

2014 CHEVROLET CAPRICE POLICE CAR (A66091)
2014 CHEVROLET...
2018 GENERAC MOBILE PRODUCTS  MTL6S (INOPERABLE) (A67714)
2018 GENERAC...
207923 (A63290)
207923 (A63290)
2011 MAGNUM TRAILER LIGHT PLANT (A67714)
2011 MAGNUM...
WACKER NEUSON  LTN8 LIGHT PLANT (A67714)
WACKER NEUSON...
LEVIATHAN INC SAND CHIEF TRAILER (A67714)
LEVIATHAN INC SAND...
 
Top