John Deere 410 - Shes got issues!!!! Help!

/ John Deere 410 - Shes got issues!!!! Help! #1  

Nick410

New member
Joined
Oct 22, 2017
Messages
8
Location
Norwich, Ct
Tractor
jd 410
Hello all! I just recently purchased a JD 410 with a fair share of issues. I'm having issues with the drive system and hydraulics.

It will only drive with the left stick forward (is this high or low speed?) in 1/2/3 but feels like its slipping pretty bad. Reverse seems tighter and works well, but didnt try it in every gear. I have checked the clutch pedal and none of the linkage seems to be stuck.

My hydraulics are also not working. I can get the bucket to move slightly and the digging arm to swing, but just slightly. Everything else is dead.

The filters are new, screen is clean and fluid is fresh. I havent got a pressure tester on it yet but im waiting for my manual and dont know what i need for fittings and my local dealer is no help.

Anyone have any ideas or direction to start looking?

Thanks!
 
/ John Deere 410 - Shes got issues!!!! Help! #2  
:welcome: to TBN

Sounds like a service tech manual is one of the first orders of business.. see there is an operator's manual on Amazon.. may also be other places too.
What's up with your Deere dealer? Most will welcome a new customer. Might start with ordering manuals there.

You will find good expert help here.. so stick with TBN to get you back in operation.

More info leading up to these failures will help with answers. One ?? comes to mind.. did it run before you bought it?
 
/ John Deere 410 - Shes got issues!!!! Help!
  • Thread Starter
#3  
The woman at the parts desk just doesnt have a ton of knowledge and even asking for simple things seems to be like pulling teeth.

I bought it knowing of the problems. I got the tractor very cheap and can do the work myself, so whatever i put into it will be worth it.

I also noticed a fill cap under the rear floorboard, below the seat. What is ths fill for?
 
/ John Deere 410 - Shes got issues!!!! Help! #5  
/ John Deere 410 - Shes got issues!!!! Help! #6  
Welcome to TBN
Is hyd fluid at full mark checked with engine idling? Next check that hyd filter relief valve(keys 9-11) isn't stuck open. Check to be sure frt hyd pump shaft is spinning with engine crankshaft IE not slipping in drive coupler. It's possible stroke control valve(key 39B -40) isn't seating properly in frt pump. Be sure( if equipped) destroking screw(key 6 2nd photo) is turned fully CCW.
 

Attachments

  • Capture.PNG
    Capture.PNG
    98.6 KB · Views: 330
  • Capture.PNG
    Capture.PNG
    72.8 KB · Views: 309
/ John Deere 410 - Shes got issues!!!! Help! #7  
The woman at the parts desk just doesnt have a ton of knowledge and even asking for simple things seems to be like pulling teeth.

Hopefully you went to the parts desk with more information than you disclosed in the OP. ;)

You can look up part numbers at this link and go to the parts desk with model number, serial number, and the part that you want. They are not the service dept. where they will want to have your tractor and diagnose the trouble, sort out the problem, and then get it running with their parts and time.

John Deere - Parts Catalog
 
/ John Deere 410 - Shes got issues!!!! Help!
  • Thread Starter
#8  
I've been using the parts manual, it's been a big help. But it doesn't have things like adapter sizes for testing or location. The adapters were something i figured the dealer could handle without telling them exactly what size I need.

But I still doesn't answer a lot of questions about the full above the rear differential or whether forward on the left stick is high or low.

I've been going through all of the smaller thing filters/ valves / fluids linkages. Everything is either cleaned, fairly new or working.

At this point. I'm guessing the hydraulic clutches are starting to have issues. But I won't know for sure until I get the right pieces to pressure test it.
 
/ John Deere 410 - Shes got issues!!!! Help! #9  
I've been using the parts manual, it's been a big help. But it doesn't have things like adapter sizes for testing or location. The adapters were something i figured the dealer could handle without telling them exactly what size I need.

But I still doesn't answer a lot of questions about the full above the rear differential or whether forward on the left stick is high or low.

Parts catalog contains some technical info if one knows how & where to look. What's the part numbers of the hyd plugs/fittings you wish to remove to check hyd pressures? Spec's shown are for plugs(keys 27,29 &31) on reverser control valve.
 

Attachments

  • Capture.PNG
    Capture.PNG
    6.6 KB · Views: 224
  • Capture.PNG
    Capture.PNG
    67 KB · Views: 234
  • Capture.PNG
    Capture.PNG
    95.2 KB · Views: 265
/ John Deere 410 - Shes got issues!!!! Help!
  • Thread Starter
#10  
So the the drive stem is handled. Turned out to be a broken cotter pin.

Now the hydraulics are another issue. I've bought and installed a new pump, but I'm only reading 1000psi.

Adjusting the stroke control valve (this must be the Allen w/ lock but on bottom of the pump?) doesn't seem to make much of a difference in either direction pressure wise... what am I doing weong?!!!!!

With the new pump all the hydraulics are working but the loader barely moves at all (which in aware it shouldn't at this low of a psi)
 
/ John Deere 410 - Shes got issues!!!! Help! #11  
If you replaced frt pump without 1st performing proper diagnostics then you probably wasted money. Many hyd pumps have been replaced to determine that the pump replaced wasn't the problem. Turning hex socket screw in(CW) should under normal conditions increase pressure. Did you check sump screen for cleanliness? Did you check to be sure hyd filter relief valve wasn't stuck open? Do hyd's operate any different with hyd reverser in fwd or rev. Problem could be as simple as a leaking relief valve(key 24) or faulty o-ring(key 23).
 

Attachments

  • Capture.PNG
    Capture.PNG
    31.1 KB · Views: 871
/ John Deere 410 - Shes got issues!!!! Help!
  • Thread Starter
#12  
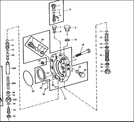
What is that diagram of? When I look at the exploded view I can't tell.

I've been through the sump screen, transmission relief and any check valve I can find.

Installing the new pump provided a huge amount of gain (all the hydraulics will operate now where as before I could only get the bucket to curl and an outrigger to move) however the issues is absolutely on the supply end.

There is no change in operation regardless of fwd reverse/ neutral.

There is some aeration In The oil and a milky color. I've been working on flushing the system but can only get so much at at a time.

My charge pressure is not reading on my 300psi gauge. My standby pressure is varying greatly. 500 at idle, about 1000psi at 1250rpm, 1500 psi at wide open throttle.
 
/ John Deere 410 - Shes got issues!!!! Help! #13  
With the pressures you are seeing, I am guessing you have a large high pressure internal leak somewhere. Try starting it up and let it run for 10 minutes or so without using any functions. Then feel the pump and pressure lines from the pump to see if there is heat build up. When no functions are being used there should be no flow from the main pump and little to no heating of components. If pump and lines are warm or hot, follow the lines to the component that is hot. Steering valve is one fairly common area for internal leaks and heating of the oil. If you see no significant heat, then try capping off the main pressure line from the main pump and then recheck the standby pressure and charge pressure. The aeration of oil concerns me too, it could be a suction leak at the transmission pump or lines, but it also could be the main pump cavitating from the internal high pressure leak.
 
/ John Deere 410 - Shes got issues!!!! Help!
  • Thread Starter
#14  
I will check that tomorrow, thank you. I have felt the steering column, as another mechanic has mentioned the possibility of it leaking. I haven't felt any heat buildup there, but I will check again without using the hydraulics.

I have noticed the pump getting hot, but I was trying to work the hydraulics.

Also, the pressure drops roughly 500 psi when I use any of the backhoe control but not when I touch the loader controls.

I'm guessing an internal leak would require splitting from the transmission?
 
/ John Deere 410 - Shes got issues!!!! Help! #15  
What is that diagram of? When I look at the exploded view I can't tell.

I've been through the sump screen, transmission relief and any check valve I can find.
.

I can't remember exactly which control valve but I think it was either the loader boom or backhoe valve. Have you attempted to adjust stand-by pressure any higher?
 
/ John Deere 410 - Shes got issues!!!! Help!
  • Thread Starter
#16  
So today was the first cold morning we've had. Down to 15 overnight. I started her up and once she was running smooth worked the hydraulics. The loader actually worked. But as soon as the system heats up they slow and stop.

Seems like a leakin seal or somewhere that's not allowing the machine to build pressure. The thick oil is enough to actually build pressure and work the loader.
 
/ John Deere 410 - Shes got issues!!!! Help! #17  
My guess is internal hyd leak is causing trans pump to not be able to supply frt pump enough oil to keep front pump from cavitating(run low on oil) PS: frt pump doesn't have capability to suck oil. You're correct warmer to hot oil is more prone to cause cavitation than cold oil. I will suggest to remove backhoe hyd valve return hose(16) then aim hose in bucket or hyd filler hole then with all BH control levers in neutral start engine. No oil should exit open hose.
 

Attachments

  • Capture.PNG
    Capture.PNG
    55.7 KB · Views: 1,162
 
Top