John Deere 2440 Hyd Pump

/ John Deere 2440 Hyd Pump #1  

loganhorse

Bronze Member
Joined
Feb 22, 2017
Messages
75
Location
Reynolds station ky
Tractor
John deere 2440
Seeing several different ones online. How can I verify which i have? Leaking terrible and need to replace.
 
/ John Deere 2440 Hyd Pump #2  
John deere has a parts list and diagram online. You should be able to enter it as a "guest" last time I tried.
Make sure it isn't the hoses or the fitting right at the pump before you condemn the pump.
David from jax
 
/ John Deere 2440 Hyd Pump
  • Thread Starter
#3  
John deere has a parts list and diagram online. You should be able to enter it as a "guest" last time I tried.
Make sure it isn't the hoses or the fitting right at the pump before you condemn the pump.
David from jax
Lists several different ones.
 
/ John Deere 2440 Hyd Pump #4  
Are they different output ratings? My 2555 probably has 3 different ones (if I remember right) but they are different ratings. I got a "spare" pump from the company that had my tractor since new and they were cleaning house...anything green went into the dumpster. (they had a falling out with JD franchised shop here). So they went and spent the 1.5 million that was going to JD...on Case tractors. No need for green parts anymore. They replace all their tractors on two 600 acre farms here, every four or five years.
David from jax
 
/ John Deere 2440 Hyd Pump
  • Thread Starter
#5  
Are they different output ratings? My 2555 probably has 3 different ones (if I remember right) but they are different ratings. I got a "spare" pump from the company that had my tractor since new and they were cleaning house...anything green went into the dumpster. (they had a falling out with JD franchised shop here). So they went and spent the 1.5 million that was going to JD...on Case tractors. No need for green parts anymore. They replace all their tractors on two 600 acre farms here, every four or five years.
David from jax
I'm gonna have to see if I can find a serial number or something.
d520bec31d9e300cdfb05821ea01b882.jpg
3b213d351553b9d6bc5eec996f88bdc0.jpg
 
/ John Deere 2440 Hyd Pump #6  
I will bet you have the smaller pump, few were special ordered with the larger pump, if any.
 
/ John Deere 2440 Hyd Pump #7  
Are they different output ratings? My 2555 probably has 3 different ones (if I remember right) but they are different ratings. I got a "spare" pump from the company that had my tractor since new and they were cleaning house...anything green went into the dumpster. (they had a falling out with JD franchised shop here). So they went and spent the 1.5 million that was going to JD...on Case tractors. No need for green parts anymore. They replace all their tractors on two 600 acre farms here, every four or five years.
David from jax

I'd love to dumpster dive in that dumpster and rescue the green parts!!!
 
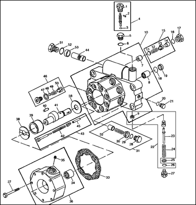
/ John Deere 2440 Hyd Pump #9  
1st photo is a 1.38 in.3 pump,2nd photo is the larger 2.4 in.3 pump
 

Attachments

  • Capture.PNG
    Capture.PNG
    74.5 KB · Views: 161
  • Capture.PNG
    Capture.PNG
    46 KB · Views: 153
/ John Deere 2440 Hyd Pump
  • Thread Starter
#10  
1st photo is a 1.38 in.3 pump,2nd photo is the larger 2.4 in.3 pump
Thank you. I'll check this. Dropping my tilt cylinders off Tuesday for rebuild then going to work on the pump.
 
/ John Deere 2440 Hyd Pump #11  
The 1.38? Anyway to verify this?

The small 1.38cu pump will look more octagon shaped, the larger 2.40 pump will look more round shaped. See drawings posted by TxJim

1st photo is a 1.38 in.3 pump,2nd photo is the larger 2.4 in.3 pump

Thanks for posting TxJim. When you were at the JD dealership did you see any of larger pumps on the utility tractors? Was there a demand and did dealer order for stock or only special order? I have never come across one "in person"
 
 
Top