JD 4105 no start after warm until it cools

/ JD 4105 no start after warm until it cools #1  

Laughlinrb

New member
Joined
Jun 10, 2019
Messages
2
Tractor
John Deere 4105
Hello. I have a 2014 JD 4105 that starts perfect when cold. After running it for awhile if I shut it down it won't start for several minutes. If I let it cool for 10 minutes or so it will start right up. If I leave it running it will run all day. I replaced the fuel shutoff solenoid and nothing changed. I saw some forums on a thermistor that goes bad but I don't think the 4105 uses the thermistor.
 
/ JD 4105 no start after warm until it cools #2  
G'day Mate and welcome to TBN from Downunder.

Interesting fault (that I've not experienced myself). You don't mention where in the world you are, generally, located so I don't know if it's related to the elevation that you're operating the 4105 at. You might try swapping the relays around (on the fuse panel, the relays are all the same type).

Enjoy the site.
 
/ JD 4105 no start after warm until it cools #3  
If the 4100 tractors are the same or similar, I see a control module running the fuel system.

Electronic components are often failing when warm.

Dave M7040
 
/ JD 4105 no start after warm until it cools #4  
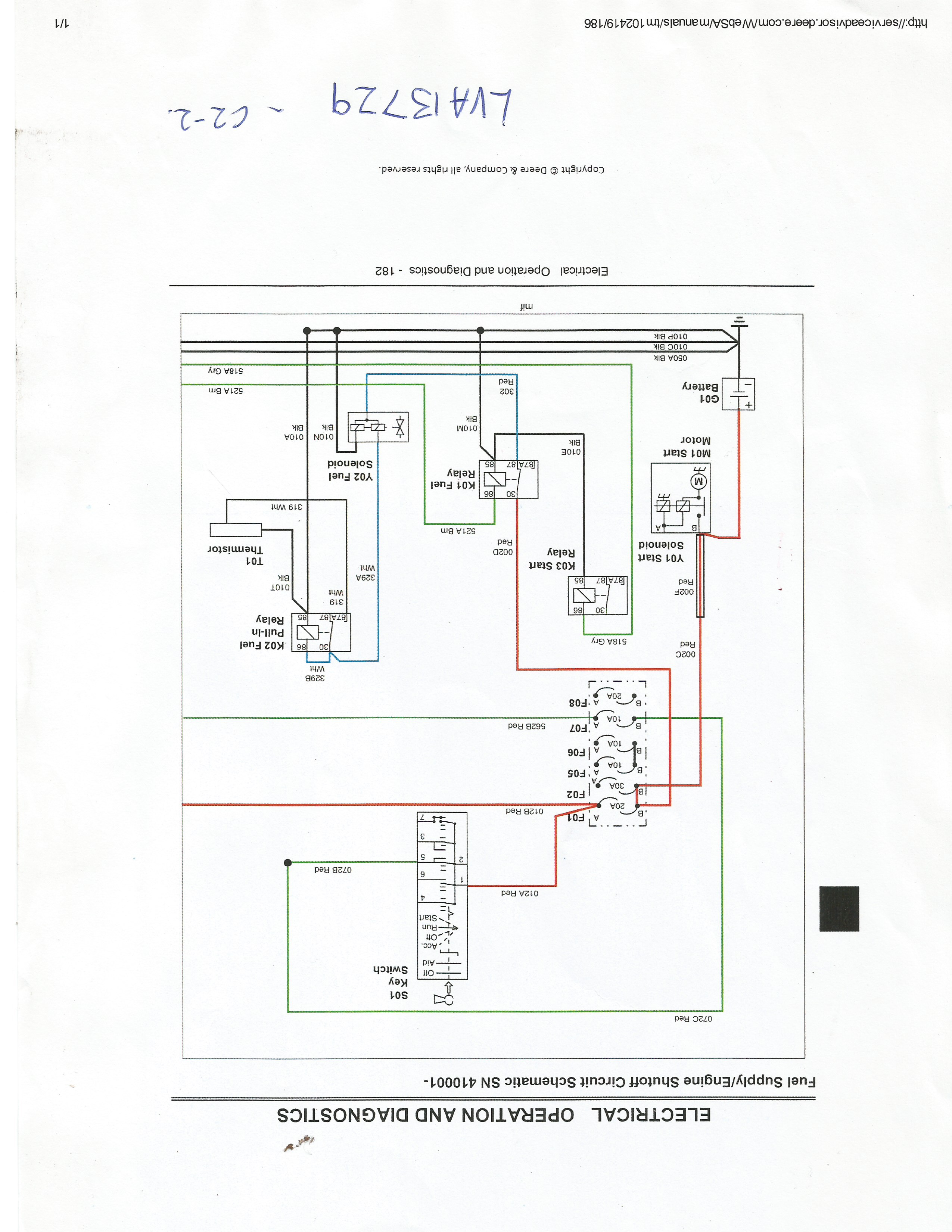
Well, you're in luck... I happen to have a 4105 Fuel Supply/Engine Shutoff Circuit Schematic from when I was trying to diagnose an intermittent fuel problem (yes, it was a biological growth in the tank).

There is a thermistor [T01] 'hanging' off the Fuel Pull-In Relay [K02].

The 4105 is a basic 'bare bones' model tractor so there really aren't any electronic components like a Control Module.

4105Elec.jpg
 
/ JD 4105 no start after warm until it cools #6  
So, is the "delay before restart" designed into the tractor?

I don't know... I've never experienced such a delay on my 4105.

I also haven't hunted down where the thermistor physically is located... engine vibration can (and will) loosen things, especially connections.
 
/ JD 4105 no start after warm until it cools #7  
Memory is not real sharp here. I had leak on fuel filter (spin on) and think my JD did about same as yours. I know it had problem restarting and best I can remember it was when hot and off for few minutes. Leak was not large enough for fuel to leak only air sucking into the fuel. I removed filter, cleaned the gasket well and reinstalled and solved my issue. Mine was having to be bleed sometimes to start.
 
/ JD 4105 no start after warm until it cools
  • Thread Starter
#8  
Thanks for the feedback. Yesterday I ran the tractor pretty hard for 4 plus hours bush hogging. When I shut it down it took almost 90 minutes before it would start. This game me some time to dig into the problem. I found no voltage is coming from the pull in relay to the fuel shutoff solenoid. I swapped relays and there was no change. I didn't see a thermistor (my original thought) and I don't think the 4105 has one. If you look at the electrical parts diagram for the 4105 it's not listed. On the electrical parts diagram it shows a timer LVA14556 that goes to that relay. Is anyone familiar with what this timer does? I read somewhere that it turns off the pull in relay after 3 seconds.

Wagtail I don't have a schematic for the 4105. Do you see the timer listed on there?
 
/ JD 4105 no start after warm until it cools #9  
Thanks for the feedback. Yesterday I ran the tractor pretty hard for 4 plus hours bush hogging. When I shut it down it took almost 90 minutes before it would start. This game me some time to dig into the problem. I found no voltage is coming from the pull in relay to the fuel shutoff solenoid. I swapped relays and there was no change. I didn't see a thermistor (my original thought) and I don't think the 4105 has one. If you look at the electrical parts diagram for the 4105 it's not listed. On the electrical parts diagram it shows a timer LVA14556 that goes to that relay. Is anyone familiar with what this timer does? I read somewhere that it turns off the pull in relay after 3 seconds.

Wagtail I don't have a schematic for the 4105. Do you see the timer listed on there?

Sorry Mate, I don't have a parts diagram for my 4105. The electrical schematic that I posted was given to me by my local JD Dealership free of charge... indeed, they do that all the time. I simply ask for the relevant drawing/diagram/schematic at the Service/Parts department and they print it off for me. Very helpful and a mechanic has always been available to discuss any problem I've ever had whenever I've visited, in person, the dealership.

With regards to the thermistor... it's probably physically located somewhere else on the tractor; where, I don't know. An electrical schematic simply shows how things are connected to each other and the position of relays when operating.

The schematic has a hand-written "LVA13729" & "C2-2" at the bottom. It could be an alternate number for the timer... or not.
---------------------------------------

Question(s); Is the fuel bowl filling up/is full when you go to re-start the tractor?
Any water in the fuel bowl (red disk floating)?
Is there a 'green tinge' colour in the fuel bowl?
Is the air filter and the air exhaust clean?
Is the radiator screen clean and the coolant fluid topped up? (CHECK before first starting the engine)
 
/ JD 4105 no start after warm until it cools #10  
any update? having the same issue.
 
/ JD 4105 no start after warm until it cools #11  
any update? having the same issue.
G'day Mate and welcome to TBN from Downunder.

I'd be interested too. However, it's been almost 2 years since the OP last posted with no solution provided.

As I mentioned before, my 'fault' (oh so many years ago) was a biological growth (what is incorrectly called 'diesel algae') in my fuel tank... the 4105 would start & run fine for about an hour. Then it would start shutting down = starved for fuel. Start up, run for a while, shut down.

An inspection camera put down into the fuel tank revealed the 'fairy-floss (cotton-candy) mixed with phlegm' looking growth at the bottom of the tank caused by water. A full clean out of the tank + a diesel biocide solved that problem.

Enjoy the site.
 
/ JD 4105 no start after warm until it cools #12  
It is the thermistor,,
This "circuit" that holds the fuel solenoid "in the run position" is a careful balance of two electromagnets,
a powerful magnet, and a weaker one.

To simplify,, the thermistor MUST cool off and become more conductive for the two magnets to have enough power to pull the fuel injection pump lever into the "run" position.

Some replacement thermistors come with wires connected,, and what do they do,,??
They put MULTIPLE heavy layers of heat shrink on the soldered assembly,, and the thermistor.
Guess what!?? the heat shrink keeps the thermistor from cooling.

So, what you need, (it is what I needed) ,, is a new thermistor, and "wire tie" the thermistor in the harness in such a way that the thermistor is hanging out in free air.

I changed from the heat shrink covered thermistor to a properly installed free hanging thermistor.
My delay to restart went from 35/45 seconds,, down to 7 seconds.

I think that for my tractor, that is the best that it can get.
The thermistor will always need to cool,, some time WILL ALWAYS be required.

One guy on YouTube substituted a boat horn button for the thermistor.
You then simply push the button while turning the start key switch.

That would work. A side benefit is that this ends up being a kind of hidden antitheft device.

Who would guess that a tractor requires you to push a button while turning the key to start the machine?

BUT, for now, I wait 7 seconds for the restart.
 
/ JD 4105 no start after warm until it cools #13  
Oh, yea, I forgot to mention where the thermistor is,
it is behind the fuse panel.
I remove the dash, and steering wheel per the manual, to get to it.

If you have 2X-small hands,, you might be able to get to it by only removing the fuse panel mounting bolts.

I have 2X-Large hands,, so, for me,, that will NEVER happen.
 
/ JD 4105 no start after warm until it cools #14  
Where is the best place to get a repair book pdf? My 4105 runs fine in neutral till you put it in gear or the pot and it dies
 

Marketplace Items

PORTA POTTY (A67714)
PORTA POTTY (A67714)
Skidded fuel cell (A67714)
Skidded fuel cell...
2008 CHEVROLET IMPALA CAR (A66091)
2008 CHEVROLET...
2018 HINO 338 4X2 S/A 26FT FLATBED (A59912)
2018 HINO 338 4X2...
TRAILER (A66736)
TRAILER (A66736)
PORTA POTTY (A68842)
PORTA POTTY (A68842)
 
Top