GC 2600 Has anyone replaced the control valve line filter?

   / GC 2600 Has anyone replaced the control valve line filter?
  • Thread Starter
#11  
Sounds more like the tractor hydraulic fluid you are using. Do you know the Viscosity Index of the hydro oil?
That could be very possible too. The Viscosity Index of the hydro oil is 145.
 
   / GC 2600 Has anyone replaced the control valve line filter? #12  
Seems like your using a decent semi-synthetic. Symptoms sound like overheating of the hydro fluid. Common causes would be damaged cooling fan (on GCs attached to driveshaft) or continuous pouring over the relief valve. Hydro whine is quite common, very noticeable when driving in high range. Should check the linkages for the 3pt lift and PTO to ensure they are shifting fully, and not getting hung up on anything. Off by a bit, they may produce no movement but allow oil flow over the relief valve or deadheading. When you have the tractor out, and you notice the whine, fiddle with the levers a bit, see if there is any change. Since you checked the solid lines, I assume they are not dented/bent.
 
   / GC 2600 Has anyone replaced the control valve line filter?
  • Thread Starter
#13  
I have witnessed a potential clue to what's causing my excessive hydro whine. But not really sure why it happening.

Today, when my daughter started mowing, I spend a few minutes walking behind the her listening to any noise changes. (She hates it, lol. Doesn't like someone standing over her shoulder. I wouldn't want me standing over my shoulder either. Haha)

Had her mow in rabbit and turtle, with and without 4WD, raise/lower FEL while mowing, raise/lower deck while mowing as I watched the eyeglass and listened. Hydro oil looked normal doing each. Fluctuations in eyeglass were normal. The whining sound stayed the same. But if I put pressure with my finger on the steel line that connects to the PTO engage lever, the whining is considerably quieter.

So, after about 30-40 minutes, had her stop and we took temps of hydraulic filter, lines, hydro pump, fittings, mower spindles, everything. It's good learning for her to know the tractor and diagnose any potential issues.

Nothing stood out as far as temps. Hydro pump was 135⁰F. Hydraulic filter 125⁰. Lines 110⁰-125⁰. Spindles and mower gear box was 105⁰-120⁰. Was about 80⁰ today. Hydro oil in eyeglass was at normal level. Point of reference(Normal level for my tractor is around 3-4mm above half with all pressure relieves from FEL and 3point hitch/deck)

She kept on mowing, I went to work in the garden. Sometime 15-30 minutes later she made a pass by the garden and I decided to follow and check the eyeglass.

At first glance from 10 foot away, it looked off, really cloudy. Had her immediately shut it down. Looking closer, it shimmered like if glitter was in the oil. (Slight panic and sickish feeling comes over me.) Now we are both on hands and knees, Sherlock Holmes like, describing to eachother what we are seeing. The shimmer was micro-bubbles. Slowly rising into a layer resembling foam and larger bubbles at the top of the eyeglass and a perfectly clear layer formed at the bottom as the air settled out. Within a few minutes, the oil was as clear as new oil and at normal level.

I checked all of the temps looking for an obvious hot part, connection, line, fitting, or area that may have caused the cavitation. Everything was the same temps as above. I even changed the batteries in the thermometer because I couldn't believe that the overall temps didn't increase.

No obvious leaks, so she drove it to the barn and I did a thorough check for anywhere that may be drawing air or leaking. Removed the deck. I even took the back wheels off to get a real good look.

Point of reference: I washed the tractor prior to changing the hydro filter, engine oil, fuel filter, air filter last week. Cleaned radiator screen, all the quick connects. I disconnected/reconnect the quick connects at that time too.

All control levers seem to full engage or disengage properly.

That's my rundown. Really appreciate everyone that has take the time to read this. Any advice or suggestions would be a blessing.

I'm think, replace the O-rings on the suction filter. Maybe the O-ring on the pickup tub to the hydraulic pump. I tightened the hose clamps on the jumper hose a couple of turns last week. Maybe replace the clamps and the hose. Possibly get some hydro oil dye and add it?

Could I be pulling in air and not having leaks?

Thanks
 
   / GC 2600 Has anyone replaced the control valve line filter?
  • Thread Starter
#14  
Update after checking things over. No leaks found. Went out to mow and after taking a couple of passes checked the hydro level to see it as described about. Cloudy and foamy. And after 2 minutes setting at idle at about 1000 rpm the air settled out and fluid was clear in eyeglass.

If never seen foamy, cloudy fluid in eyeglass before.
Anyone else ever see this?
 

Attachments

  • 20250610_125749.jpg
    20250610_125749.jpg
    1.7 MB · Views: 45
  • 20250610_130325.jpg
    20250610_130325.jpg
    1.8 MB · Views: 39
   / GC 2600 Has anyone replaced the control valve line filter? #15  
Update after checking things over. No leaks found. Went out to mow and after taking a couple of passes checked the hydro level to see it as described about. Cloudy and foamy. And after 2 minutes setting at idle at about 1000 rpm the air settled out and fluid was clear in eyeglass.

If never seen foamy, cloudy fluid in eyeglass before.
Anyone else ever see this?
How long, if at all, did you allow the tractor to warm up before you started mowing?
 
   / GC 2600 Has anyone replaced the control valve line filter? #16  
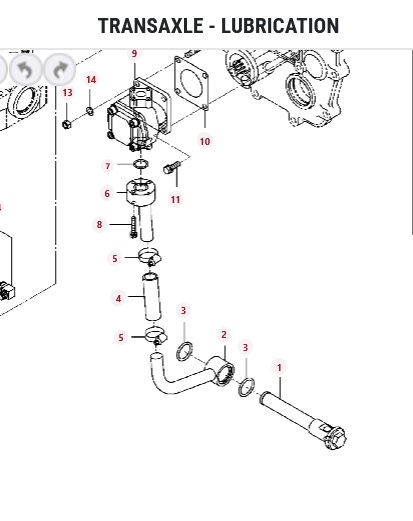
It is very easy to pinch an o-ring on the suction filter. The early ones were made of plastic, very easy to crack if over-torqued. Part has been superseded by a metal filter. There is some aeration of the hydraulic fluid when it returns to tank, very normal.
 

Attachments

  • suction filter.jpg
    suction filter.jpg
    64.2 KB · Views: 39
   / GC 2600 Has anyone replaced the control valve line filter? #17  
Looks like water in the oil? Foam in hydraulic fluid-

  • Contamination in the form of either water, solids, or even grease
  • Cross-contamination with the wrong type of fluid
  • Excessive aeration of the hydraulic fluid (which is usually a mechanical issue)
  • A reduction in pump output efficiency
 
   / GC 2600 Has anyone replaced the control valve line filter?
  • Thread Starter
#18  
How long, if at all, did you allow the tractor to warm up before you started mowing?
Like 3 to 5 minutes on the first start of the day. Rest of the day when starting, I let the tractor build some pressure for a minute before raising FEL and deck. I always relieve all pressure from FEL and deck when powering down.

Usual routine: First time starting tractor for the day, I check the oil and hydro oil level. Start it and let it run for a few minutes while doing a walk around. Kick the tires, once over for leaks, glance at tie-rods and steering cylinder, FEL quick connects, behind each rear tire, 3 pt hitch, hit the roller deck wheels with some grease if need, and check that mower blades in neutral turn freely by hand.

Same routine whether, mowing, tilling, or whatever.
 
   / GC 2600 Has anyone replaced the control valve line filter?
  • Thread Starter
#19  
It is very easy to pinch an o-ring on the suction filter. The early ones were made of plastic, very easy to crack if over-torqued. Part has been superseded by a metal filter. There is some aeration of the hydraulic fluid when it returns to tank, very normal.
Your right. The plastic ones can break easily if over-torqued. Broke it shortly after getting the tractor. That's been about 4 years ago.

Very careful with new one and O-ring alignment. On recent filter/fluid change O-rings looked OK. Not smashed.

How often to change those? I've read that the rubber hose after the suction filter can draw air and not be leaking fluid. Mine doesn't leak but the rubber feels soft.

I've monitored the hydro level while my daughter is mowing for years. It's has always been as clear as if it was parked. I've never seen a single air bubble.

Speaking of filter. I was triple checking today for possible leaks and there was a single drop of clean clear hydro fluid on the filter. Took the deck off to get a close look.

Not a drop of fluid on the fliter guard though. I had the filter hand tight plus a turn. I couldn't tighten it any more by hand. Got the filter wrench and gave it a quarter turn. Sharpened and balanced the blades while it was off.
Will try it tomorrow, if aeration persists.

Could the filter have been the cause for the air? I couldn't be that lucky.
 
   / GC 2600 Has anyone replaced the control valve line filter? #20  
The reason I asked about warming up is that I've seen bubbles in my glass in the past, but only when it very cold and it goes away when the hydro warms up. My limited understanding is that cooling fluid can absorb air and heating the fluid releases the trapped air causing the bubbles.
 

Tractor & Equipment Auctions

LOT: Better Built Heavy Duty Fuel Transfer Tank, Tool Box, 12 Volt Fill-Rite Pump (A59076)
LOT: Better Built...
KING KUTTER 5' DISC BLADE W/ 1PT HITCH (A52708)
KING KUTTER 5'...
UNUSED FUTURE FT-RP72 - 72" HYD ROCK CRUSHER (A52706)
UNUSED FUTURE...
Kubota L3560 (A57148)
Kubota L3560 (A57148)
PALLET OF MIXED METAL, SQUARE & ROUND TUBING (A52708)
PALLET OF MIXED...
CATTLE SHOOT (A52708)
CATTLE SHOOT (A52708)
 
Top