Fuse Schematic

/ Fuse Schematic #1  

VPFarms

New member
Joined
May 8, 2023
Messages
1
Tractor
Century 4520
Does anyone have a schematic for the century 3045 fuse panel? The repair manual has nothing.
 
/ Fuse Schematic #2  
G'day Mate... seeing as no one has 'popped up' with a requested schematic (yet), might I suggest that you go to your dealership's Service/Parts department and ask for one.

I know that my JD Dealership will (and has) provide a printed schematic for free.

Best of luck.
 
/ Fuse Schematic #3  
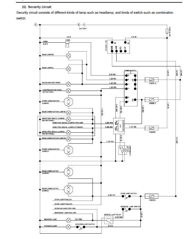
Does anyone have a schematic for the century 3045 fuse panel? The repair manual has nothing.
here is every wiring diagram i have for that series hope this helps
 

Attachments

  • 1.JPG
    1.JPG
    60.3 KB · Views: 148
  • 2.JPG
    2.JPG
    69.6 KB · Views: 152
  • 3.JPG
    3.JPG
    94.6 KB · Views: 144
  • 4.JPG
    4.JPG
    42.2 KB · Views: 148
  • 5.JPG
    5.JPG
    57.7 KB · Views: 139
  • 6.JPG
    6.JPG
    133.5 KB · Views: 146
  • 7.JPG
    7.JPG
    149.2 KB · Views: 152
  • 8.JPG
    8.JPG
    128 KB · Views: 149

Marketplace Items

2003 PETERBILT 379 SLEEPER (A59914)
2003 PETERBILT 379...
Unused 2024 Land Pride PF1242 42. Forks and Frame Skid Steer Attachment (A66734)
Unused 2024 Land...
SOUTHERN FRAC MANIFOLD (A68842)
SOUTHERN FRAC...
2008 FORD F150 EXTENDED CAB PICKUP TRUCK (A66091)
2008 FORD F150...
2019 Cadillac XTS Stretch Limousine for Sale, S and S Coachbuilders, 70IN, 7731 Miles (A63689)
2019 Cadillac XTS...
DRAGON 500 BBL FRAC TANK (A67714)
DRAGON 500 BBL...
 
Top