Kubota 2350
Platinum Member
- Joined
- Aug 15, 2009
- Messages
- 692
- Location
- Michigan, In The Thumb
- Tractor
- 2016 JD 3046R Cab ...................... Mower: 2016 Scag Tiger Cat II ZTM
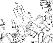
I've looked at the front axle pivot and there is not a grease zerk that I can find.
Does it not have one, or am I just not finding it?
Tractor is a 4310 EHydro 4x4.
Does it not have one, or am I just not finding it?
Tractor is a 4310 EHydro 4x4.