Forum for air cooled diesel engines and clones

   / Forum for air cooled diesel engines and clones #521  
Here are the photos.

20210605_175229.jpg
20210605_175519.jpg
20210605_175604.jpg
20210605_175629.jpg
20210605_175916.jpg


The old engine was beyond finished. You could move the crank all over the place. The bearings were worn out You probably wouldn't notice anything was "off" at first glance if the turbo wasnt hanging out the front. I had to BUTCHER the front end to get everyting to fit the frame without removing too much material, but that was the hardest part. The only issue is that I have to pull the engine to get to the oil filter.

To mount the drive shaft I made an adapter out of 1/2" steel plate, since the holes where the starter cup goes are all off center. Its attached to the center of the flywheel with counter sunk metric grade 12.9 8mm bolts and thread locker. Everything else bolts to the adapter.

I tried to use the starter/generator for a while, but I could never get it aligned right and it would eat the belt. Every time I wanted to use it I would have to tighten the belt, and that got annoying very quickly. It's not hard to pull start. Just use the compression release and the gearbox starter, follow through with the pull, and it fires right up.

I might tear it down to make a few things on the engine look better and for some bodywork and paint this fall when I don't need it to mow anymore.
 
   / Forum for air cooled diesel engines and clones #522  
Wow! That is an amazing bit of work. Congratulations!

Thanks for the great photos.

I am curious how you are lubricating the turbo. Did you tap into the pressurized oil system?

All the best,

Peter
 
   / Forum for air cooled diesel engines and clones #523  
Wow! That is an amazing bit of work. Congratulations!

Thanks for the great photos.

I am curious how you are lubricating the turbo. Did you tap into the pressurized oil system?

All the best,

Peter

Yes, it's tapped to the pressure system. I tested the pressure before I installed the turbo and it was 90 psi with a leak at the test fitting. I figured it would be higher with everything sealed up. I didn't want to starve the engine of oil pressure so I put a shutoff valve inline with the oil feed. It's about 1/8 turn open and plenty of oil is leaving the turbo. I have checked it a few times and haven't noticed any excessive play. Just what's normal for a journal bearing turbo. Hard lines for the feed with RTV on all threads. No leaks yet.

For the return, I drilled out one of the dip sticks and threaded it for a hose barb.

Any more questions, I'm happy to answer them.
 
   / Forum for air cooled diesel engines and clones #524  
I think it is an amazing job. I hope that it serves you well. How long did the whole tear out / rebuild take you?

Did your engine come with a crankcase ventilation or did you install that yourself? If the latter, did you add a PCV, or use the little ball bearing valve in the engine?

All the best, Peter
 
   / Forum for air cooled diesel engines and clones #525  
It took about a couple month to make it usable before I even mounted the engine. It was in pretty rough shape. I had to make a few pulleys, buy/return belts (tractor supply hates me), tires & tubes, gear oil, cleaned and regreased the differential. The engine probably took about a week. I got it mounted in a day then just added bits and pieces until it came together.

I blocked off the pcv port to the intake in the valve cover and added a port on top to route it before the turbo in the air filter.
 
   / Forum for air cooled diesel engines and clones #526  
Does anybody have a picture of the rotor diode area of a china Yanmar clone diesel brushless generator? The previous owner has been in here before and I want to make sure that everything is connected correctly. I found some of the worst soldering I have ever seen when I opened it up. Google is not finding the picture I need. Thanks
 
   / Forum for air cooled diesel engines and clones #528  
I want to express my gratitude to this thread and @90cummins frequent contributions, lots of learning, we rely on these chinese clones (Yanmar) quite heavily in my country. Fuel is scarce for bigger gensets and wet stacking would become an issue.

For those living in poor countries or where importing is difficult, a timing shim (injector and pump) is almost impossible to find, they're usually preset at a thick size, I've attached a, A4 PDF file, 1:1 scale timing shim print for the injector pump (adjusted to be slightly larger than the following pics as mine was tight fit). Couldn't remove the existing copper one to cut over as it was in duty and easy to damage as it's too soft.

I've used a laser printer for transfer, using gasket material compresses over time when used in loose fitting so I used a Pepsi/Merinda/7up can, these happen to be 0.1mm exact +/-0.01mm, other sodas and beer cans vary, anyways I simply ironed the paper print on to the surface for cutting reference. The rest were cut on top of the first cut using a sharpie. Cut the metal on a notepad or thick carton for ease. Holes were drilled on top of a scrap wood while attached to the pump for clean finish prior assembly, I don't have a hole puncher set. I live @~1KM altitude which requires advancing the timing, and I confirm as 90cummins mentioned each fuel pump is different, and the cam follower is sacrificial which changes timing slightly on wear.
Make sure to set the toner darkness level at maximum on the printer for best transfer, and clean the metal with acetone prior to ironing.

1.jpg

Not the prettiest, black pitting is toner transfer not residue. It does not stick well but it's enough for cutting reference.

2.jpg
 

Attachments

  • yanlseriespumpshim.pdf
    95.2 KB · Views: 188
   / Forum for air cooled diesel engines and clones #529  
I want to express my gratitude to this thread and @90cummins frequent contributions, lots of learning, we rely on these chinese clones (Yanmar) quite heavily in my country. Fuel is scarce for bigger gensets and wet stacking would become an issue.

For those living in poor countries or where importing is difficult, a timing shim (injector and pump) is almost impossible to find, they're usually preset at a thick size, I've attached a, A4 PDF file, 1:1 scale timing shim print for the injector pump (adjusted to be slightly larger than the following pics as mine was tight fit). Couldn't remove the existing copper one to cut over as it was in duty and easy to damage as it's too soft.

I've used a laser printer for transfer, using gasket material compresses over time when used in loose fitting so I used a Pepsi/Merinda/7up can, these happen to be 0.1mm exact +/-0.01mm, other sodas and beer cans vary, anyways I simply ironed the paper print on to the surface for cutting reference. The rest were cut on top of the first cut using a sharpie. Cut the metal on a notepad or thick carton for ease. Holes were drilled on top of a scrap wood while attached to the pump for clean finish prior assembly, I don't have a hole puncher set. I live @~1KM altitude which requires advancing the timing, and I confirm as 90cummins mentioned each fuel pump is different, and the cam follower is sacrificial which changes timing slightly on wear.
Make sure to set the toner darkness level at maximum on the printer for best transfer, and clean the metal with acetone prior to ironing.

View attachment 715903
Not the prettiest, black pitting is toner transfer not residue. It does not stick well but it's enough for cutting reference.

View attachment 715904

Really nice and clever work.

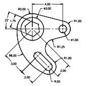
If you ever need to make a 2D CAD file to share in DXF, then you can install FreeCAD V19. You can also laser cut from the 2D

1633539874841.png


Even laser cut 2D gears from FreeCAD

1633539954142.png


1633540018667.png


3D print, 2D laser cut, share DXF and STEP files - - - - all for FREE.
 
   / Forum for air cooled diesel engines and clones #530  
Really nice and clever work.

If you ever need to make a 2D CAD file to share in DXF, then you can install FreeCAD V19. You can also laser cut from the 2D

View attachment 715906

Even laser cut 2D gears from FreeCAD

View attachment 715907

View attachment 715908

3D print, 2D laser cut, chare DXF and STEP files - - - - all for FREE.
Thanks! Gonna give FreeCAD a try one day, I took a picture of the original shim and used Scan2CAD to calibrate dimensions and vectorize, I should use FreeCAD over Abviewer for printing 1:1 DXF files from now on.
I've attached the DXF file.
 

Attachments

  • yanlseriespumpshim.dxf.zip
    7.4 KB · Views: 152

Tractor & Equipment Auctions

2020 MACK GR64FT (A58214)
2020 MACK GR64FT...
(APPROX. 20) 4' X 8' X 3/8" SHEETING (A52706)
(APPROX. 20) 4' X...
2010 International Digger Derrick (A55973)
2010 International...
2025 GPS Trailers (A56859)
2025 GPS Trailers...
ENCLOSED DRIVING SIMULATOR TRAILER (A58214)
ENCLOSED DRIVING...
New/Unused 8in Bucket (A57454)
New/Unused 8in...
 
Top