Ford 800 steering question

/ Ford 800 steering question #1  
Joined
May 4, 2004
Messages
41
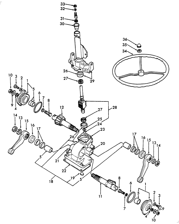
We have an 800 that had a bad bearing in the bottom of the steering shaft. After replacing it and putting oil in it, the oil leaches out of the steering gear shafts. ( the shaft that the pitman arm attaches to) What seals the shaft to keep oil from coming out or am I putting to much oil in it. How much oil is supposed to be in it. There is a pipe plug in the upper part of the housing that we are putting oil up to. The caps with the adjusters on them to take up slack have got new "o" rings on them. any help would be appreciated.
 
/ Ford 800 steering question #2  
the sector shaft seals are leaking.

check yer FO20 or ford service manual.. should have replaced them when you did the thrust bearings.

In any even, if you don't want to go back in, get a grease fitting that will fit that box plug hole and pump in about 2 tubes of NLGI 00# grease ( it's a soft nearly pourable grease ).. JD stores carry a 'cornhead grease that works. Pump it in till it extrudes out under the steering wheel.

I have a ford service bulletin dated 10-31-1962 that reccomends using grease in the steering boxes to 'compensate' for leaky sector shaft seals.

your choice.. repalc ethe seals and go back in with gear oil ( might still leak if the sector bearing surface is worn ).. or grease it...

soundguy
 
/ Ford 800 steering question
  • Thread Starter
#3  
Are the seals located on the inside or the outside of the casting?
 
/ Ford 800 steering question #4  
Are the seals located on the inside or the outside of the casting?

outboard o fthe bushing ( 5 ), and inboard of the steering arm.. seal is (17 )

yer parts and service manual has this diagram.. I sugest you get one and refer to it to make this easy repair easier.

soundguy
 

Attachments

  • steering.gif
    steering.gif
    46 KB · Views: 1,467
/ Ford 800 steering question
  • Thread Starter
#5  
outboard o fthe bushing ( 5 ), and inboard of the steering arm.. seal is (17 )

yer parts and service manual has this diagram.. I sugest you get one and refer to it to make this easy repair easier.

soundguy

Thanks, I will take a closer look at it in the next day or two, Getting ready to sandblast and epoxy the garage floor.
 
/ Ford 800 steering question #6  
you will like the epoxy paint on the concrete. I acid washed my lania and porch and went with that epoxy paint, and added the traction modifier to it. put 2 coats down, but man that stuff is nice.. kinda of expensive per gallon.. but it makes a superior finish.. mine was epoxy coat.

I have dogs and their cages are on the lania, and their claws can do a good number on paint. so far after a few years the finish still looks like the day I painted it.

soundguy
 
/ Ford 800 steering question
  • Thread Starter
#7  
I am trying to get up about 15 years of oil spots. The epoxy I'm using is Tnemec with a flake over it and a 2 part urethane over that.
 
/ Ford 800 steering question #8  
takes some pics when done... and remember it will be darn slick..

soundguy
 
/ Ford 800 steering question
  • Thread Starter
#9  
Floor is done. I don't know If I will be putting another coat of urethane on it or not. I will wait a couple of days before that decision is made. Putting doen the paint flecks was a real pia.
 
/ Ford 800 steering question #10  
yep.. I decided against it on mine. I did add traction media though.

soundguy
 
 
Top