Ford 1700 - 770 loader - float position

   / Ford 1700 - 770 loader - float position #11  
I'm positive I left in float
 
   / Ford 1700 - 770 loader - float position #12  
Chris,
My loader is a 768 model. I'm guessing very similar to yours. I don't see anything in the owner's manual about maintenance or troubleshooting the float function.

What I've seen doing a little looking today is that the control valves and float detent can get gunked up or rusted. Might need taken apart, cleaned up and lubed. I didn't even know it wasn't lubed by the hydraulic system.

Over the years I've sent a bunch of guys a copy of the loader manual. If you'd like it for a reference, PM me your email address or get it to me somehow. I can't attach it to a TBN message thread.

Bob
 
   / Ford 1700 - 770 loader - float position #13  
Curious how the float position is expected to act on a 770 loader.

I've noticed when using the loader that raising and lowering it is a bit scary because the float position can easily be reached and causes the bucket to jump or drop quickly if I'm not careful.

Should the float position be easy to get to or should it take some force? I've got an old Bolens garden tractor and I have to hit the lever pretty hard to "pop" it into the float position.

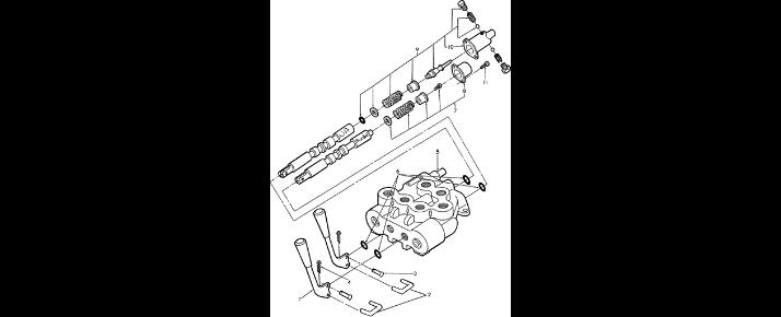
View attachment 295489

If this works, here is a link to the parts breakdown for that controller. You should feel a definite notch when you put it into float.
Official New Holland Online Parts Store and Online Parts Catalog for New Holland and Ford Tractors.
 
   / Ford 1700 - 770 loader - float position #14  
On my 768, it's not easy to accidently go to float. Not difficult, either, just takes a conscious effort.
 
   / Ford 1700 - 770 loader - float position #15  
With my last tractor (NH TZ24DA), I shoved it into float all the time, when trying to get downward pressure from the main rams. It was kind of a pain in the rear. If you're worried about dropping the bucket on your truck bed when dumping a load of dirt or something, I wouldn't worry about that. With the weight in the bucket assisting the drop, you would have to do something really dumb to force it into the float position.

Chris
 
   / Ford 1700 - 770 loader - float position #16  
Curious how the float position is expected to act on a 770 loader.

I've noticed when using the loader that raising and lowering it is a bit scary because the float position can easily be reached and causes the bucket to jump or drop quickly if I'm not careful.

Should the float position be easy to get to or should it take some force? I've got an old Bolens garden tractor and I have to hit the lever pretty hard to "pop" it into the float position.

View attachment 295489

Broken/weak detent spring in the valve , or stuck detent ball ? Maybe the ball got stuck/rusted in the bore when you left it parked in float ?
 

Tractor & Equipment Auctions

2014 Aerway Aerator (A55973)
2014 Aerway...
25 TANDEM DUAL GOOSENECK TRAILER (A55745)
25 TANDEM DUAL...
2013 Chevrolet Express 3500 Passenger Van (A55973)
2013 Chevrolet...
2020 CATERPILLAR 259D3 SKID STEER (A52705)
2020 CATERPILLAR...
2018 RoGator 1100C (A55315)
2018 RoGator 1100C...
2015 Goose Neck Cattle Trailer (A53317)
2015 Goose Neck...
 
Top