KY Gun Geek
Silver Member
- Joined
- Apr 3, 2012
- Messages
- 114
- Location
- Lexington, KY
- Tractor
- JD 5105, JD 5055D, 2 JD 5085M's, JD 5085E, JD 5093E, JD 5115M
A little excitement at the farm yesterday-
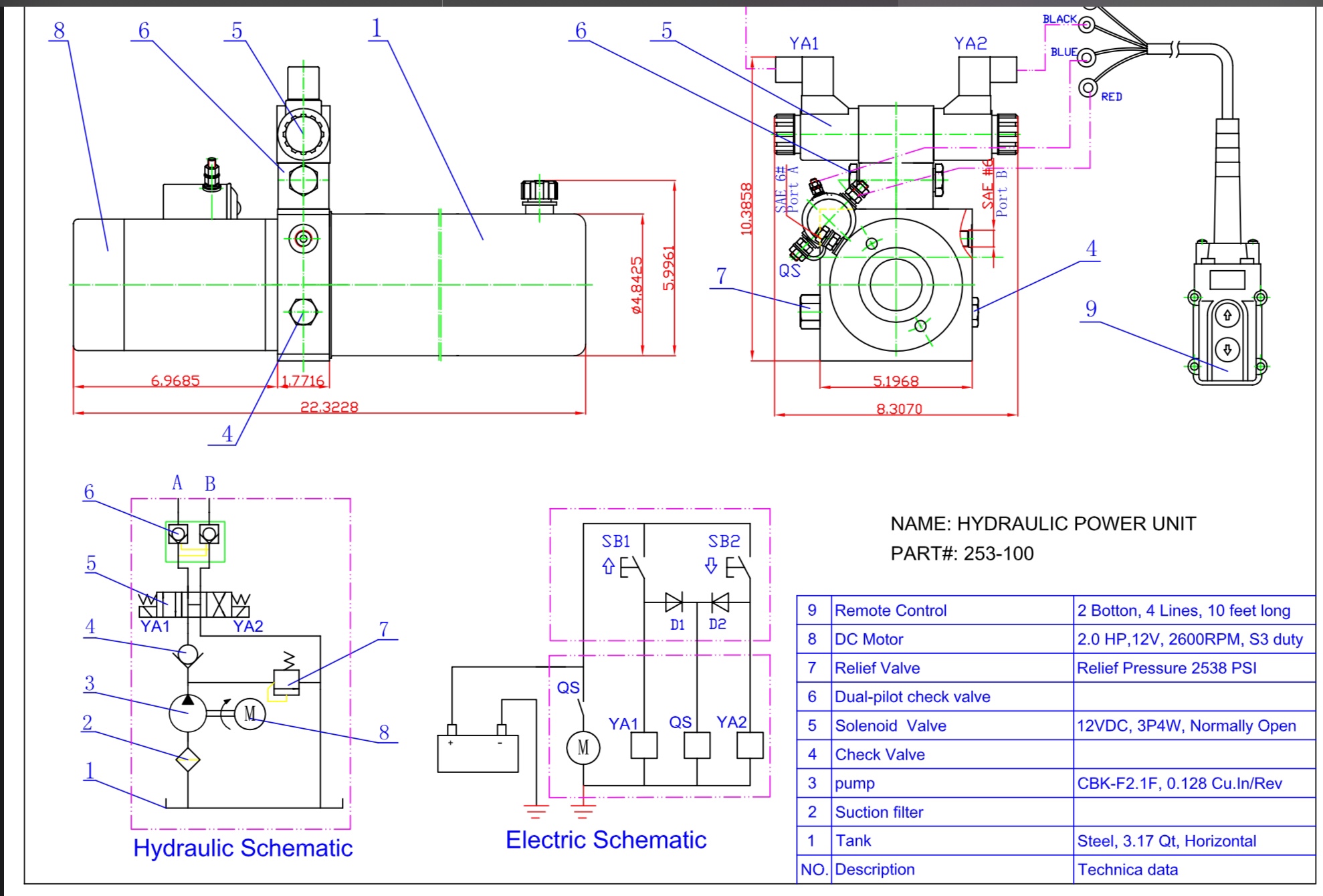
A dump trailer we use to haul muck was being lowered after dumping a load when the bed suddenly dropped about 3 feet. Nice bang, and oil all over the place! I wasn't there so I don't have first hand observation of the failure. Person who was there says there's no more to know than bang and splash.
Preliminary inspection is that the plastic reservoir is ruptured - large split all the way down one side, and, of course oil all over the place in the pump box. I think reservoir is vented, so the build must have been very fast.
The "obvious" resolution is that I need a new reservoir (and believe it or not, the first answer I got from the manufacturers parts department).
However, I got to thinking about this, and I think there's more going on - like something else failed, causing pressure to build to high levels quickly in the reservoir, causing it to rupture. Feels to me like a check valve/flow control in the pump gave way. Could we have lost a seal in a cylinder that back-fed pressure (pressure from gravity on the bed) to the lift side of the pump? If this is true, a new reservoir will fail in a similar way.
These trailers are a little strange to me - they are pressure up, gravity down. But the pump controls the down speed and has to move fluid to fill the back side of the cylinder - the reservoir is engineered so that it does not hold lots of fluid, only the difference between one side of the cylinder and the other (the rod).
Parts guy is doing some investigation, but I thought I would run this by the forum.
The trailer is a Gatormade, 16'. I can't find any manufacturers labels on the pump/reservoir. Best I have is a sticker that says WX-1788. This returns hits on hydraulic pumps when googled, but nothing clearly marked with a manufacturer, manual, etc. and no posts of videos about this being a known issue and what the fix is.
Thanks for your help!
A dump trailer we use to haul muck was being lowered after dumping a load when the bed suddenly dropped about 3 feet. Nice bang, and oil all over the place! I wasn't there so I don't have first hand observation of the failure. Person who was there says there's no more to know than bang and splash.
Preliminary inspection is that the plastic reservoir is ruptured - large split all the way down one side, and, of course oil all over the place in the pump box. I think reservoir is vented, so the build must have been very fast.
The "obvious" resolution is that I need a new reservoir (and believe it or not, the first answer I got from the manufacturers parts department).
However, I got to thinking about this, and I think there's more going on - like something else failed, causing pressure to build to high levels quickly in the reservoir, causing it to rupture. Feels to me like a check valve/flow control in the pump gave way. Could we have lost a seal in a cylinder that back-fed pressure (pressure from gravity on the bed) to the lift side of the pump? If this is true, a new reservoir will fail in a similar way.
These trailers are a little strange to me - they are pressure up, gravity down. But the pump controls the down speed and has to move fluid to fill the back side of the cylinder - the reservoir is engineered so that it does not hold lots of fluid, only the difference between one side of the cylinder and the other (the rod).
Parts guy is doing some investigation, but I thought I would run this by the forum.
The trailer is a Gatormade, 16'. I can't find any manufacturers labels on the pump/reservoir. Best I have is a sticker that says WX-1788. This returns hits on hydraulic pumps when googled, but nothing clearly marked with a manufacturer, manual, etc. and no posts of videos about this being a known issue and what the fix is.
Thanks for your help!
