OP
Kodiak45
Gold Member
- Joined
- Feb 11, 2013
- Messages
- 328
- Location
- SC
- Tractor
- long 2460 - belarus 250 - JD 4230 - Kioti DK40SE
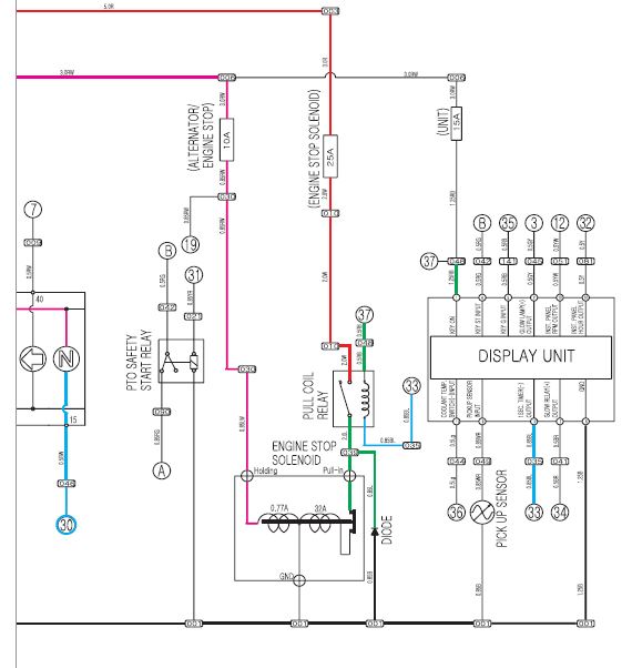
I finally fixed the PTO switch... at least it is working. I began by unplugging the connectors to the solenoid and testing resistance, all checked out fine. Then I went to the relays under the hood and I wasn't sure which relay was for what, so I started with the 70amp, assuming it was for the PTO (and I'm still not sure what that relay is for). After testing the relay and confirming it is working, I got on the tractor to see what was going on when the engine is running and with the relay disconnected and the PTO switch was working!!!! It is the craziest thing but for whatever reason the PTO switch is working now after doing nothing but disconnecting and reconnecting the solenoid... I hate fixes like that as my fear is when is it going to stop working again, probably in the middle of doing some work...
So the next question is what is that 70 amp relay for because I tested everything I could think of with it disconnected and it all worked... 4wd, loader, 3pt, all electrical switches, pto, etc...
Anybody have a clue?
So the next question is what is that 70 amp relay for because I tested everything I could think of with it disconnected and it all worked... 4wd, loader, 3pt, all electrical switches, pto, etc...
Anybody have a clue?





