DK40HST Won't Start.

/ DK40HST Won't Start. #21  
To clarify with the OP: you experience the no start, no crank issue ONLY when the tractor has been running for some time, and is up to operating temp on your dash cluster? When the problem occurs is it consistent in that every time the tractor is at operating temp it will not crank over the engine? If you try to start the engine, then turn the key completely off, then try again does it then crank? If it will not start are you ever able to get it to start by trying the key switch numerous times?

I seem to have noticed in your thread about a rake/tool carrier that your tractor looked like it had a lot of red clay looking material on the operating station mat? Is that a fine dust? If so, I'm wondering if it may have gotten into some of the relays or the cruise control connection wiring and might cause the issue you experience when things under the hood get hot? I know it's a long shot, but stranger things have happened. If it is within the realm of possibility, I suggest using compressed air and electrical contact cleaner to insure no dirt, etc. is interfering with good clean electrical connections.
 
/ DK40HST Won't Start.
  • Thread Starter
#22  
To clarify with the OP: you experience the no start, no crank issue ONLY when the tractor has been running for some time, and is up to operating temp on your dash cluster? When the problem occurs is it consistent in that every time the tractor is at operating temp it will not crank over the engine? If you try to start the engine, then turn the key completely off, then try again does it then crank? If it will not start are you ever able to get it to start by trying the key switch numerous times?

I seem to have noticed in your thread about a rake/tool carrier that your tractor looked like it had a lot of red clay looking material on the operating station mat? Is that a fine dust? If so, I'm wondering if it may have gotten into some of the relays or the cruise control connection wiring and might cause the issue you experience when things under the hood get hot? I know it's a long shot, but stranger things have happened. If it is within the realm of possibility, I suggest using compressed air and electrical contact cleaner to insure no dirt, etc. is interfering with good clean electrical connections.

I have tried the Key switch numerous times when the operating temp is at normal range. Still no crank. when I disconnect the connector at the relay and place a short wire into the to large wires in the connector the motor turns over and starts up. At least I am not dead in the water. Where is the conector for the cruise module? under or behind the dash?
 
/ DK40HST Won't Start.
  • Thread Starter
#23  
The dealer just called and is sending me out a new ignition switch and a new relay. I don't think it is either one but it will be nice to have spare parts.
 
/ DK40HST Won't Start. #24  
I have tried the Key switch numerous times when the operating temp is at normal range. Still no crank. when I disconnect the connector at the relay and place a short wire into the to large wires in the connector the motor turns over and starts up. At least I am not dead in the water. Where is the conector for the cruise module? under or behind the dash?

I believe it is on the firewall with the relays toward the middle - larger black box...
 
/ DK40HST Won't Start. #25  
The start relay coil is inside the relay. These relays generally have 5 electrical connections: (1) normally closed contact (opens when energized) (3) normally open contact (closes when energized), (1) center contact (switches from NC to NO contact when the coil is energized, and two connections for the coil. The coil closes the NO contacts regardless which way the current flows through the coil but the wiring harness/connector establishes one end of the coil as the 12v side and the other as the ground side.
 
/ DK40HST Won't Start. #26  
Ok so the switch is on the range selector. Is it a standard grounding switch that has a button the lever pushes down when put in neutral? pretty common for these type switches to go out.

It would be nice if it were that simple. As another poster described, there is a potentiometer (variable resistor) mechanically linked to the gear range selector. The cruise module decides you are in neutral when it sees certain voltages from that potentiometer. If cruise module decides you are in neutral it is supposed to turn on the neutral light on the instrument panel and also provide the ground path for the start relay (providing the cruise module also thinks the PTO is disengaged).

At least one other Kioti owner on TBN had a failed cruise module but I think his neutral light wouldn't light even though his potentiometer voltages were correct.
 
/ DK40HST Won't Start.
  • Thread Starter
#27  
I have a neutral light. I have to go to work until Friday, and I will tackle this when I get home.

Thanks All!!!
Nick
 
/ DK40HST Won't Start. #28  
The cruise module is under the floorboard about where you left foot would be when operating the tractor.
 
/ DK40HST Won't Start. #30  
That's the display unit. Cruise module is where James said.

Thanks for reminding me, it's been a while. Now I remember they picked a great location for a sensitive control like the cruise module; under the floorboard where it's never going to encounter adverse conditions, like water, mud, snow or dust/dirt.:confused2:
 
/ DK40HST Won't Start. #31  
Thanks for reminding me, it's been a while. Now I remember they picked a great location for a sensitive control like the cruise module; under the floorboard where it's never going to encounter adverse conditions, like water, mud, snow or dust/dirt.:confused2:

Know what you mean, but it is sealed pretty good.
 
/ DK40HST Won't Start. #32  
Yeah, 'till it gets hit by a branch or stump, or has to swim; like when I couldn't get out of my property line ditch/stream with my brush hog in tow, and had to wait till the next day to get towed out, hoping the water didn't rise high enough to get into critical systems and maybe even my trans or engine.... I lucked out that time.
 
/ DK40HST Won't Start. #33  
does it have a pto safety switch? The Mahindra must have the pto in the off position to start.
 
/ DK40HST Won't Start. #34  
does it have a pto safety switch? The Mahindra must have the pto in the off position to start.

Yes, there is a PTO engage switch and a manual /auto PTO switch too. The PTO switch MUST be off for the tractor to start. It will never start if the PTO is engaged. Same with the range lever on the HST, it must be in either neutral position, and the potentiometer that reads neutral position must read the transmission as being in neutral. These safeties pass through the cruise control module, and if everything reads right, and only then, will the entire start circuit be closed, allowing the starter to crank, etc. Otherwise no start. Their are other items like fuses, ignition switches, etc. that can also lead to a no crank or no fuel delivery, hence a no start condition too. Each item must be ruled out by logical circuit troubleshooting. Verify, then replace, as indicated.
 
/ DK40HST Won't Start. #35  
do these switches only allow the starter to crank or do they prevent the fuel solenoid and other things needed to start as well? If it's only the starter, then the OP would be able to jump it as he has been doing.
 
/ DK40HST Won't Start. #36  
do these switches only allow the starter to crank or do they prevent the fuel solenoid and other things needed to start as well? If it's only the starter, then the OP would be able to jump it as he has been doing.

Only the starter. There are no actual switches (except the key switch). The cruise unit senses the voltage from the gear range potentiometer and the voltage from the PTO switch and connects the ground-side of the start relay to chassis ground if (and only if) the cruise unit is working and it decides the shifter is in neutral and it thinks the PTO is off.
 
/ DK40HST Won't Start. #37  
This thread is making me glad I went with the basic CK. No complicated electrical system to fail there. The dealer disconnected every safety switch except the clutch to start one, the cruise is mechanical, as is the 4WD and PTO engagement. I'm left with the iffy fuel gauge (stays at full, then races through its range, floats at empty). As long as I don't mess something up with my lighting, I'm good to go:cool:
 
/ DK40HST Won't Start. #38  
This thread is making me glad I went with the basic CK. No complicated electrical system to fail there. The dealer disconnected every safety switch except the clutch to start one, the cruise is mechanical, as is the 4WD and PTO engagement. I'm left with the iffy fuel gauge (stays at full, then races through its range, floats at empty). As long as I don't mess something up with my lighting, I'm good to go:cool:
Not to beat you up here but I would not broad cast to much about how your dealer disconnected safety switches.
 
/ DK40HST Won't Start.
  • Thread Starter
#39  
OK, I am back home from work. I changed all my fluids yesterday cause I have 85 hours. I checked the cruise module connectors and they seemed fine. In fact, the module and all the connectors under the tractor were clean and free of dirt and mud. I checked the relays and they are fine. I also noticed while messing around that when the tractor wont turn over the battery light doesn't illuminate on the dash. Should it all way's come on when the ignition is turned on? On a side note. you all were not kidding about the filters on the tractor. Holy crap were they on their tight! I used a strap wrench that I bought at Home Depot made by HUSKY. It worked like a charm. Just kept as much pressure on it as possible and she sun off without having to remove the rear wheel or using screw drivers.

Nick
 
/ DK40HST Won't Start. #40  
... I also noticed while messing around that when the tractor wont turn over the battery light doesn't illuminate on the dash. Should it all way's come on when the ignition is turned on? ...

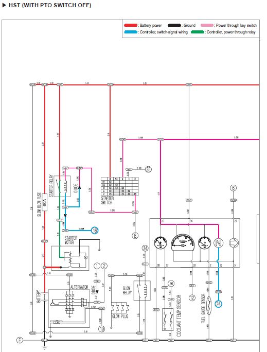
Now this is interesting and it also points to a sick cruise unit. When the key is on and the alternator isn't turning, you should always get a battery/alternator light. Assuming your DK40SE schematic is the same as an EX schematic (and I think it is), the circuit for this indicator light is dirt simple except the ground for the light, comes from the cruise unit.

http://kioti.dyndns.org/ex_Schematic.pdf

So I think Nick has a cruise unit that fails to provide the ground for the battery light and also fails to provide the ground for the start relay when the cruise unit/module gets hot. It would be nice to take voltage readings at the cruise unit connector during the failure mode, but that's hard to do given the unit location and sealing of that connector.

I predict that the new switch and relay from the dealer will make no difference. I think we know enough to recommend replacing the cruise unit. See if you can get the dealer to send a new cruise unit.
 

Marketplace Items

2015 Ford F-450 4x4 Crew Cab Utility Flatbed Truck (A61573)
2015 Ford F-450...
UNUSED SDLANCH 14' BI-PARTING IRON GATE (A64281)
UNUSED SDLANCH 14'...
1999 22ft Sea Ray Boat w/ 2015 23ft Shorelander T/A Boat Trailer (A61574)
1999 22ft Sea Ray...
2013 International WorkStar 7400 4x4 Altec AM650 50ft Material Handling Insulated Bucket Truck (A59230)
2013 International...
PALLET OF AMMO BOXES (A64281)
PALLET OF AMMO...
ATS Mini Excavator (A66285)
ATS Mini Excavator...
 
Top