Another Kioti "Won't Start" Thread

   / Another Kioti "Won't Start" Thread #21  
Check the main fuses for corrosion or looseness. My tractor was a month old to me and this happen. One of the main fuses wasn't seated correctly causing a poor electrical connection. A poor electrical connect results in high electrical resistant at the contacts. High resistant will cause a higher then normal voltage drop at the connection. This will cause devices further in circuit to not get the require voltage or amperage needed causing strange behavior. You may need check all the electrical connections. If you know how to use a VOM you can check the voltage feeds at the glow plugs and injectors(I don't remember if the injector are electrical or mechanical).
 
   / Another Kioti "Won't Start" Thread
  • Thread Starter
#22  
As an update -

I was able to get back to the tractor this week. (It is located in another state, so I have to plan my time at the rural property).

I checked the 3 relays (Ignition, Preheat and Engine Stop) with the meter and each showed the correct readings per the manual.

Cleaned the ground connection.

I replaced the key switch. The old switch gave the correct readings, but I had brought a new one so I replaced.

I was able to trace the loud "buzzer noise" (not a click) prior to start to the Engine Stop Solenoid. As soon as you activate the key switch the engine stop solenoid sounds like an old door buzzer.

I removed the solenoid and examined. Both the connector and the plug looked fine.

I need to check these two items with the meter, but wanted to see if anyone has had a bad engine stop solenoid?

I am able to turn the tractor over and engage the engine. If it starts, it will run for about 15 seconds and then promptly stop.

Any thoughts? If guessing, is my problem between the relay and solenoid plug or is the issue the solenoid itself.

The reason I am asking is - being a remote property, I need to make sure I bring all potential parts with me. I did not bring a engine stop solenoid this trip. (thought for sure it was the key switch).

All help appreciated.
 
   / Another Kioti "Won't Start" Thread #23  
I'd like to suggest you go back to the beginning and follow through each step you've confirmed beginning with the battery. It is new and you've tested it off the tractor with a load tester, yes?
You've cleaned and tightened each part of the grounding cable and positive cable from the battery through to its final destination on the tractor, yes? All along each battery cable is secure with no cracks, burn marks, etc., yes?
You've chosen to remove and replace the ignition switch with a new one, yes?
You've changed the fuel filter and bled off the air, yes? You made sure when doing so that the shut off handle is where it's supposed to be, yes?

Regarding the glow plug circuit have you verified it is working properly?
When you turn on the key to the glow plug activation position does the light come on and then go off when the timer makes the switch open?
If the answer to the last question is no then you need to verify that the circuit is functioning as designed to. The relay is the big one on the firewall and it is referred to as a display unit by Kioti in their parts database. It makes the glow plug circuit function to help start in colder weather and consists of both a relay AND a timer to cut in or out as needed based on temperature of the engine, etc.
I just had mine replaced under warranty because the tractor would crank and crank and not start even in warm temps. I had to try to glow the tractor even though the light would not come on for the glow plugs, (when it had sat outside long enough to require assistance from the glow plug circuit). I know these are not your exact symptoms, but sometimes a circuit/relay may be faulty and render different symptoms for different reasons, for instance my timer may have flaked and your relay coil may have flaked...
Anyway, I would also suggest you post where your tractor is located, (state, town...) there may be people on the forum near you who could assist you in getting it running. Second pair of hands/eyes, etc.
And what about your dealer? Has he been of any help in assisting you to date? You might be able to get him to loan you some parts to try to assist in fixing the problem.
Anyway, one has to be methodical in their approach otherwise it is an exercise in futility jumping from one thing to the next.
Post back the remainder of your troubleshooting process to date so people can follow the logic and advise accordingly.
 
   / Another Kioti "Won't Start" Thread #24  
The first relay click is the fuel relay, the clap being the solenoid, the third click is the glow relay. From what you described, it sounds like the fuel solenoid relay is faulty. You shouldn't be hearing a buzzing noise (first noise described). Either the relay isn't seeing the 12 volts it needs to completely engage, therefore cutting the signal voltage to the solenoid, or the relay is faulty. You can check for 12 volts at the base of the relay coil. If you have 12 volts, then it would probably be a faulty relay. The coil just isn't holding.

Hope this helps
 
   / Another Kioti "Won't Start" Thread #25  
Just a follow on thought. There are 2 coils in the fuel shutoff solenoid. The "pull" coil is what is controlled by the relay, with a signal from the display unit. The pull coil is only powered for a short time - 1.5 seconds. The "hold" coil keeps the solenoid in the pull position until power is cut by the key switch. We point this out since it is possible to hear the clap of the fuel solenoid pulling, but then it shuts back off if the hold coil either isn't getting voltage or the coil is faulty. It isn't hard to tell. After hearing the initial pull clap, you would be able to hear a soft click if the hold coil isn't doing it's thing.
 
   / Another Kioti "Won't Start" Thread #26  
Just a follow on thought. There are 2 coils in the fuel shutoff solenoid. The "pull" coil is what is controlled by the relay, with a signal from the display unit. The pull coil is only powered for a short time - 1.5 seconds. The "hold" coil keeps the solenoid in the pull position until power is cut by the key switch. We point this out since it is possible to hear the clap of the fuel solenoid pulling, but then it shuts back off if the hold coil either isn't getting voltage or the coil is faulty. It isn't hard to tell. After hearing the initial pull clap, you would be able to hear a soft click if the hold coil isn't doing it's thing.

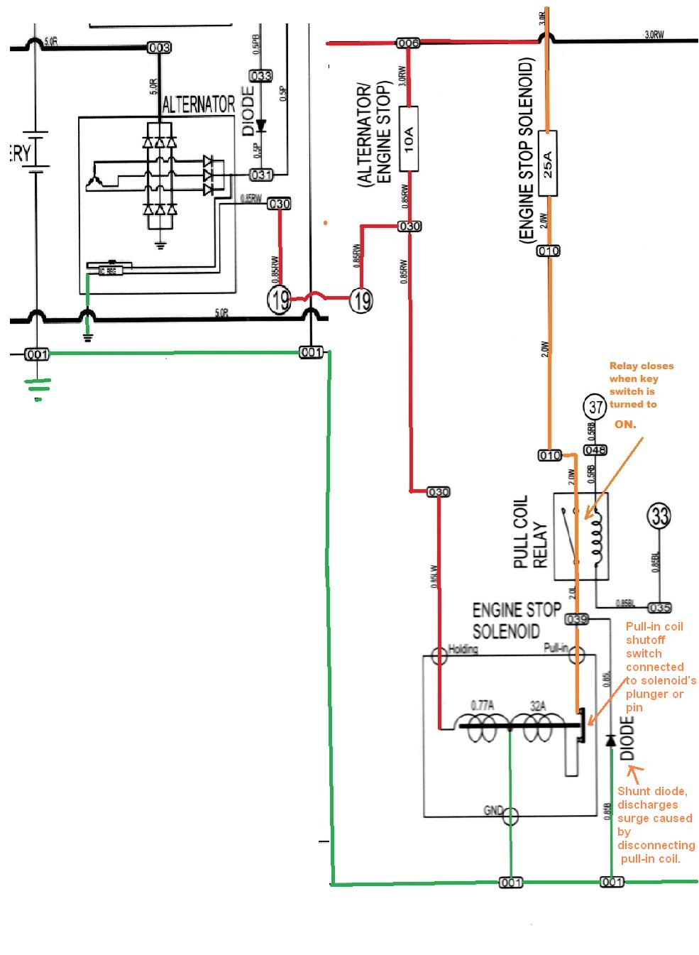
Attached is the circuit and solenoid MichiganIron is discussing. But I wonder if this is what's causing the buzzing. If the holding coil is not working (shorted or open) the solenoid plunger would move back into the non running position re-engaging (closing the pull-in coil switch in the solenoid, see diagram) the pull-in coil and starting the cycle again? What I have not reviewed is precisely how the pull coil relay is controlled, but I don't see anything in solenoid circuit that would cause the relay to open if the solenoid plunger returned to the non-running position.

Another note: if I'm correct the diode in the circuit is a shunt diode that will discharge to ground the large surge caused by disconnecting the high AMP pull-in coil (it rated @ 32Amps). If this diode goes bad (burns open) this can allows the surge to jump back through (yes, it will jump the small gap in the pull coil relay) to the main power feed circuit causing other problems and possibility damaging another electronic in the tractor. This surge if it happen enough times can damage pull coil relay. From the diagram I cannot tell if the diode is part of the engine stop solenoid or is separate.
 

Attachments

  • Engine Stop Solenoid Circuit.jpg
    Engine Stop Solenoid Circuit.jpg
    102.8 KB · Views: 9,173
Last edited:
   / Another Kioti "Won't Start" Thread #27  
If what I see in the diagram is correct, it seems the diode that shunts excess voltage to ground is in between the pull in coil and the engine stop relay and dumps the excess voltage when the engine stop relay's pin/plunger is de-energized, thus protecting the pull in coil from damage?

I could be wrong here but that is what I see in the diagram. Hope it is of use.
Would be nice to hear from the op as to some of the questions posed regarding location, dealer assistance, etc. :)
 
   / Another Kioti "Won't Start" Thread
  • Thread Starter
#28  
Coyote/Michigan/Kattywumus - Thanks for the excellent information and assistance.

My earlier analysis pointed me to the engine stop relay/engine stop solenoid.

I had tested the voltage at the battery, cleaned the ground (it will now burn your eyes if you stare at it too long), put a meter to the three relays, tested voltage at the relays and replaced the key switch. All of those procedures did not fix the issue. Fuel and filters are also not an issue.

I then took the engine stop solenoid out and checked it function while turning the key switch. The engine stop solenoid vibrates and buzzes in my had when I activate the switch.

I am getting the first "click", no problems. I am getting the glow plug timer and "click", no probelms. The tractor will turn over and start but then run for anywhere from 15 seconds to 2 minutes before a hard shutdown.

I was able to put a meter on the relay today and am getting 12v at the relay, so I believe the relay is bad. I also put the meter on the solenoid (removed from tractor) and did not like the resistance readings. They were not in line with the shop manual.

Looks like I will be ordering some parts.

As far as my dealer, he is no longer in business with Kioti. He was not moving the 8-9 tractors a year, so they pulled the dealership from him. He requested to be just a parts and service shop, but he informed me that Kioti would not let him do this.

My rural property is near Henderson, NC. The next closest dealer is not worth the drive unless I can't figure it out on my own. (With help from Tractorbynet users who are a whole lot smarter than I) .

I live in Texas which makes things I bit more challenging when planning to do some tractor/property work in NC.

Thanks for all of the help. I really appreciate it. MichiganIron - I will give your shop a call and see about ordering some parts.
 
   / Another Kioti "Won't Start" Thread #29  
I then took the engine stop solenoid out and checked it function while turning the key switch. The engine stop solenoid vibrates and buzzes in my had when I activate the switch.

Mmm, I think I'm going to purchase a spare solenoid and maybe a relay.
 
   / Another Kioti "Won't Start" Thread #30  
If the coil resistance is high, you've found your problem. Should be very low.
 

Tractor & Equipment Auctions

10' HYD GRADER BLADE (A57192)
10' HYD GRADER...
UNUSED FUTURE 24" HYD TILT EXCAVATOR BUCKET (A57193)
UNUSED FUTURE 24"...
UNUSED FUTURE JBD 32" HYD MIXING BUCKET (A57193)
UNUSED FUTURE JBD...
2007 Ford Expedition EL Limited 4x4 SUV (A53424)
2007 Ford...
2017 Chevrolet Tahoe SUV (A55853)
2017 Chevrolet...
(2) SPACE-RAY INFRARED HEATERS, INDUSTRIAL (A57192)
(2) SPACE-RAY...
 
Top