another 4300 design flaw!

/ another 4300 design flaw! #1  

defed

Gold Member
Joined
Feb 5, 2010
Messages
389
Location
WNY, USA
and don't even try to tell me that THIS one is NOT a flaw!!! i've read about it before, and now it happened to me.

today i was helping my brother move some dirt w/ the box blade. when finished, and the tractor sat for awhile, i found a puddle of oil under the front final drive. great, another seal leak i figure. luckily, it was just the bottom plug for the front final drive got pushed inward, causing it to leak.

the only time i can think that it happened was when i had some piles in a line, i straddled them to level them the opposite way, and the front end got hung up when the tires sunk into the pile. i presume the weight of the front end pushing down on the piles forced the plug in.

i don't think the cap is damaged, but i plan to get a new one. i'll pull the old one out from the outside and install the new one. to save the plug and the $9 it costs, i could remove the hub and push it out, but then i have to reseal the hub, more work.

there should be something solid under this area to protect this from getting damaged. it doesn't seem like it is difficult for something to hit that area. i plan to try to figure out a way to guard it...i don't think it will be hard to do, just difficult to make it look pretty.
 
/ another 4300 design flaw! #2  
I guess you should get rid of that machine and get something else...just to many "design flaws". Good luck finding the perfect machine.:confused::confused2:
 
/ another 4300 design flaw!
  • Thread Starter
#3  
they all have their faults...just irritating when some engineer sitting there drawing this stuff up never thinks about the consequences of a friction fit plug in a downward facing cylinder...and that it wouldn't be that hard to at least add some shielding to it.

i was in 4wd all day, and there was no way to know it was leaking. it could have drained empty and i wouldn't have known it, then i'm running w/ no oil, and then something else more severe breaks, just because the design engines have alot of book smarts but not much 'farmer sense'. heck, it could be possible to completely lose that plug w/o knowing it, then you could run dry for days...who checks their front axle fluid every time they use their tractor? i don't unless i see a leak...but maybe i need to start!
 
/ another 4300 design flaw!
  • Thread Starter
#4  
and while, yes, this is a complaining thread, it's also a 'just keep an eye on this because it's easier to do than i thought' thread.
 
/ another 4300 design flaw! #5  
There was an "under armor" kit availible for the 4xxx series way back when. IIRC, it cost about $1400-$1500.
 
/ another 4300 design flaw! #6  
I'm trying to understand the OP's complaint.. is the problem "plug" one of the drain plugs on the bottom of the planetary drives adjacent to the wheel/rim assembly?

And it's a friction fit plug? Really....? Not an allen-headed or hex headed screw? That's hard to imagine.

IIRC - when I changed out the front differential hyd oil on my JD 970 (1994 model) the drain plugs on the bottom of both planetary drives were allen-head screws.

Smaller versions of the screws that I found on my 2008 JD 110.

How could it be that a newer model JD tractor - 4300 - could have "push in plugs"?

I must be missing something...

AKfish
 
/ another 4300 design flaw! #7  
Does sound fishy :)

:D

AK is right, it is a screw-in plug that takes an allen wrench to turn out. Maybe the design flaw is that this plug doesn't have a square head that defed can put an adjustable wrench or open-end wrench on to tighten or turn out.
Here is where it is located, and identified as "drain plug".
 

Attachments

  • Frt_axle.JPG
    Frt_axle.JPG
    81 KB · Views: 303
Last edited:
/ another 4300 design flaw! #8  
and don't even try to tell me that THIS one is NOT a flaw!!!

It is not a flaw. The 4300 is a tractor not a bulldozer! The weight of the tractor is suppose to be on the wheels not the belly. The only design flaw complaint I have is that when you have a FEL and a front blade, the brackets for the front blade have to be removed before the FEL can be mounted. If they had designed the brackets just a 1/2 inch shorter the loader would mount. Guess the engineers in the John Deere FEL dept. don't talk to the engineers in the front blade dept. :confused:
 
/ another 4300 design flaw! #9  
Defed, you're not supposed to run over things with your tractor. Ask me how I know. So you're describing operator error, not a design flaw.
 
/ another 4300 design flaw! #10  
My 4200 has Allen headed drain bolts on the front wheel drives. Both have had the Allen head portion stripped prior to my getting the tractor.:(

The two replacement plugs are in a little container downstairs waiting for me to get ambitious.:D
 
/ another 4300 design flaw! #11  
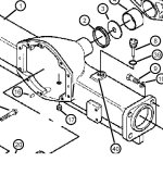
Perhaps he is talking about part 20 here:
 

Attachments

  • MP39803________UN04JUN07.gif
    MP39803________UN04JUN07.gif
    25.6 KB · Views: 292
/ another 4300 design flaw!
  • Thread Starter
#12  
exactly right Cocre. the plug just pushes in, with some sealant. there is no stop to 'bottom it out' on

i understand that it is not a bulldozer, and it is not a tank, but it IS a tractor. i should be able to drive over a pile of dirt (straddle it) and not experience a potentially catastrophic front end leak.

it would have relatively simple to design the final drive housing with a shoulder that the plug would contact, so then it could withstand SOME pressure on it. as it is, it can just push in until it hits the kingpin with very little pressure. better yet, it would have been simple to make a solid cap to fit over it.

now, i have not studied it closely yet. it looks like it just got pushed in, but it could be crushed. if it's crushed, that's ALMOST understandable. but they could have still put a piece of 4" round steel over the bottom.

i plan to make some guards for it, will post pics if i get it to come out decent!
 
/ another 4300 design flaw!
  • Thread Starter
#13  
this 4300 is cursed!

got the new cap - manual calls it the "final drive housing spindle cap"...got the old one out pretty easy (not crushed, just pushed in), dry fit the new one, no problem, applied sealant, went to fit it back in, and i can't get the stupid thing to go in correctly. granted, if i had a 3" diameter seal driver, it would have been easier, but the last one i did went in real easy. hopefully it seals.

the one i removed is the same style as the new one, but the one on the other side is different. looks heavier and seems to seat differently. apparently the replacement caps aren't the same as the factory ones. the one that got pushed in is the same side that i took apart to fix a seal, and it looked as if it had been apart before then, so they must have put that new style cap on then.

then, i find some metal filings in the oil i drained from that one final drive. already drained it 2x w/o finding any, so not sure where that is now coming from. drained the rest of the oil, and walked out to look for something...when i come back, oil all over the floor. my drain pain had a crack 1/2 down!

nothing went easy except buying the new cap and removing the old one.
 
/ another 4300 design flaw!
  • Thread Starter
#15  
Does the local JD dealer have an exorcist on staff? :D

i'll check JD parts!

i'll put some oil in tomorrow and see if she seals. it shouldn't, but with the way this simple job went, it won't surprise me to see it drip.
 
Last edited:
/ another 4300 design flaw!
  • Thread Starter
#16  
there is not as much space, vertically, on the final drive housing as i thought...a cap is going to be a challenge. my idea needed more room than i have.
 
/ another 4300 design flaw! #17  
this 4300 is cursed!

got the new cap - manual calls it the "final drive housing spindle cap"...got the old one out pretty easy (not crushed, just pushed in), dry fit the new one, no problem, applied sealant, went to fit it back in, and i can't get the stupid thing to go in correctly. granted, if i had a 3" diameter seal driver, it would have been easier, but the last one i did went in real easy. hopefully it seals.

the one i removed is the same style as the new one, but the one on the other side is different. looks heavier and seems to seat differently. apparently the replacement caps aren't the same as the factory ones. the one that got pushed in is the same side that i took apart to fix a seal, and it looked as if it had been apart before then, so they must have put that new style cap on then.

then, i find some metal filings in the oil i drained from that one final drive. already drained it 2x w/o finding any, so not sure where that is now coming from. drained the rest of the oil, and walked out to look for something...when i come back, oil all over the floor. my drain pain had a crack 1/2 down!

nothing went easy except buying the new cap and removing the old one.

So JD has changed the part and that elicits more complaints. And whose fault is it that you don't have the proper seal & bushing driver? Deere & Kubota both used that design on thousands of tractors, I have never seen one of those caps fail. If you can get the rest of these guys to believe that a pile of dirt wrecked it, so be it. I don't.
 
/ another 4300 design flaw! #18  
Too many of you men are bashing defed... He bought a tractor he's not used to and maybe being a bit cautious. Plus, being a used 4300, it's likely got a few flaws here and there. I saw the pictures of it (on Machinefinder.com) before he bought it. Decent tractor, but not a jewel.
However, the 4300 and such, although fine tractors (one of Deere's best efforts, IMHO), it's not a farm tractor. My guess is the market was local landscapers, rental companies and "gentlemen farmers" with little "in the woods" work expected. Hence, the exposed turn signals and other such things. One long time criticism was the vunerable underside (I read about this when those tractors were current product) which lead to a number of ripped hydraulic hoses, wiring and eventually led to the underamor kit to protect the "belly of the beast".
 
/ another 4300 design flaw! #19  
Too many of you men are bashing defed... He bought a tractor he's not used to and maybe being a bit cautious. Plus, being a used 4300, it's likely got a few flaws here and there. I saw the pictures of it (on Machinefinder.com) before he bought it. Decent tractor, but not a jewel.
However, the 4300 and such, although fine tractors (one of Deere's best efforts, IMHO), it's not a farm tractor. My guess is the market was local landscapers, rental companies and "gentlemen farmers" with little "in the woods" work expected. Hence, the exposed turn signals and other such things. One long time criticism was the vunerable underside (I read about this when those tractors were current product) which lead to a number of ripped hydraulic hoses, wiring and eventually led to the underamor kit to protect the "belly of the beast".
Nice post Roy, too many of us buy something, use it as it was not intended and are disappointed. Some of us modify to suit our needs and others cuss the engineers. Those guys have restrictions too and probably shake their heads at what they are forced to produce. After all we all are human..................
 
/ another 4300 design flaw!
  • Thread Starter
#20  
So JD has changed the part and that elicits more complaints. And whose fault is it that you don't have the proper seal & bushing driver? Deere & Kubota both used that design on thousands of tractors, I have never seen one of those caps fail. If you can get the rest of these guys to believe that a pile of dirt wrecked it, so be it. I don't.

never said it was anyone's fault that i had trouble replacing the cap, except for the fact that it shouldn't be so easy to damage and shouldn't have needed to do it in the 1st place. you can believe what you want, but the simple physics of the matter is, if anything comes in contact w/ the cap, it CAN get pushed in. even driving on an uneven pile where the wheel is at the low end and the pile tapers upward under the tractor. and to purposely put an open hole w/ a friction cap, pointing straight down, exposed to potential damage, seems like a flaw....which was the original intent of the whole post.

brush hogging, lots of limbs/stubs on the ground. i can see one hitting the cap and pushing it up. the original cap was not damaged, just got pushed up and unseated.
 

Marketplace Items

2012 MERTZ FRAC MANIFOLD TRAILER (A67714)
2012 MERTZ FRAC...
2021 Spapperi 3pt 2 Row Transplanter (A64911)
2021 Spapperi 3pt...
2020 Chevrolet Tahoe (A68183)
2020 Chevrolet...
225/70R16 Tires - Set of 4 (A68134)
225/70R16 Tires -...
2013 WINSTON AP22024AL-DC T/A 24FT TRAILER (A66091)
2013 WINSTON...
2001 John Deere 7710 (A64911)
2001 John Deere...
 
Top