joea99
Platinum Member
As I finally close in on finishing the Top and Tilt add, I think I want to convert my mechanical thumb to hydraulic. I found several threads here on exactly that, so I got the gist of it.
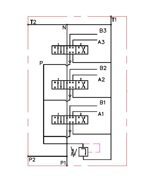
I ordered a single spool open center mono block valve, with power beyond, from Summit, thinking to use that. After some thought, planned on mounting it on backhoe, "in line" with the existing BH lines (before or after seems to be just a matter of my convenience), but, since this valve requires a Tank line, I paused realizing the BH itself has no Tank line. That seems to be done in conjunction with the 3pt hitch "maze o' stuff" where I see what appear to be two Tank lines. I guess to do with selector position. Not great at reading hydraulic schematics.
While can run a Tank line (gotta add one anyway for the TNT) and just use two smaller Quick Couplers for when I need to dismount it, it "would be nice" to find a valve that does not require a direct tank line.
Is there such a thing? I was gonna refresh myself on open center vs closed center but am having too much fun playing with fire in the form of plasma cutting and mig welding the valve mount. I'll hold off on the bulkhead until I figure out if I want to allow for a future coupler, based on what I hear back.
I even hear of people adding a section to the BH modular (?) valve, but that seems WAY beyond my skills and budget.
I ordered a single spool open center mono block valve, with power beyond, from Summit, thinking to use that. After some thought, planned on mounting it on backhoe, "in line" with the existing BH lines (before or after seems to be just a matter of my convenience), but, since this valve requires a Tank line, I paused realizing the BH itself has no Tank line. That seems to be done in conjunction with the 3pt hitch "maze o' stuff" where I see what appear to be two Tank lines. I guess to do with selector position. Not great at reading hydraulic schematics.
While can run a Tank line (gotta add one anyway for the TNT) and just use two smaller Quick Couplers for when I need to dismount it, it "would be nice" to find a valve that does not require a direct tank line.
Is there such a thing? I was gonna refresh myself on open center vs closed center but am having too much fun playing with fire in the form of plasma cutting and mig welding the valve mount. I'll hold off on the bulkhead until I figure out if I want to allow for a future coupler, based on what I hear back.
I even hear of people adding a section to the BH modular (?) valve, but that seems WAY beyond my skills and budget.
