Snow 59 blower

   / 59 blower #11  
for some reason, i couldn't find the mounting parts on JD, but when i went to the dealer to ask, he got it right up, and now i can find it myself...either typed something wrong the time i tried or something wasn't working at that time.

i just saw something stating this about the blowers:

this WILL NOT fit with 900 series/1400 series John Deere front mount mowers...different PTO set up/direction/ and mounting.

It WILL FIT John Deere models42/43/4400- 42/43/4410 series, 31/33/35/3720 series compact utility tractors along with model 790.

i think that the one shown w/ that description is the old style. so the next question is this...is the new style just an upgrade to the old style, or does the new style only fit a select few models? in other words, will any tractor that can accept the old style also accept the new style?

i'm thinking that if skid-kid has the old style mount that would fit my 4300 (i can't tell from his pics) and it fits his 3320, then the reverse should be true....the new style for the 3320 would also fit the 4300. too bad they can't just make everything the same!
 
   / 59 blower
  • Thread Starter
#12  
defed,

If what you have doesn't work on the 4300 and what I have will maybe we could work something out. When I looked in JD parts they do not show the hitch I have for the 3320 just the 4000 series. Some say that I may have an older hitch for the 3320 but if it is an older hitch they don't show it at all on the parts diagrams just the front three point set up. And the only front three point setup for the 4300 that I found in the JD parts was listed as European. Maybe I am missing something but that is what I found.
 
   / 59 blower #13  
i thought about offering a swap w/ you if it wouldn't work on my 4300. but then again, like you said, what you have may fit your 3320 and still not fit the 4300. like you, i can't find alot of GOOD pics of the different mounts. i do only see the 3 pt setup listed on JD for the 3x20's.

from what i can tell, the one for the 4300 is similar to the quick attach system on alot of garden tractors. just a couple of latches that hang down from the frame to lock onto the blower frame.

i haven't bought the blower yet, as i don't want to spend a couple thousand and have to make/buy alot of stuff to attach it.

i see you are in western PA, i am near buffalo, NY. maybe not too far from each other.
 
   / 59 blower #14  
after some more searching, i have found similar statements to the one that i previously posted about what models it will fit, but these other ones are more like....it will fit 3x20 and 4x00 tractors, WITH the correct attaching hardware. then they state that the mount they have with the blower will ONLY fit 3x20.

guess i can't justify spending $2k+ and then having to modify all sorts of stuff to make it work...unless i knew that what skid kid had was what i needed and we traded. my problem will be solved for me when it gets sold before i make a decision! :laughing:
 
   / 59 blower #15  
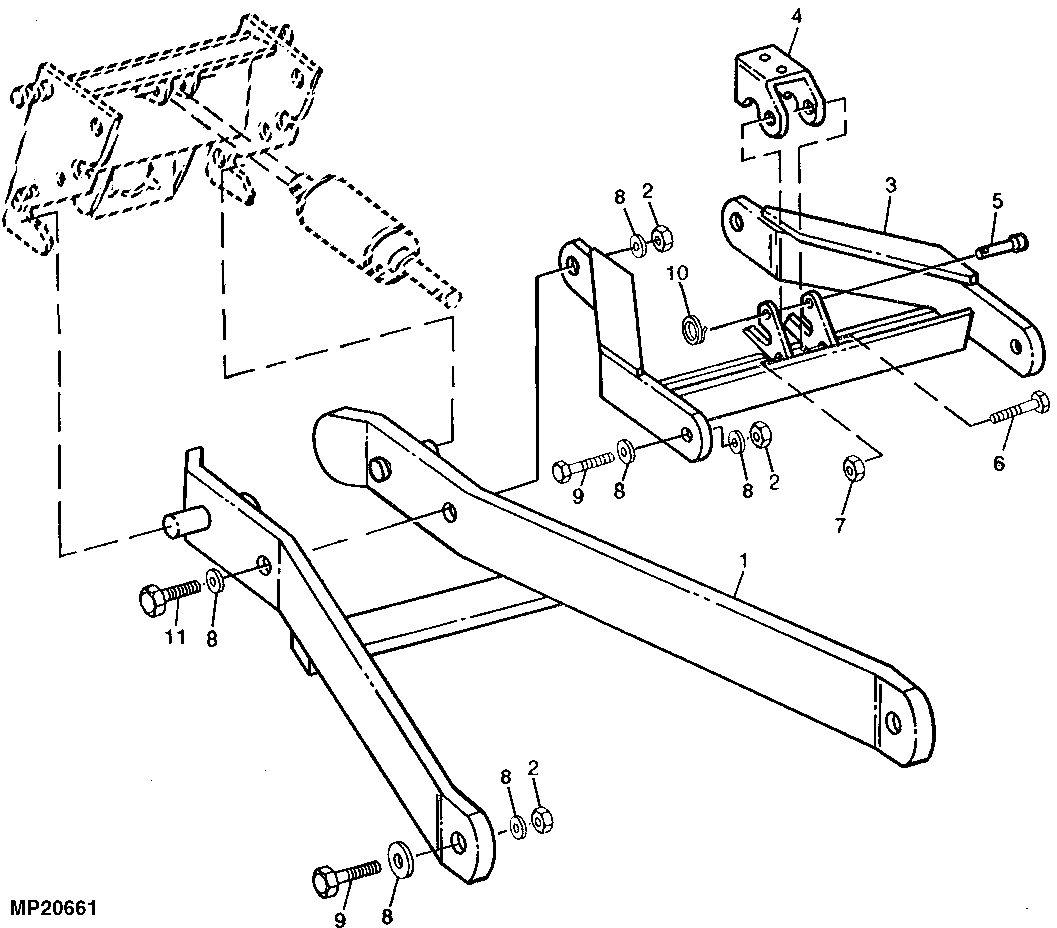
Try this guys. I think this is the old system.

(The last illustration on the right is the NEW system)
Rob
 

Attachments

  • MP20661________UN02MAR99.gif
    MP20661________UN02MAR99.gif
    21.9 KB · Views: 166
  • MP26601________UN23NOV01.gif
    MP26601________UN23NOV01.gif
    14.1 KB · Views: 176
  • MP37177________UN11NOV05.gif
    MP37177________UN11NOV05.gif
    29.6 KB · Views: 165
   / 59 blower #16  
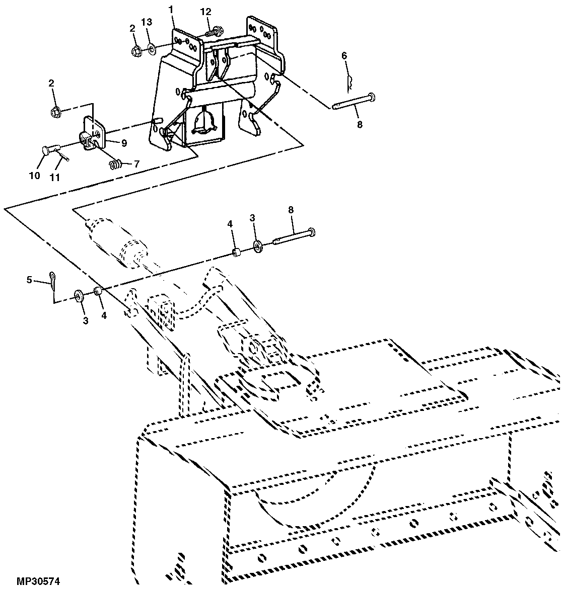
Here's one more for the 42/43/4400.
 

Attachments

  • MP30574________UN15NOV02.gif
    MP30574________UN15NOV02.gif
    23.9 KB · Views: 178
   / 59 blower
  • Thread Starter
#17  
Rob-D

The pic on the left and the center pic is exactly what I have. Even the hanger(15) in the middle diagram stands out. Where did you find diagrams of the old system. I would like to find manuals for it but everything I found had the new three point system for the 3x20 series.
 
   / 59 blower #18  
Rob-D

The pic on the left and the center pic is exactly what I have. Even the hanger(15) in the middle diagram stands out. Where did you find diagrams of the old system. I would like to find manuals for it but everything I found had the new three point system for the 3x20 series.

This is JD parts, you may need to sign in. Here's the link. If you follow the tree you can see there are two blowers listed.Let me know if you have trouble getting to it.
Rob

http://jdpc.deere.com/jdpc/servlet/com.deere.u90490.partscatalog.view.servlets.HomePageServlet
 
   / 59 blower
  • Thread Starter
#19  
When I go to JD parts that center picture you posted of the hitch is listed as FRONT HITCH KIT (4210/4310/4410)傳R>FRONT HITCH KIT (210/4310/4410) (CONTINUED). If you move your cursor over the pic you posted it is mp26601____un23nov01.gif. If you put your cursor over the pic on JD parts for the FRONT HITCH KIT (4210/4310/4410)傳R>FRONT HITCH KIT (210/4310/4410) (CONTINUED) it is the same as the one you posted. The only one I saw for the 3x20 series was the three point. I have worked on aircraft for twenty one years and I know how parts diagrams and the books they are in (mostly digital now) can sometimes show different parts for the same job. I just have not been able to find that specific hitch with 3x20 any where on JD parts just for the 4210/4310/4410. It may just be the same and compatible with the 3x20. It works and I didn't have to modify anything. I was just trying to verify that it does fit both tractors so other owners would know if they came acrossed a used one for sale that came off of a 4x10.
 
   / 59 blower #20  
When I go to JD parts that center picture you posted of the hitch is listed as FRONT HITCH KIT (4210/4310/4410)傳R>FRONT HITCH KIT (210/4310/4410) (CONTINUED). If you move your cursor over the pic you posted it is mp26601____un23nov01.gif. If you put your cursor over the pic on JD parts for the FRONT HITCH KIT (4210/4310/4410)傳R>FRONT HITCH KIT (210/4310/4410) (CONTINUED) it is the same as the one you posted. The only one I saw for the 3x20 series was the three point. I have worked on aircraft for twenty one years and I know how parts diagrams and the books they are in (mostly digital now) can sometimes show different parts for the same job. I just have not been able to find that specific hitch with 3x20 any where on JD parts just for the 4210/4310/4410. It may just be the same and compatible with the 3x20. It works and I didn't have to modify anything. I was just trying to verify that it does fit both tractors so other owners would know if they came acrossed a used one for sale that came off of a 4x10.

Yes, it came from the 3x20 diagrams that's whyI figured it would work with both machines.
 

Tractor & Equipment Auctions

2024 CHEVROLET SILVERADO 2500 HD BED (A58018)
2024 CHEVROLET...
Year: 2017 Make: Ford Model: Fusion Vehicle Type: Passenger Car Mileage: 101,691 Plate: Body Type... (A55853)
Year: 2017 Make...
2019 Land Rover Range Rover Sport AWD SUV (A55853)
2019 Land Rover...
2019 CATERPILLAR 259D SKID STEER (A52709)
2019 CATERPILLAR...
Jacobsen three wheeler mower (A56857)
Jacobsen three...
2021 Deere 333G (A53317)
2021 Deere 333G...
 
Top