425 Trouble Shooting Help

/ 425 Trouble Shooting Help #1  

sriddle1

Silver Member
Joined
Apr 2, 2014
Messages
234
Location
SW New Hampshire
Tractor
ACTIVE: JDX730 DAYS GONE BY: JD3010, JD790, JD425
Good Morning, I own a circa '93 425 LAWN & GARDEN TRACTOR SN: M000425A013701 and have kept up with the maintenance, Mobil 1 oil, new spark plugs, etc. I'm starting to have some engine operational issues, perhaps someone can give me some guidance. The engine is a Kawasaki FD620D and several years ago I discovered it has of all things, a plastic cam ? All was going well until 2 months ago, the engine starts right-up and then once warm begins to have problems maintaining steady rpms, with any resistance going up hill or bounding through ruts it bellows black smoke for a split-second then shutters along. In recent days I feel like I have a mosquito fogger in front of me, can't really see the smoke but in certain sun angles there's a light plume. I thought it's been quite a while since any work has been performed on the carburetor, maybe it needs to be rebuilt. As you can see I'm mechanically inept, not much of an old school troubleshooter with basic engine performance, I defer to someone with knowledge. Thank You......
 
/ 425 Trouble Shooting Help #2  
Couple of questions
1) what color is the smoke?
2) approximately how many hours on the engine?

If black smoke then would suspect a fuel issue? Leaking carb inlet needle or bad float on the carb.

rule of thumb around 1000 hrs the plastic gears are getting close to end of life. I have seen these fail three different ways.
1) cam stops tuning and engine stops.
2) governor gear breaks and engine runs full throttle or more.
3) oil pump gear breaks and oil pump stops turning.
 
/ 425 Trouble Shooting Help #3  
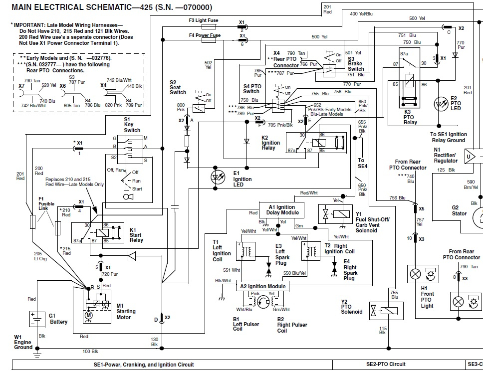
When it starts losing power, is it getting spark at both spark plugs? Just had an issue with my 425 and "no spark" at the left cylinder plug.
Turned out to be the ignitor.. after replacing the ignition coil, the pulsers, the ignition delay module, and the ignition module circuit board kit. Missed the ignitor completely by mis-reading the check down list and an error in a schematic. The ignitor is NOT the A2 ignition module. Chalk that up to my mistake too.
Only follow this path if there is no spark at one of the cylinder spark plugs.
 

Attachments

  • Electrical ignition schematic.jpg
    Electrical ignition schematic.jpg
    514.3 KB · Views: 146
/ 425 Trouble Shooting Help
  • Thread Starter
#4  
Couple of questions
1) what color is the smoke?
2) approximately how many hours on the engine?

If black smoke then would suspect a fuel issue? Leaking carb inlet needle or bad float on the carb.

rule of thumb around 1000 hrs the plastic gears are getting close to end of life. I have seen these fail three different ways.
1) cam stops tuning and engine stops.
2) governor gear breaks and engine runs full throttle or more.
3) oil pump gear breaks and oil pump stops turning.
Thanks for the response, the smoke is black for a split second when it is taxed, yup, I'm at 924 hours........ Hmmmm, cost to replace cam, here in SW-NH not many options except for JD dealership = $$$$$. I have a 47" front mount snowblower too, really like the machine.
 
/ 425 Trouble Shooting Help
  • Thread Starter
#5  
When it starts losing power, is it getting spark at both spark plugs? Just had an issue with my 425 and "no spark" at the left cylinder plug.
Turned out to be the ignitor.. after replacing the ignition coil, the pulsers, the ignition delay module, and the ignition module circuit board kit. Missed the ignitor completely by mis-reading the check down list and an error in a schematic. The ignitor is NOT the A2 ignition module. Chalk that up to my mistake too.
Only follow this path if there is no spark at one of the cylinder spark plugs.
Thanks I'll take a look in the next two days, I did a circuit trace three years ago on my 790 to track down a faulty fuel shut off, know the drill...........
 
/ 425 Trouble Shooting Help #6  
If it's running the plastic cam has not failed....yet.
Could the barely visible plume be coolant?
 
/ 425 Trouble Shooting Help
  • Thread Starter
#7  
If it's running the plastic cam has not failed....yet.
Could the barely visible plume be coolant?
Yes, good input, I've forwarded my post to a friend that is mechnically inclined and does maintenance on this maching.
 
/ 425 Trouble Shooting Help #8  
If you're having a hard time identifying what color the smoke is, hold a sheet of paper a few inches away from the exhaust pipe while it's acting up. It might be difficult to reach up there while you're moving, but maybe you can have someone walk beside it to hold the paper.
 
/ 425 Trouble Shooting Help
  • Thread Starter
#9  
When I start it up a good amount of the same Black smoke comes out, I can see the split second plumes of black smoke, 'm leaning towards a Carb Rebuild, don't mind spending the money just to cross that off the list....... Anything but the JD Dealership $$$$ just to pick it up $150. and $350 for tune-up....... I haven't ever done anything with the Carb, I've always used high octane gas.......
 
/ 425 Trouble Shooting Help #10  
I've noticed ethanol fuel seems to seep into the carb float and weigh it down. A carb rebuild sounds good, just make sure you get a new float. They aren't included in some rebuild kits and seem to be the culprit in a lot of the carbs I've rebuilt
 
/ 425 Trouble Shooting Help
  • Thread Starter
#11  
I've noticed ethanol fuel seems to seep into the carb float and weigh it down. A carb rebuild sounds good, just make sure you get a new float. They aren't included in some rebuild kits and seem to be the culprit in a lot of the carbs I've rebuilt
That's good to know, I will forward that info to my Mechanic, I was going to go our and try to order a rebuild kit, I'll satke a look at JD's Kit and if they don't include one I'll identify teh part number to order, good input.........
 
/ 425 Trouble Shooting Help
  • Thread Starter
#12  
I've noticed ethanol fuel seems to seep into the carb float and weigh it down. A carb rebuild sounds good, just make sure you get a new float. They aren't included in some rebuild kits and seem to be the culprit in a lot of the carbs I've rebuilt
That's a great comment, I was going to go out and order a Rebuild Kit, if it doesn't have a float I'll have to find a kit with one or order that part separately THANKS !
 
/ 425 Trouble Shooting Help
  • Thread Starter
#13  
Looking on fd620d . com @ FD620 FD620D Carburetor Rebuild Kit for John Deere 345/425 / 445 Rebuild MIA11386 MIA12362 AM118872 Carburetors, Hmmmmm, I'm wondering how to find out what carburetor is in that '93..... I have the serial number: M000425A013701, guess I'll be off to research that using the JD Catalog, I'd rather find a JD Kit if they offer one..... In the meantime this Package includes: Float Bowl Gasket, Manifold Gasket, Float Valve, Idle Screw, Mixture Screw, Piolet Jet, Main Jet, O-Rings, Springs and 4pcs of banding, also comes with new throttle shaft seal that replaces your old one that can leak and cause poor idling and lean running conditions. This Note is important: "Some variations of the FD620 engine may use different jet sizes."......
 
 
Top