jjmarotz
Gold Member
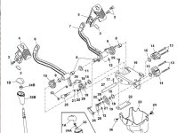
My 3720 reverse pedal started to stick and catch kinda. Has a squeeky sound with it too. Still works but requires a touch more pressure to move it. Forward pedal is fine
Thawed the tractor out COMPLETELY last nite in the shop thinking maybe ice had built up somewhere on it, no luck. What and where do I proceed from here??
Thanks:drink:
Thawed the tractor out COMPLETELY last nite in the shop thinking maybe ice had built up somewhere on it, no luck. What and where do I proceed from here??
Thanks:drink:
