k0ua
Epic Contributor
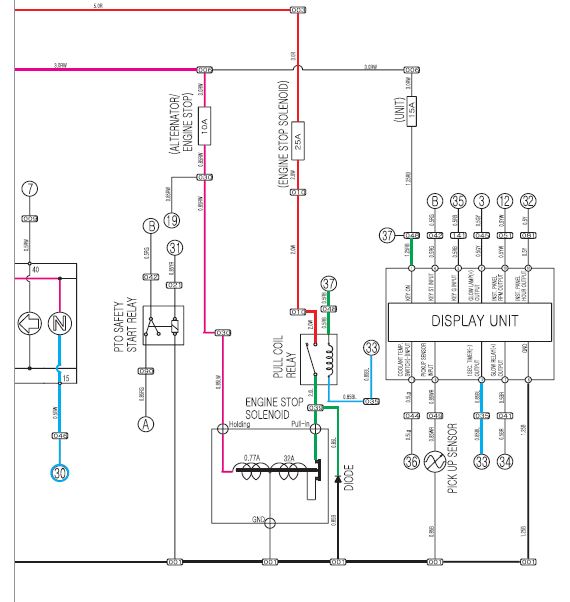
Step one:. You know the problem is the fuel solenoid is not pulling back correct? from you prior investigation, so lets try to find out why. The solenoid has 2 coils. the "pull coil" and the "hold coil". the Pull coil draws 32 amps of current that only lasts for about 1 second. This gets the solenoid pulled back, and the hold coil draws about .77 amps and holds the solenoid back. Here are the measurements chart and a picture. I see a discrepencie right now in which pin number is which between the chart and the picture.. But obviously the coil with the low ohms reading will be the high current pull coil terminal and the high resistance coil terminal will pull a small amount of current and be the hold coil.. So look for the 1 second pulse of 12 volts to "pull" and check for the 12 volt hold voltage.. If that does not happen, then lets dig deeper in to the relay. let me know
James K0UA
James K0UA



