bop513
New member
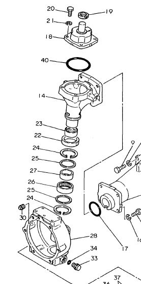
I'm helping out a friend with a Yanmar 1510D that needs lots of 4wd parts related to the knuckles and gears on both sides up front. The bolts holding the axle housings together on both sides loosened and/or broke and one of the wheel bearings failed and sent ball bearings into the gears on the left side. The right side also has considerable damage to gears, spacers, etc. (probably as a result of the other side failing). I was on it when it happened (I was volunteering for her non-profit organization by doing some mowing) and it nearly ripped my thumb off when the wheels and steering wheel violently turned to the left. I've checked with Hoye and they can't help (other than bearings and similar, but no gears). Please let me know if you have parts. If not, she might be parting this one out or converting to 2wd if there is a way to do it safely (or maybe try to rehab the gears at a machine shop). Thank you.
-Brandon in western WA state
-Brandon in western WA state

