TZ25DA Losing RPM's ~Help!

   / TZ25DA Losing RPM's ~Help!
  • Thread Starter
#11  
Thank you for all of your posts. I am printing them out and will see what/where we go from here. I have to say that I was not that impressed with the mechanic NH dealership sent out. We chatted and his experience with NH is one year and he has NEVER worked on a TZ previously. Don't know if that is necessarily significant? :confused: I am going to contact the dealership where we purchased the tractor as I feel much more confident with them. The only problem with that is it is quite a distance away. I do have a vented gas cap and I did try immediately loosening to no avail. Even thought I 'might' attempt to cover the tank with a piece of old nylon stocking to keep debris out and then see what happens. I have purchased Lucas fuel treatment, but have not yet put any in. Thought I would try and operate without adding first and see what happened post new fuel and new filters. I agree with most of you that it is a 'fuel' problem of some sort, but hey, what do I know?? I am so frustrated at this point, but may continue to limp along at least to finish up the front field. (have VERY little left) and then park the tractor until my husband gets back on the 28th. Just drives me crazy because I can't figure it out....obsessive compulsive disorder kicking in. *sigh* :rolleyes: And, then to add the frustration, we just purchased this tractor brand new April THIS year. :(
 
   / TZ25DA Losing RPM's ~Help!
  • Thread Starter
#12  
Forgot to add: Please keep the suggestions coming. Can't hurt. Thank you!! :)
 
   / TZ25DA Losing RPM's ~Help! #13  
I would think it is under warranty.
 
   / TZ25DA Losing RPM's ~Help! #14  
newholland4me said:
Forgot to add: Please keep the suggestions coming. Can't hurt. Thank you!! :)

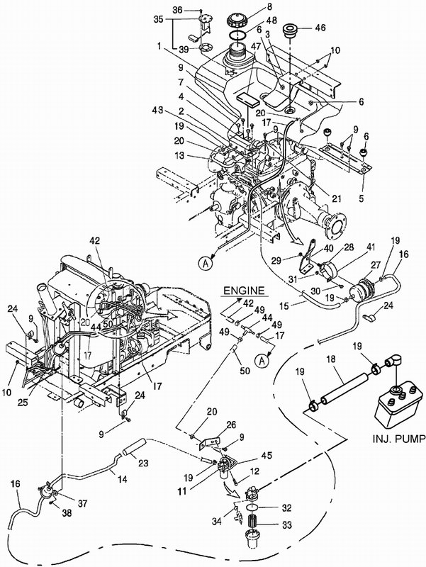
I didn't want to enter this thread with my opinion since everyone is saying exactly what I would have said. Being the curious type I am, I could not resist looking at your fuel system diagram on the New Holland website. Click on "Parts Search," enter your model, TZ25DA, and then look at "Engine Equpment", "Fuel Tank & Related Parts" for your diagram. I'd give you a direct link, but the site won't let me do that.

NH Parts Search

Here is the first bad news. This is one of the most complex fuel feed systems I have ever seen. Your system has two fuel filters a fuel pump, and a reserve fuel system. Not having an operator's manual, I don't know how the reserve fuel system works, but maybe if you turned it on, it would supply fuel well enough for you to finish mowing...that is, if you want to go out in this rainy weather we are having in the Fort Worth area. Perhaps there is a switch that turns on the fuel pump for the reserve system. Maybe some other TZ25DA owner will see this and give a more definitive answer.

Finally, part number 50 on the diagram is a hose. There is a note that says it has been shortened to improve flow. That tells me that you are not the only one with fuel flow problems. This has been a problem and New Holland shortened the hose to increase flow. The young mechanic they sent out probably didn't have a clue about this. Also, you may find the dealer doesn't even know.

For whatever reason you are having fuel flow problems, it is surely not your fault or anything you are doing wrong. It could be debris in the lines or just cooler weather causing the fuel to flow a little more slowly. In general, I'd say in the North Texas area, we don't have many problems with trash or water in our diesel. After many years of running diesel vehicles and tractors, I have never had a contamination problem. Of course, yours could be something left in the tank during manufacture and now it is just showing up.

So I think you might look for how the reserve system is enabled and plan on having your dealer check your system for the most up-to-date changes. Since you are in warranty, they should help you find this problem with more than a greenhorn mechanic. You need expert help.

I'm attaching a diagram from the website.
 

Attachments

  • TZ25DA_FuelFeed.jpg
    TZ25DA_FuelFeed.jpg
    115.6 KB · Views: 965
   / TZ25DA Losing RPM's ~Help!
  • Thread Starter
#15  
First of all, thank you for taking the time to research and post. I will definitely check out the NH site and find the info. per your instructions and then print for my husband once he returns from India. I have definitely decided NOT to try and mow in this weather....uh, mowing when it was snowing was my limit. :rolleyes: My husband is with you regarding contaminated fuel (not), but everyone had me convinced so had to give it a try. I will now await his return and let him decide how he wants to proceed. But, your information certainly holds merit and yes, you are correct........don't assume that the dealership knows either. Fortunately, my husband is very mechanically inclined so your information from NH site will garner much interest.
Hey, I am grateful that you are curious. I appreciate your input and my logic tells me that you are probably on to something.
Have a good weekend in spite of the weather.
Thank you again.
Karen
 
   / TZ25DA Losing RPM's ~Help! #16  
Jim - the reserve tank is a small tank that sits inline between the main fuel tank and the first fuel filter. It looks like it holds about a pint (a little larger than a typical juice box). Hose #13 comes out of the bottom of the fuel tank and goes into a port on the reserve. Hose #15 comes out of the reserve and attaches to the first fuel filter (#27). From there it travels under the operator platform and up to an electric fuel pump somewhere under the dash panel. From there it goes to the filter/separator, then the injector pump.

Karen - have you noticed if the fuel pump is running? It'll make a clicking noise from under the dash. You probably won't hear it with the engine running, however. Maybe a loose electrical connection to the pump is the cause?


(There - after a year of lurking and learning I finally get to contribute something! :D )

~Kevin
 
   / TZ25DA Losing RPM's ~Help!
  • Thread Starter
#17  
Hi Kevin,

No I have not noticed...uh, probably because I don't know exactly what to listen for. :rolleyes: I am pretty sure that the mechanic said that the fuel pump was running, but not positive. Sounds like you really know this tractor. Do you happen to live in Fort Worth?? Just kidding. I am printing out your post and passing along to my husband. (home on Wed.) Right now, the weather is not cooperating at all so I have not had a chance to do anymore 'experimenting'. I am so glad that my dilemma has given you an opportunity to contribute and I am hoping that your information will also contribute to a solution. I love 'ole Bessie', but she is really becoming a source of frustration here lately. And, forgot to add previously, yes the tractor is still under warranty. *whew* Keep the suggestions and information coming. Thanks again!!!
 
   / TZ25DA Losing RPM's ~Help!
  • Thread Starter
#18  
Hi Jinman,

I just went to NH and found that 'note' regarding fuel hose length. You are a remarkable 'sleuth'. I sure hope that this is the problem. Sure would save a lot of time and headaches. Looks a little suspicious too, huh?? Now, when I looked at the engine schematic, holy tamale!! I think my eyes just crossed and rolled back into my head! :rolleyes: I have NO idea what I am viewing. :eek: I am SO way over my head here. :confused: I have bookmarked the page and will certainly be sharing with NH dealership/svc. as well as husband. Thank you for all of your efforts and expertise. :)
 
   / TZ25DA Losing RPM's ~Help! #19  
newholland4me said:
Hi Jinman,

I just went to NH and found that 'note' regarding fuel hose length.

If you've made it this far, you've got a good understanding of what I meant by a complicated fuel system. I suspect you will find the problem is something simple. It might even be that additional filter that is separate from the main filter bowl. The fact that the engine runs fine without a load and then sputters when you put it under load is a sure sign of fuel starvation. You just have to find and eliminate the source of the obstruction.

May I ask what part of India your husband is in? My company has just acquired a company in Bangalore. Last week we were video-conferencing with our colleagues there and I would not be surprised to have to make a trip or two there within the next couple of years. However, most of our work can be done by teleconference or web meetings. They are a lot cheaper than travel and hotels.:rolleyes:
 
   / TZ25DA Losing RPM's ~Help! #20  
The fuel pump makes a clicking or rattling sound from under the dash (near the ignition switch). You should be able to hear it when you turn the key from off to run or heat. Mine makes a pretty noticable noise while waiting for the glow plug cycle to time out (I'm in Vermont - starting to get chilly out).

I did check mine, and I have the long version of hose #50 ... I can see why they shortened it. It runs from the filter on the engine into a tee, then one of the lines from the tee goes back to the fuel tank (overflow), and the other side of the tee goes up to the base of the injectors, flows through each injector, then to the input of the injector pump (fuel preheat?). There is also another hose directly from the filter to the injection pump. I can see why they shortened the hose - on my TZ it forms a 'U' shape ... it probably got kinked on some tractors. I'll try to post a picture tomorrow of how mine is.

~Kevin
 

Tractor & Equipment Auctions

2010 Ford Edge SE SUV (A51694)
2010 Ford Edge SE...
48in Farm Jack (A55852)
48in Farm Jack...
UNUSED RAYTREE RMLL60 60" HYD POWER RAKE (A57193)
UNUSED RAYTREE...
2017 TROXEL 150 BBL ALUMINUM VACUUM TRAILER (A53843)
2017 TROXEL 150...
2008 DOOSAN G25 GENERATOR (A52472)
2008 DOOSAN G25...
Year: 2018 Make: Ford Model: Fusion Hybrid Vehicle Type: Passenger Car Mileage: 51,578 Plate: Body (A56859)
Year: 2018 Make...
 
Top