Troubleshoot weak start on Deere 650 tractor

   / Troubleshoot weak start on Deere 650 tractor #11  
If its a Denso starter the contacts are probably pitted, rebuild kits for it are cheap and available on ebay.

Had the same problem with my 955......

Ed
 
   / Troubleshoot weak start on Deere 650 tractor
  • Thread Starter
#12  
Thanks for the responses guys. To follow up, i went out there and grabbed some pictures. I tried to start it up again normally and got the same symptoms although had a couple times when it would turn over a bit faster but not quite enough. Next i used a relay to bypass the ignition by going from the starter solenoid + directly to battery + which gave me the same sluggish start response, indicating the ignition wiring is good. With that in mind it appears problem would have to be the starter so i pulled the starter and bench tested it. Plugging in the appropriate places it popped out and spun just like it should. Therefore, the engine itself must be giving it some resistance. Unless its possible the starter can spin without a load but under the weight of the engine it struggles? I may have to rebuild it and clean the brushes like the gentleman above suggested.

I am able to turn the engine by hand by spinning the coolant fan so its not seized. I drained the oil and it was inky black and i will be replacing that next. I also want to note the fuel itself is more than 6 mo old so i will drain and refill that (shouldve done that first) and then report back. In the mean time, here are some pictures. You can see the redneck wiring im dealing with.


20160224_165619.jpg20160224_165631.jpg20160224_165655.jpg20160224_165705.jpg
 
   / Troubleshoot weak start on Deere 650 tractor
  • Thread Starter
#13  
I also want to note yesterday was a bit warmer (50deg±) which i believe aided in it turning over faster. It may be possible that my thermostart is not working correctly and i will try to diagnose this next time. When i turn the key to the right one click, the light comes on the dash but i dont hear anything and dont feel the block heating up?
 
   / Troubleshoot weak start on Deere 650 tractor #14  
On first look at the pics, agree that wiring is suspect for good connections.
But your portable battery hookup is also suspect... don't get good connections with battery cable clamps.
Is that the hook-up used so far to try to start the engine?

Also, the first pic shows a ground cable connected to the frame that may be corroded. But it may have been out of the loop so isn't an issue until you affix a battery in the tray.

And bench testing the starter with no load may not give positive results compared to under load.

Hope you find the problem and get it back running again. Know it can be frustrating.
 
   / Troubleshoot weak start on Deere 650 tractor #15  
I think posts 7 & 8 will be your answer. Brushes and / or bushings worn out.
 
   / Troubleshoot weak start on Deere 650 tractor
  • Thread Starter
#16  
beenthere, the ground cable to the frame was quite rusted. I did a quick cleaning of it with a wire brush and added a little dialectric grease. I think that connection is ok although it does look quite grimy and suspect. It seems the brushes may be the culprit, i will pull the starter again and do a rebuild. Will get further pictures. Thanks for the responses and help so far guys. It certainly is frustrating!
 
   / Troubleshoot weak start on Deere 650 tractor
  • Thread Starter
#17  
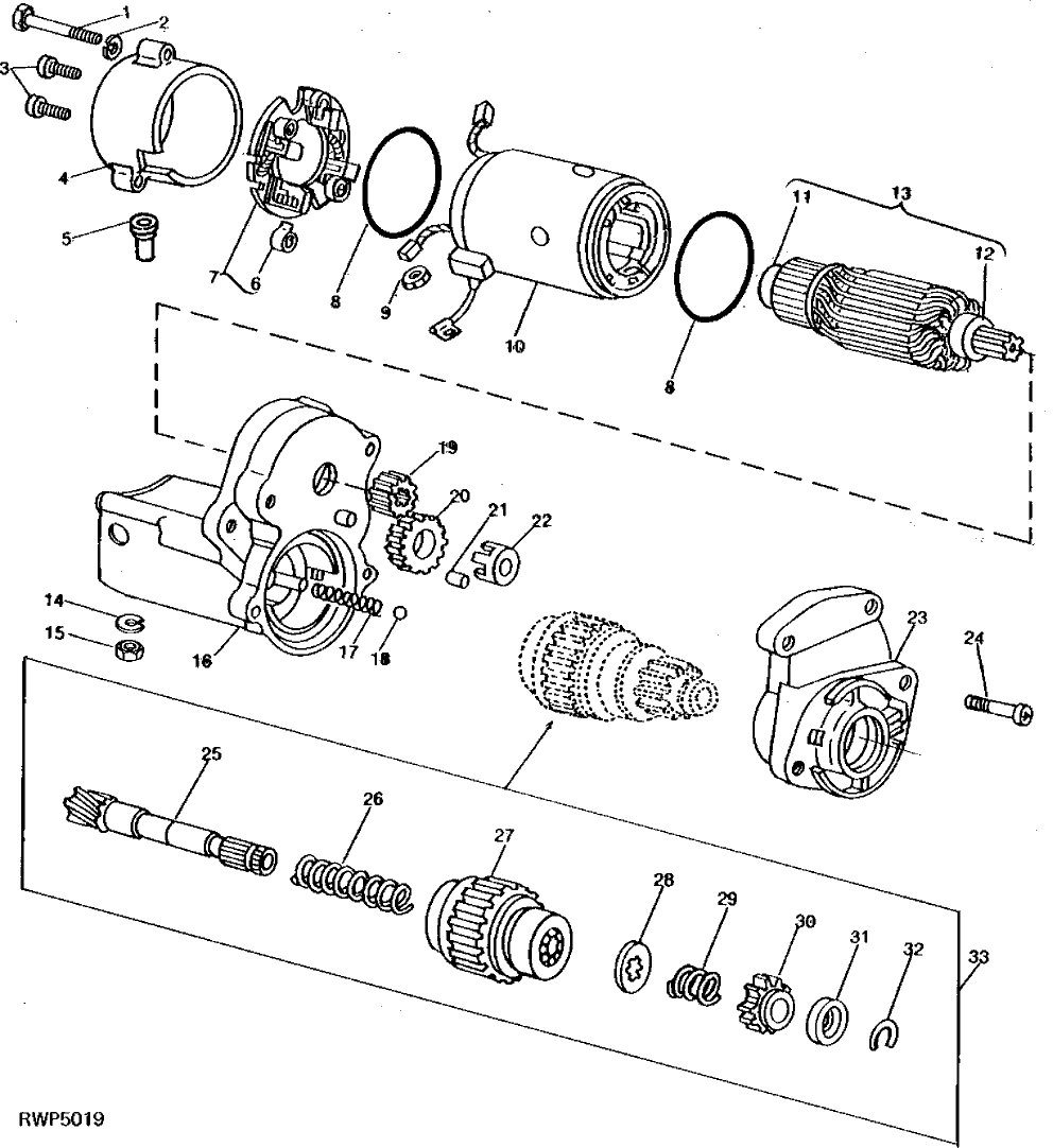
Starter parts diagram.gif20160225_141426.jpg20160225_141405.jpg20160225_135536.jpg20160225_141430.jpg20160225_141432.jpg

Follow up, pulled the starter again. However, could not get it disassembled. After removing the bolts and screws, the cap and body will separate but the brushes are holding them together. Im not able to get the brushes out of the holders in the brush box and i would have to cut the brush ends to separate it from the body. Is this correct? If cutting off of the brushes is required i will probably purchase a new one. See the pictures above. ive also attached the parts diagram. I brought the starter home with me to do more tests if necessary. New starters are thankfully only $90.
 
   / Troubleshoot weak start on Deere 650 tractor
  • Thread Starter
#18  
Ok guys, i called a couple places in town about having it rebuilt. They indicated it would be about $100 to do a rebuild so im going to go with purcahasing a new one online. Should be here in about a week. While a rebuild would be a smart way to go, considering the time, effort, cost of the rebuild parts and the general age/uncertainty of the current starter, it makes sense to just spring for the new one at $90. Fingers crossed this solves the problem.
 
   / Troubleshoot weak start on Deere 650 tractor #19  
Remove the solenoid cover look at parts 4, 6 & 12.....I've never had to replace anything but these on a Denso starter. They get pitted up and cause all sorts of headaches trying to track down the problem.

Ed
 

Attachments

  • MP3842_________UN02JAN94.gif
    MP3842_________UN02JAN94.gif
    17.5 KB · Views: 181
   / Troubleshoot weak start on Deere 650 tractor
  • Thread Starter
#20  
Hey guys, just wanted to report back. I got the tractor started!!! I swapped out the old starter for the new one which came in today. I bolted it right on and it fired up great!

I actually caused myself a bit of a headache in getting it on because i picked up the part from the post office after work and immediately drove to the property to put it on and in my hurry forgot the battery for the tractor! I had taken it home to charge on the battery tender. I tried starting the tractor on my car battery and with the new starter it would only 'click-click-click.' Yikes! However, i realized my car battery only has 600 CCA's but the tractor battery has 850 CCA. Now stressed out and it getting dark, i decided to bite the bullet and go home, pick up the tractor battery and drive back hoping the extra CCA are whats needed. I knew it would bug me all week to know if it would be able to start and i wouldnt be able to get back till the weekend. After a long drive and even though it was dark, i used my truck headlights to shine some light while i put the battery in and turn the key. Sure enough she fired right up...albeit with a big cloud of black smoke! She idled great, really purr'ed. I let her run idle for a bit. Being dark, i thought it unsafe to put it in gear, i couldnt do any work with it then anyway.

Anyway, enough with the blog post. Thanks so much you all for helping solve the problem. I believe you all are right about the brushes on the original probably being worn and causing the issue. I was taking a bit of a chance spending the money on a new one but i think it worked out. Honestly, i think spending $90 for a new starter is very reasonable and while i am very much an OEM person, i think in this context, the most economic decision was to get the new one. I can feel more confident about it too instead of a rebuild of the original. These seem to be somewhat common starters with a variety of manufacturers. Anyway, thanks again all. I will get a picture and maybe a video when i go up this weekend to use it!
 

Tractor & Equipment Auctions

UNUSED FUTURE FT36C STAND ON SKID STEER (A52706)
UNUSED FUTURE...
2021 CATERPILLAR 306 CR EXCAVATOR (A52709)
2021 CATERPILLAR...
3 HOLE FRIGIDAIRE FOOD WARMER (A58374)
3 HOLE FRIGIDAIRE...
2013 Audi A6 AWD Sedan (A56859)
2013 Audi A6 AWD...
DOUGLAS SERVICE BODY FOR SMALL TRUCK (A52708)
DOUGLAS SERVICE...
Jumbo Quartz Slab 127.5" x 63.75" (new/unused) Est. Retail $2,200 (Pickup Location: Atascadero, CA) (A59225)
Jumbo Quartz Slab...
 
Top