Thinking about adding a (?hydraulic?) thumb to my full size backhoe

   / Thinking about adding a (?hydraulic?) thumb to my full size backhoe #11  
Your probably right, I guess there is no need to have the full 30gpm applied to the thumb. It's the pressure that creates the force right? So the only difference with decreased flow is that it wouldn't be able to be operated as fast? ...

From experience, I can tell you that a thumb which slams shut too fast will not be nearly as useful as one where you can close it with some finesse.

The thumb is used to pick stuff up, not to crush it.
 
   / Thinking about adding a (?hydraulic?) thumb to my full size backhoe #12  
   / Thinking about adding a (?hydraulic?) thumb to my full size backhoe
  • Thread Starter
#13  
Here is a drawing of the final plan I'm using.

The back mounting plate (that I will weld to the dipperstick) is 3/4" thick, and 45" long. I chose 45" because I can cut it in half, and still fit it into the largest flat rate shipping box they offer, which is 24" long.

The thumb portion itself is now 37" long. This will also work well (geometrically) with the cylinder I will be using. It will allow a full range of motion through 135 degrees.
 

Attachments

  • Thumb overview.jpg
    Thumb overview.jpg
    85.8 KB · Views: 653
   / Thinking about adding a (?hydraulic?) thumb to my full size backhoe
  • Thread Starter
#14  
As far as the speed of the thumb, wouldn't I be able to feather it if I use the electric diverter valve?

I got started on the thumb the other night. I started off cutting the main side plates. I used 3/4" steel, and laid out the dimensions using my sketchup drawings and measurements. I'm by no means a pro at using cutting torches but I'm certainly getting better :laughing:

Sorry no pics yet.

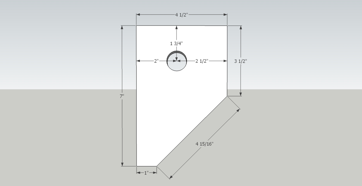
Here is a drawing that I used to lay out my side plates. I was able to get both side plates cut, and the main pin hole cut out. I still need to cut out the two support pin holes, for the support pins I will be using solid 2" round steel, 13 1/2" long, this way the support pins will stick out about 3/4" on both sides of the side plates, allowing me to weld the pins to both the inside, and outside, surfaces of the side plates.
 

Attachments

  • side plate.jpg
    side plate.jpg
    126 KB · Views: 1,843
   / Thinking about adding a (?hydraulic?) thumb to my full size backhoe
  • Thread Starter
#15  
Last night, I 'procured' my 2" solid steel pins that will be used to support the side plates. These things are HEAVY! I'll really be getting the best of the postal service with the flat rate shipping boxes!
These pins are 13 1/2" long.

I cut out one of the two 'gussets' as I call them (don't know what they should be called but their in my first pic) I still need to cut out the larger gusset. (The one on the right in the first pic)

After that, I started on the brackets. I cut out the 2 brackets that will be used for the top mounting position of the hydraulic cylinder, as they seemed the easiest to make. Again, I used the sketchup drawings and dimensions to lay these out, and cut them with the torches. The only step left in these brackets is to drill out the hole for the 1" diameter pin that will be used to secure the cylinder.

This is where I stand as of now. Hopefully tonight I'll get some more work done if I'm not too tired. So far I have 3 hrs in the first night, and 2 and half last night.
 

Attachments

  • Gusset 1#2.jpg
    Gusset 1#2.jpg
    69.9 KB · Views: 341
  • Top Bracket.jpg
    Top Bracket.jpg
    78.3 KB · Views: 299
   / Thinking about adding a (?hydraulic?) thumb to my full size backhoe #16  
Yes, the lever that sends fluid to the selector valve should give you feather.

The selector/diverter valve provides two paths for the fluid to flow. Either outrigger or thumb.

The only way to get a solenoid valve to feather is using some of the newer valves called proportional solenoid valves. and you electrically dial in the flow rate.

They ain't cheap either.
 
   / Thinking about adding a (?hydraulic?) thumb to my full size backhoe
  • Thread Starter
#17  
I'm a little confused. Just to be clear, I wouldn't need the solenoid itself to have any sort of feather, I would just need the diverter/selector to select which way I want the fluid to flow, and that fluid would be controlled with my outrigger valve handle.
So with an electric solenoid, operating my diverter valve, I would choose either "thumb" or "outrigger" and then have the feathering ability for whichever I selected.

It seems rather simple to hook up, doesn't look like much more than wiring up a solenoid, a switch, plumbing in the hoses and hook up the cylinder.

Seems a lot easier than my last project!
 
   / Thinking about adding a (?hydraulic?) thumb to my full size backhoe
  • Thread Starter
#18  
Over the last few nights I got pretty much all the steel cut that I will need. I cut out the 2 3/4" inch holes for the main pivot pin with the torches, and tonight I will try to grind them down a bit to make the pin fit a little better, they're a little ugly right now from my lack of expertise in torch cutting!

For the main pin, I'm using a 2 3/4" OD piece of thick wall hardened steel pipe. I was able to scrounge up an old pin that was replaced in some heavy equipment, it measured 15" long and a little over 2" diameter, which was too large for the inside diameter of the steel pipe that it will be going through, so a friend of mine put it on the lathe last night and turned it down to fit with about 30 thousands of an inch of clearance, just enough for grease to squeeze through (the pin has a zerc fitting on the end and grease holes throughout)

It's one of the few pictures I managed to get on my phone so I'll post a pic of the pin, and then a pic of the pin inside the hardened steel pipe that will become it's home. :D

The only steel I have left to cut, is the main gusset that will fit between the two thumb sides, connecting them together to give them strength. Aside from that, the remainder of my work will be grinding everything to the right fit, and grinding some bevels on the ends of the steel so I can get good penetration in the welds.
 

Attachments

  • m 001.jpg
    m 001.jpg
    311.6 KB · Views: 446
  • m 002.jpg
    m 002.jpg
    277.4 KB · Views: 316
   / Thinking about adding a (?hydraulic?) thumb to my full size backhoe #19  
Nice info/details, your are going to love that thumb.
We recently made a mechanical & they love it for their backhoe, amazing how much more work the backhoe can do. Interested on your hydraulic setup, since we can adapt the Thumb to hydraulic.
Keep up the good work, here some motivation to get it done. Deere 310SE
100_1136.jpg
 
   / Thinking about adding a (?hydraulic?) thumb to my full size backhoe
  • Thread Starter
#20  
Thanks for the pic, your right it does give some motivation!

As for my hydraulic setup, I think what I'll do is go with an electric diverter valve and tie it into my outrigger valve, so I'll have a toggle switch in the cab (in the factory location which should fit nicely) and when I have the toggle in one position, it will divert flow to the outrigger, the other position, will divert flow to the thumb. I figure this is a good circuit to use because it is not in use while actively using the backhoe itself, and vice versa, also, my setup has the two outrigger valves at a good easy height and just to the left of my main controls for the backhoe (when facing backwards)

As for the thumb, do you think the 3/4" mild steel for everything is sufficient? Assuming my welds are good of course. Do you think I'll bend the thumb or should it stand up to some hard abuse? The main pivot point bracket is 1" mild steel. I'm limited to what I can use because all I have to work with is the cutoffs from other projects around work, however, they're still pretty nice sizes. :D

Also, do you build ripper shanks for a backhoe of my size? If so, how much would it cost me?

A ripper tooth might be my next project if I'm happy with the way this came out. I was thinking of adding a small "V" section to the ripper tooth, like facing backwards, so it can be used to push over trees. I figure a ripper tooth to rip the roots, then the "V" to push the tree over, then the hydraulic thumb to handle the logs/brush, could be just about the ultimate backhoe setup for removing trees/stumps with minimal cost (relative to other options)
 
 

Tractor & Equipment Auctions

2008 GMC C7500 CREW CAB FLATBED DUMP TRUCK (A57192)
2008 GMC C7500...
2015 UTILITY VS2RA 48FT REEFER TRAILER (A59575)
2015 UTILITY VS2RA...
Honda EM3500S Portable Gasoline Generator (A59228)
Honda EM3500S...
2012 JACK COUNTY TANK 130 BBL STEEL (A58214)
2012 JACK COUNTY...
(INOPERABLE) DYNAPAC DOUBLE DRUM ROLLER (A58214)
(INOPERABLE)...
2012 MACK GU (GRANITE) CAB & CHASSIS (A56129)
2012 MACK GU...
 
Top