Ok next ford 4000 question

/ Ok next ford 4000 question #1  

slkrause

New member
Joined
Jan 16, 2011
Messages
11
Location
Zachary Louisiana
Tractor
1972 ford 4000
The power steering work fine for about the first 10 minutes after its started then it get hard to turn. Almost need both hands but not yet.
 
/ Ok next ford 4000 question #2  
first whcih style does it have one cylinder on the left side, two cylinders one on each side of does it steer through the sector. check the power steering fluid if it low and u see no leaks check the motor oil the seal on the pump shaft can be leaking letting the oil get into the motor which is a bad thing. if it not the oild will need to know which steering is on it to help with any more
 
/ Ok next ford 4000 question
  • Thread Starter
#3  
It is steer through the sector. It dont seem to be loosing and fluid and it will steer a little easier to the right than it does to the left.
 
/ Ok next ford 4000 question #4  
open the sump and look for foaming. whens the last time you changed the filter?

and do verify fluid is at correct level.

sounds like a 3 cyl jobber eh?

soundguy
 
/ Ok next ford 4000 question
  • Thread Starter
#5  
yeah its a 3 cylinder diesel. The fluid levels is fine and I have not noticed any foam but I will check to see if there is any. Also where is the filter for the pump located?
 
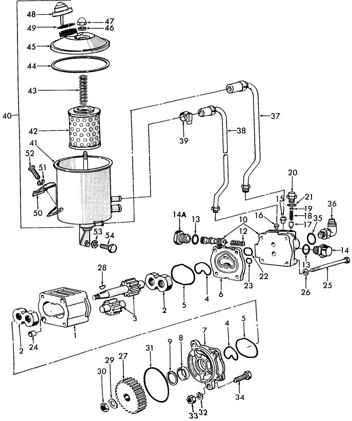
/ Ok next ford 4000 question #6  
right on the pump.

you do have a service manual for that tractor don't you?

not knowing any real details about your machine.. look for one of these.

soundguy
 

Attachments

  • pump1.gif
    pump1.gif
    42.4 KB · Views: 6,143
  • pump2.gif
    pump2.gif
    40.7 KB · Views: 1,493
/ Ok next ford 4000 question
  • Thread Starter
#7  
Soundguy,
Sorry about that it is a 1972 4000 with the 3 cylinder diesel with the 8 speed dual shift transmission the power steering pump is the right one in the thumbnail you posted.Which mumber is the filter? I am fixing to order a service manual from the local New Holland dealer here in Baton Rouge. Thanks for the help so far.
 
/ Ok next ford 4000 question #8  
in the diagram the filter is #23

here it is from the parts list:

23 1 EDPN3K758A ELEMENT Filter Assy., Pump Reservoir, Start Year: 10/01/1968
 
/ Ok next ford 4000 question #9  
since your in the batonrouge area gulf south equipment should have any parts u might need new are used they mostly deal in ford tractor parts and i get alot of parts from them for my customers
 
/ Ok next ford 4000 question
  • Thread Starter
#10  
Soundguy,
Thanks a bunch. There will be more questions to follow as i get more into working on this tractor. And thanks to whodat also.
 
/ Ok next ford 4000 question
  • Thread Starter
#11  
Yes i know them they are not to far from my house I have contacted them about a new cylinder valve for the front end loader on this same tractor.
 
/ Ok next ford 4000 question #12  
have fun and ask away.

soundguy
 

Marketplace Items

Bainbridge,Georgia (A65640)
Bainbridge,Georgia...
2005 Ford F-450 Crane Service Truck (A66736)
2005 Ford F-450...
(APPROX. 29) ASSORTED ROUGH SAWN PINE (A64276)
(APPROX. 29)...
2025 HT360W Mini Stand-On Track Loader Skid Steer (A64553)
2025 HT360W Mini...
2011 FORD CROWN VICTORIA (A66091)
2011 FORD CROWN...
CASE CX60C EXCAVATOR (A65056)
CASE CX60C...
 
Top