My new Ford 4500

/ My new Ford 4500 #1  

City Farmer

Platinum Member
Joined
Jan 3, 2013
Messages
528
Location
Chesterfield, Mi
Tractor
Ford 3000, 4400 & 4500TLB Case 830 Case 350 dozer
Hi all. Seen this o'l girl on CL yesterday, a 2hr ride later and shes home. It's a 1973/4 Ford 4500. I'm going to marry it with my BH and never take it off again. I'm going to do a complete fluid change and fix a few small leaks. The hr meter still works, theres about 2300 on it. After going over it, I think I believe it. The nubs on the break pedals are still there, it still has the original ford pins in the loader and the steering is tight. Its a diesel, has the shuttle shift, locking diff and a huge brand new bucket. I think it will go 3/4--1 yard. I can bump the key and it's running really smooth. Here's a picture. I'll add more when I mount the BH.
 

Attachments

  • image.jpg
    image.jpg
    1,010.6 KB · Views: 1,468
/ My new Ford 4500 #2  
Those were some of the best machines ever build!! Why in the world they ever stopped building them I will never know. We have 2 of them and will last me the rest of my lifetime I'm sure. Going today to buy some used cylinders from a 755 hoe that has been decommissioned to keep with the stash of other parts for spares built up.
 
/ My new Ford 4500
  • Thread Starter
#3  
Thanks, I can't wait to put it to the test.


Those were some of the best machines ever build!! Why in the world they ever stopped building them I will never know. We have 2 of them and will last me the rest of my lifetime I'm sure. Going today to buy some used cylinders from a 755 hoe that has been decommissioned to keep with the stash of other parts for spares built up.
 
/ My new Ford 4500 #4  
Very nice! Looks like a very clean, solid machine.
 
/ My new Ford 4500
  • Thread Starter
#6  
I'm almost done. I married the BH and the tractor last week and I finally got the BH working like it should. I still can't try it out. When I put the stanchions down the front tire blew, 2 new 8ply fronts will be here Tuesday. I did the full fluid/filter service. I still have more to do before she's 100% but at least the grunt work is done and I can start using it. I have to make a few hose brackets, rebuild the PS pump, move/alter the rear window hinges so the window will close without hitting the BH handles and get a bunch of grease fittings to take grease again. I might paint it while it's still somewhat clean. I scored a 24" bucket and some extra parts yesterday.
 

Attachments

  • image.jpg
    image.jpg
    1 MB · Views: 2,495
  • image.jpg
    image.jpg
    690.6 KB · Views: 651
/ My new Ford 4500
  • Thread Starter
#7  
Hi all, I got the TLB out to the property and started putting it through it paces.

The good, the BH has big time power. I was plucking out 8" trees with no problem. It will pull the whole machine backwards with all 4 tires off the ground.

The bad, the BH lift & swing cylinders are leaking. The loader bucket doesn't curl back far enough or have enough power. The PO put on a new bucket and put the curl pins in the wrong location. The cylinder rods are sticking out about 4" in the curled back position.

My biggest concern is the (torque converter power reversing) trans fluid leaking from the bottom of the bell housing, where the cotter pin is. When its going wide open there's a drip. I can't find a dipstick anywhere. I changed the fluid/filter and topped it off until the fluid started running out the small pipe plug next to the brake pedals. It has excellent power in foward & reverse. It will spin the tires in 1 or 2nd with the differential lock on. Is that hole an overflow vent and how worried should I be about it?
 
Last edited:
/ My new Ford 4500 #8  
It sounds strong. After you get the loader bucket right you may want to change out the UTF and filters.

Fluid is going to leak out of the bottom hole with the cotter key in it. Lucas Hydraulic Oil Booster additive helps our old backhoe leaks. I buy it by the gallon ($30) at Tractor Supply Stores in our area. I like to put in a gallon when it is hot then work it for an hour or two. Over time it can help with the dripping I find.
 
/ My new Ford 4500 #9  
It sounds strong. After you get the loader bucket right you may want to change out the UTF and filters.

Fluid is going to leak out of the bottom hole with the cotter key in it. Lucas Hydraulic Oil Booster additive helps our old backhoe leaks. I buy it by the gallon ($30) at Tractor Supply Stores in our area. I like to put in a gallon when it is hot then work it for an hour or two. Over time it can help with the dripping I find.

Fluid is NOT supposed to leak from the 'dry' flywheel housing.

Please add any snake oils as per package directions. I don't know ANYTHING about that Lucas product, but I bet a gallon in that T/C system is more than the recommended amount.
 
/ My new Ford 4500
  • Thread Starter
#10  
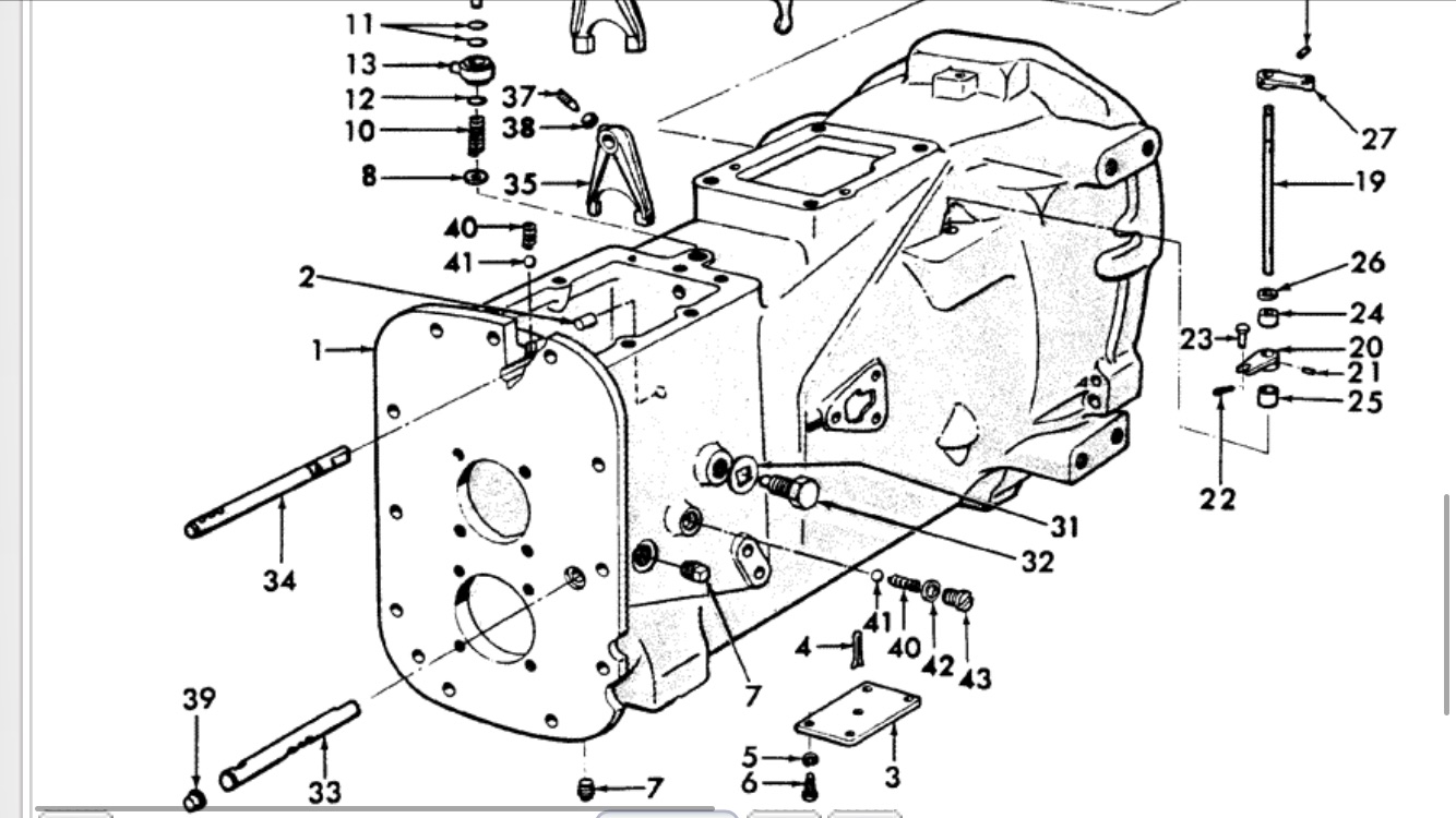
Thanks for the help guys. The fluid isn't coming from the bell housing, its rear of it, almost to the rear axle. I'll pull off the cover and see what's under it. I'm running Case TCH fluid in the torque converter. It's thicker than the Travellers UTF from tractor supply and seems to be the same thickness of the stuff that came out of it. The only service manual I don't have is the one for the torque converter transmission. Can someone point me in the direction of the manual? In this picture, it's part #3 where the leak is coming from.
 

Attachments

  • image.jpg
    image.jpg
    187.5 KB · Views: 1,529
/ My new Ford 4500 #11  
When you pull that cover all the oil will come out of the trans. Notice the lack of a drain plug anywhere. That plate is your drain.
 
/ My new Ford 4500
  • Thread Starter
#12  
When you pull that cover all the oil will come out of the trans. Notice the lack of a drain plug anywhere. That plate is your drain.

There were 3 drain plugs I seen under the tractor. Obviously one for the oil, can't miss the one for the rear diff, and one in the middle for the trans. I didn't have to remove that plate to access a drain plug.
 
/ My new Ford 4500 #13  
Fluid is NOT supposed to leak from the 'dry' flywheel housing.

Please add any snake oils as per package directions. I don't know ANYTHING about that Lucas product, but I bet a gallon in that T/C system is more than the recommended amount.

Rick I will keep you in mind when I post next time hoping to prevent you from replying 100% off base. :)
 
/ My new Ford 4500 #14  
Sounds like we are due for a physical pic. On mine that plate is sealed to the trans, when removed, you lose all oil and can see the counter shaft through it. I still can't get any more pics to load up
 
/ My new Ford 4500 #15  
Rick I will keep you in mind when I post next time hoping to prevent you from replying 100% off base. :)


So you are saying (again) that oil IS supposed to leak from the bottom of the bell housing near the cotter pin? That is the information I replied to, not the clarification posted later.

Or my calling out your recommendation to add 1 gallon of Lucas to A transmission reservoir holding less than 5 gallons, A dosage over 2X the bottle instructions got your panties in a bunch?

Or lumping a Lucas product in the broad category of 'snake oil'?
 
/ My new Ford 4500 #16  
So you are saying (again) that oil IS supposed to leak from the bottom of the bell housing near the cotter pin? That is the information I replied to, not the clarification posted later.

Or my calling out your recommendation to add 1 gallon of Lucas to A transmission reservoir holding less than 5 gallons, A dosage over 2X the bottle instructions got your panties in a bunch?

Or lumping a Lucas product in the broad category of 'snake oil'?

All the above works for me or none of the above. I was just joking that I would try to post in a way you would not read stuff into my posts that I did not type. :)
 
/ My new Ford 4500 #17  
All the above works for me or none of the above. I was just joking that I would try to post in a way you would not read stuff into my posts that I did not type. :)

Surely sarcasm and humor is harder to express and understand in print than conversation.
But your first post here still makes me react the same.
 
/ My new Ford 4500
  • Thread Starter
#18  
Sounds like we are due for a physical pic. On mine that plate is sealed to the trans, when removed, you lose all oil and can see the counter shaft through it. I still can't get any more pics to load up

I'll get some pictures tomorrow. I'm thinking there's an over flow tube in there somewhere. It could be the forward seal that's leaking? I don't have a manual so I have no way to confirm that. My service manual covers 4-8 speed & SOS transmissions but not the torque converter trans. I'm on the hunt for the power reverser manual.
 
/ My new Ford 4500 #19  
Well, where are those pics? How did that diesel work out for you too?
 
/ My new Ford 4500
  • Thread Starter
#20  
Well, where are those pics? How did that diesel work out for you too?

Unfortunately, I haven't been out to the property to get any pictures and I haven't been to the shop to work on the diesel. I've been crazy busy trying to get my house ready to sell and the family made me go camping. I'm almost done with the house, another week or so and it should be ready. After that, I should be able to focus all my time mopping up the diesel swap and the BH.

How's it going at your end? I couldn't add anything when you were working on the rear axle. Luckily, I haven't had to go that deep yet.
 
 
Top