Hey guys,
I have a 2012 Kawasaki Mule 4010 Trans 4x4 Diesel that is having overheating issues.
One of the guys I work with was driving it and it died on him. We towed it back and I started going over things. Turns out it was dieing due to the engine overheating.
Before I go any further I should explain that I am currently deployed and access to parts and tools is extremely limited.
That being said, after an extremely long wait for new parts to arrive, I have replaced the following:
Thermostat
Water pump
Water pump drive belt
Radiator cap
When cold, if I start the engine, it will idle and warm up and the thermostat will open (I can feel the outlet pipe going from cold to hot). However, I never get hot water at the radiator. If I let it continue to idle, it simply heats up and starts to boil the water. Then it will blow water from the radiator and shortly after that I get steam. It's acting like the pump is starving for return water. Every time I refill the system, I am bleeding the air out.
I've pulled the radiator and disconnected all the hoses and using a shop vac, sucked all the lines and I get good flow on everything. This Mule does have an aftermarket cab heater, so thinking I had a big air bubble, I pulled the hoses from it and routed the heater line from supply to return, so that's out of the loop now. But I am still seeing the same problem.
I did find what appears to be pieces of a plastic bag (or something similar) inside both the radiator (inlet) and in one of the hoses. I have no idea how it got there as the Mule hasn't had any maintenance done to it since it left the factory (other than me during routine servicing).
I don't think it's a head gasket, as there is no water in the oil, and it doesn't act like air is being pushed into the cooling system. It definitely only blows water after the engine heats up to the point of making steam.
Also, I've tested the radiator fan and the temperature switch and both of those are working correctly. The fan never comes on because hot water never makes it across the radiator to the switch. There just isn't any flow. As a last ditch effort, I even swapped out the radiator with a new one (thinking that perhaps the plastic material may have been blocking the tubes).
My current thinking is that some of this plastic material is inside the block/cylinder head cooling passages and this is restricting the water flow.
As I said before, I don't have a lot of resources here. I have a basic set of hand tools, a shop vac (suck and blow) and a tiny compressor (1 gallon tank). I don't have running water. I'm having to use bottled water. I do have antifreeze for the Mule once I get this figured out.
I'll be pulling the new water pump back off tomorrow and inspecting the cooling passages as best I can. But does anyone have any thoughts on this? It's seriously kicking my butt...
Thanks,
NV
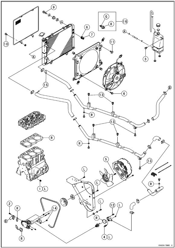
P.S. Here are the cooling system diagrams...


I have a 2012 Kawasaki Mule 4010 Trans 4x4 Diesel that is having overheating issues.
One of the guys I work with was driving it and it died on him. We towed it back and I started going over things. Turns out it was dieing due to the engine overheating.
Before I go any further I should explain that I am currently deployed and access to parts and tools is extremely limited.
That being said, after an extremely long wait for new parts to arrive, I have replaced the following:
Thermostat
Water pump
Water pump drive belt
Radiator cap
When cold, if I start the engine, it will idle and warm up and the thermostat will open (I can feel the outlet pipe going from cold to hot). However, I never get hot water at the radiator. If I let it continue to idle, it simply heats up and starts to boil the water. Then it will blow water from the radiator and shortly after that I get steam. It's acting like the pump is starving for return water. Every time I refill the system, I am bleeding the air out.
I've pulled the radiator and disconnected all the hoses and using a shop vac, sucked all the lines and I get good flow on everything. This Mule does have an aftermarket cab heater, so thinking I had a big air bubble, I pulled the hoses from it and routed the heater line from supply to return, so that's out of the loop now. But I am still seeing the same problem.
I did find what appears to be pieces of a plastic bag (or something similar) inside both the radiator (inlet) and in one of the hoses. I have no idea how it got there as the Mule hasn't had any maintenance done to it since it left the factory (other than me during routine servicing).
I don't think it's a head gasket, as there is no water in the oil, and it doesn't act like air is being pushed into the cooling system. It definitely only blows water after the engine heats up to the point of making steam.
Also, I've tested the radiator fan and the temperature switch and both of those are working correctly. The fan never comes on because hot water never makes it across the radiator to the switch. There just isn't any flow. As a last ditch effort, I even swapped out the radiator with a new one (thinking that perhaps the plastic material may have been blocking the tubes).
My current thinking is that some of this plastic material is inside the block/cylinder head cooling passages and this is restricting the water flow.
As I said before, I don't have a lot of resources here. I have a basic set of hand tools, a shop vac (suck and blow) and a tiny compressor (1 gallon tank). I don't have running water. I'm having to use bottled water. I do have antifreeze for the Mule once I get this figured out.
I'll be pulling the new water pump back off tomorrow and inspecting the cooling passages as best I can. But does anyone have any thoughts on this? It's seriously kicking my butt...
Thanks,
NV
P.S. Here are the cooling system diagrams...







