Kubota L48 hydraulic quick connects for backhoe - can they be used to power 3PH hydra

   / Kubota L48 hydraulic quick connects for backhoe - can they be used to power 3PH hydra #21  
I'm going out now to start looking at it. Now......don't know if this has bearing on the idea of using the front loader valve but I do have a 3rd function hydraulic setup on the loader for a grapple or 4 in 1 bucket. I'm guessing that might be the only front remote and is now not available to use for the TNT......but I'll know shortly. Also, I was looking at post by Brian on Green Tractor Talk and he had pictures of a setup that looked like it would work for my L48 (if the loader valve won't work). Please see the attached pictures.I'm thinking I could mount the control valve on the fender like in these photos. The 4 hoses coming out of the top of the valve would go to a new manifold that would be attached to the ROPS. In the photos, the hoses that supply the valve and return to the tank are coming up from underneath the tractor somewhere. In the case of the L48, I'm suggesting that the supply and return hose would instead, plug into the 2 QA fittings on the rear of the L48 tractor, that supply the backhoe dipper tick and bucket (there is one more QA on the left side that provides for swinging the dipper stick). The backhoe valves are attached to the backhoe assembly and are downstream of those QA fittings. This would be a pretty easy setup to put together. Do you think that would work?

View attachment 635732View attachment 635733View attachment 635734.

I don’t think so. Wish it was that easy.

Checked wholegoods 2009 price list for a L48.

L9444 top-n-tilt kit (hoses and cylinders $818

L9443 aux hyd kit, 3 spool, $1,363. Might make a deal on a used one. ?!? 3pt arms??

If you talk with Kubota dealer like Messicks you have to go thru sales, not parts department for wholegoods orders. They might not be available. Kits I have bought for the 3rd valve remotes for the FEL were complete and with good instructions.

Good luck.
 
   / Kubota L48 hydraulic quick connects for backhoe - can they be used to power 3PH hydra
  • Thread Starter
#22  
Aaron and Scotty, I took some pictures today of the L48 showing the rear of the tractor with the QA fittings. Also shows the right side of the cockpit to give you an idea about space and possible location of the valve. Then, I took pics of the FEL controls and the hoses coming out of that valve. There were no unused ports on that valve, and 2 hoses are for the front remote for a 4 in 1 bucket or grapple. I also tried to get a few decent pics of the hydraulic block. You can see the hose coming out of the rear of the hydraulic block that feeds the FEL controls.

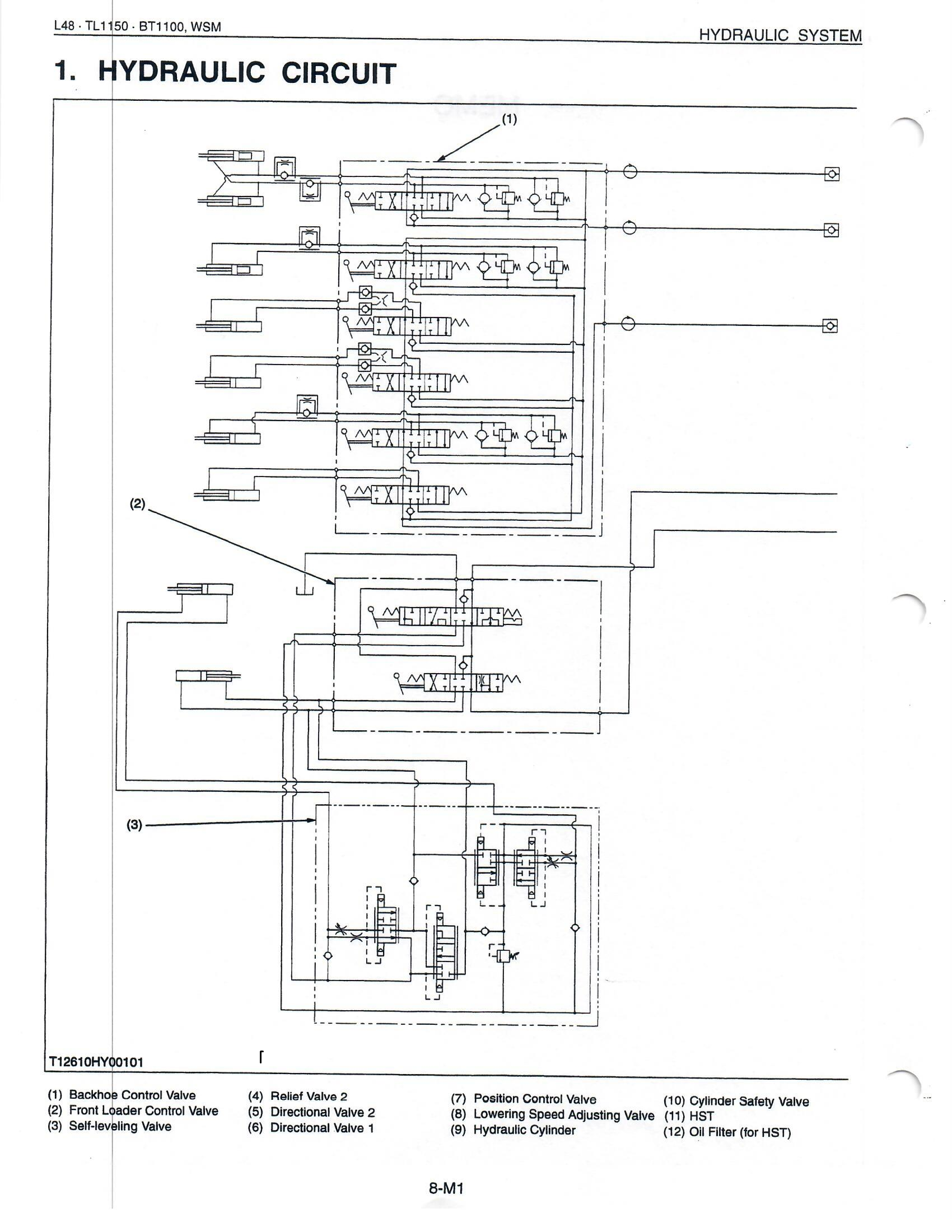
I also have attached the hydraulics schematic from the L48 WSM, along with the page out of the WSM covering the hydraulic block. Hopefully you may be able to advise me on what the simplest option to add the TNT capability might be. I'm sorry....you're dealing with a rookie here and I've never read a hydraulic schematic before and I'm not sure I understand how the power beyond feature of the control valve and the tee you suggest work together....and I don't I fully understand power beyond, so I'd like to explain what I think you're saying and then you can correct me if I'm wrong. What you said about maybe not being able to use the rear QA's that supply the backhoe makes sense to me, but maybe you can tell from the attached schematic whether I can use those QA's or not.

So, presuming I cannot use the backhoe supply and would need to go off the FEL valve...

1. Am I right that the valve being used to activate the auxiliary remote (for the 4 in 1) on the FEL has the power beyond feature to provide full flow of hydraulic fluid to that 4 in 1 bucket.
2. And are you suggesting, that one or both of the hoses going to that FEL remote would be disconnected from the valve, and replaced with a tee?
3. And then the tee would feed both the FEL remote and the new manifold for the TNT in the rear.
4. And are you saying that I would need some sort of manual shut-off to divert fluid to either the FEL remote or the new TNT remote, depending on which remote I needed to use?

By the way, if I just needed to flip a shutoff manually to shut off the front remote when I wanted to use the TNT, that would be perfectly fine. I don't use the front remote at all at this point. Getting a 4 in 1 bucket is on my wish list.

Not sure how many attachments I can add to this post, but if I can't get them all on this post, I'll add them to 1 or 2 other posts immediately after this one.

Thanks again.


KUBOTA L48 HYDRAULIC BLOCK.jpgKUBOTA L48 HYDRAULICS SCHEMATIC_3.pngKUBOTA L48 HYDRAULICS SCHEMATIC_1.pngKUBOTA L48 HYDRAULICS SCHEMATIC_2.pngView attachment KUBOTA L48 HYDRAULIC CIRCUTS - COMBINED.pdf
 
   / Kubota L48 hydraulic quick connects for backhoe - can they be used to power 3PH hydra
  • Thread Starter
#23  
PHOTOS OF KUBOTA L48

0.JPG4.JPG3.JPG2.JPG1.JPG
 

Attachments

  • FEL CONTROL 1.JPG
    FEL CONTROL 1.JPG
    359.2 KB · Views: 267
  • FEL CONTROL 2.JPG
    FEL CONTROL 2.JPG
    338.4 KB · Views: 284
  • FEL CONTROL 3.JPG
    FEL CONTROL 3.JPG
    310.1 KB · Views: 321
  • FEL CONTROL 4.JPG
    FEL CONTROL 4.JPG
    333.5 KB · Views: 270
  • FEL CONTROL 0.JPG
    FEL CONTROL 0.JPG
    627.5 KB · Views: 300
   / Kubota L48 hydraulic quick connects for backhoe - can they be used to power 3PH hydra
  • Thread Starter
#24  
KUBOTA L48 HYDRAULIC BLOCK


[/ATTACH]FEL CONTROL 5.JPGHYDRAULIC BLOCK 2.JPGHYDRAULIC BLOCK 3.JPG
 

Attachments

  • HYDRAULIC BLOCK 2.JPG
    HYDRAULIC BLOCK 2.JPG
    516.9 KB · Views: 255
  • HYDRAULIC BLOCK 1.JPG
    HYDRAULIC BLOCK 1.JPG
    468.7 KB · Views: 223
  • FEL CONTROL 5.JPG
    FEL CONTROL 5.JPG
    351 KB · Views: 288
   / Kubota L48 hydraulic quick connects for backhoe - can they be used to power 3PH hydra #25  
I also have attached the hydraulics schematic from the L48 WSM, along with the page out of the WSM covering the hydraulic block. Hopefully you may be able to advise me on what the simplest option to add the TNT capability might be. I'm sorry....you're dealing with a rookie here and I've never read a hydraulic schematic before and I'm not sure I understand how the power beyond feature of the control valve and the tee you suggest work together....and I don't I fully understand power beyond, so I'd like to explain what I think you're saying and then you can correct me if I'm wrong. What you said about maybe not being able to use the rear QA's that supply the backhoe makes sense to me, but maybe you can tell from the attached schematic whether I can use those QA's or not.

So, presuming I cannot use the backhoe supply and would need to go off the FEL valve...

1. Am I right that the valve being used to activate the auxiliary remote (for the 4 in 1) on the FEL has the power beyond feature to provide full flow of hydraulic fluid to that 4 in 1 bucket.
2. And are you suggesting, that one or both of the hoses going to that FEL remote would be disconnected from the valve, and replaced with a tee?
3. And then the tee would feed both the FEL remote and the new manifold for the TNT in the rear.
4. And are you saying that I would need some sort of manual shut-off to divert fluid to either the FEL remote or the new TNT remote, depending on which remote I needed to use?

By the way, if I just needed to flip a shutoff manually to shut off the front remote when I wanted to use the TNT, that would be perfectly fine. I don't use the front remote at all at this point. Getting a 4 in 1 bucket is on my wish list.

No problems with being a rookie. Everyone starts there.
Those are great attachments. Nifty Schmatics! Thanks for posting them! I think there's enough info there to work through & come up with the answer you want.

Right now I can't give you exact answers to your questions. I'll try, but the are not yet useful answers for building what you want..... Not yet they aren't. The problem is that we aren't yet speaking the same language about hydraulics and that's a sure fire formula for mistakes. But we're closer.
Here goes:

1. Am I right that the valve being used to activate the auxiliary remote (for the 4 in 1) on the FEL has the power beyond feature to provide full flow of hydraulic fluid to that 4 in 1 bucket.
JG, a better way to say that is: "The auxillary remote line (also called the 3rd function line) on the FEL is a form of power beyond circuit activated by a solenoid valve. Normally that solenoid valve is in the off position, and has constant fluid pressure flowing into it which is then constantly being internally routed inside the solenoid valve and sent back to the main fluid reservoir or "tank".
When power is applied to the solenoid, it's internal sliding valve moves into a different positon and now the fluid which before was simply going back to the tank is now diverted into a pressure line to run either an implement ..... or in your case it would probably run another control valve or group of valves. Since this Kubota has an "open type" hydraulic system we always have to provide a return flow, and that return flow will now be going back to the tank either from the implement or from a port on the bank of control valves always marked "R" for return.

And if you use that third function on the FEL your problem is solved. Except cosmetically. Since you already a pressure and a return line running right down the loader arm that is activated by a solenoid, You could mount a bank of as many valves as you want out there on that arm, hook directly to those lines on the loader arm - those hook to the pressure IN and return OUT on the valve bank..... and as far as the L48 is concerned you are good to go.
All that remains is to run your controlled OUTPUT pressure and return lines from the top of the control valve over to whatever implement you are using. At this point you can run as many implements as you have control valves. One of the implements can even be yet another set of control valves!! Most valve banks have two or sometimes three handles. So if you need more handles to control more valves, that's what the power beyond is for. In theory there is no limit except for fluid losses and resistance you can run as many banks of control valves in series as you want. Each one feeds the next via the power beyond port....and of course each valve bank has to have its own return line back to the tank.

Now I'll admit this might look a little strange with control valves mounted on the loader arms and a forest of rubber hoses going to impements... but it would work.

For questions 2,3,&4 you ask: Are you suggesting, that one or both of the hoses going to that FEL remote would be disconnected from the valve, and replaced with a tee?and then the tee would feed both the FEL remote and the new manifold for the TNT in the rear?
And are you saying that I would need some sort of manual shut-off to divert fluid to either the FEL remote or the new TNT remote, depending on which remote I needed to use?

JG, I think that by now you see that you could do it that way. OR you could run the FEL remote from one of that plethora of valves we now have mounted all perched up there on the loader arm.

OK,,, OK.. you would rather do it some other way. Well, for that we need to get into those hydraulic schematics you so kindly posted.

And truly, learning to read hydraulic schematics is not that difficult....I guarantee you can do it in an evening. And I also guarantee that working our way through the L48 schematic will take a bit longer. But it isn't hard, just arcane. It's arcane because because hydraulic schematics use what is called "functional symbology" where each line of each component's drawing is intended to show how the fluid is functioning at that point, and what pathways are open, shut, or transitional.

Here's a good simple example of what I mean: A control valve in schematic terms is shown as a rectangle composed of three squares. Eadh of the three squares has some lines inside the square which represent flow paths. IMPORTANT: ONLY the center square represents the normal or resting position of the control valve. To see what happens when the control valve is pushed or pulled, you mentally slide either of the outer squares so that it becomes superimposed on the center square. When you do that, those lines inside the square line up to show the flow of fluid in that condition. Makes sense??

So the trick to hydraulic schematics is that the simple geometric shapes of the components illustrate the FUNCTION of that component ..... but does so in a kind of shorthand that ultimately helps you to figure out what the component not only is doing, but can do.

I recommend you read through these three short basic tutorial modules on the Fluid Power Worlds web site.
It's easy reading, you can do all three in an evening & have time left over.

They are excellently written by Josh Cosford and Mary Gannon of Fluid Power World.
Fluid Power Products and News | Fluid Power World

Hydraulic Symbology 101
Hydraulic Symbology 102
Hydraulic Symbology 201 industrial directional valves

If those links don't work, the URL below will. It leads to the HS201 because the first sentence of HS201 contains working links to HS101 & HS102.

file:///Users/temporaryuser/Documents/%20%20%20%20%20_0%20__%20ROGERs%20EVERYTHING%20FILE/5__CBF%20ENGINEERING/Hydraulics%20and%20Hydraulic%20Engineering/Hydraulic%20Symbology%20201%20?20industrial%20directional%20valves.webarchive

BTW, did you notice that in the bottom of your third sheet posted it mentions that the swing circuit can be used for powering other hydraulic implements when the backhoe is removed?? !

Enjoy!!
rScotty
 
   / Kubota L48 hydraulic quick connects for backhoe - can they be used to power 3PH hydra #26  
......BTW, did you notice that in the bottom of your third sheet posted it mentions that the swing circuit can be used for powering other hydraulic implements when the backhoe is removed ?..........

Hi Jim,

This can be pretty simple. On my L48 I use the swing circuit to power a grapple. I just needed to add a tee in the return plumbing.

The implementation is convenient and out-of the way. The control valve (single spool) is mounted on the FEL valve box (see pic) - with its exhaust line running down to a new tee. Its power hose runs back to the swing circuit connector (1/2" Parker 60 series).

For a top-link, 1/4" hoses and connectors are a good size and easy to route, tucked away under the seat platform.

With your top link pinned on and plugged in, just swap the connector and flip the lever to the left (if not already there).

Take care, Dick B
 

Attachments

  • L48 swing ckt connector.JPG
    L48 swing ckt connector.JPG
    189.5 KB · Views: 293
  • L48 grapple valve.JPG
    L48 grapple valve.JPG
    28.1 KB · Views: 271
  • L48 BLOCK 6.JPG
    L48 BLOCK 6.JPG
    108 KB · Views: 452
Last edited:
   / Kubota L48 hydraulic quick connects for backhoe - can they be used to power 3PH hydra #27  
Yes, when adding a grapple to my L48 I used the swing circuit to power it and added a tee for a return line.

Well, what took you so long to chime in!? :)
Here you've already done pretty much what JG wants to do to his L48. You could save him some skull sweat.
Wait a minute... Now I think I remember you posting about doing that. Was it a rear grapple you powered? or did you not have an aux. or 3rd function up on the FEL?
Any particular tricks that the OP should be aware of?
rScotty
 
   / Kubota L48 hydraulic quick connects for backhoe - can they be used to power 3PH hydra #28  
Hi Scotty - right you are, I use my L48's swing circuit to power a grapple valve.
Just edited the post above and added some pics.

No tricks needed - mounting the parts before ordering hoses is a good idea. Dick B.
 
   / Kubota L48 hydraulic quick connects for backhoe - can they be used to power 3PH hydra #29  
Hi Scotty - right you are, I use my L48's swing circuit to power a grapple valve.
Just edited the post above and added some pics.

No tricks needed - mounting the parts before ordering hoses is a good idea. Dick B.

Yes, that ought to be just the info that Jim needs. Thanks for jumping in.
And for the connector info. I saw you used a Parker & had wondered what size QA connector was used by Kubota.... If it used something special or just a Parker fitting.
(1/2 #60 male)

I see that the middle picture you posted shows the old L return connection before you mounted the return Tee. Which BTW reminds me, Jim...the Tee doesn't need to be a high pressure hydraulic Tee - although that's never a bad idea. In fact, in a return line you might even get by with using the existing L and just splicing the hoses together. You can sometimes do that by using a Y when the return hose is a size or two larger than the pressure hose.

When a return hose is undersized for the flow, you can get back pressure against the control valve which causes hard-to-diagnose control problems.

But that Tee does lead to another another thread question.
Most tapered pipe threads - especially female threads into castings - on Japanese machinery uses the BSTP thread which is very, very close to the US typical NPT that is used in the USA for similar tapered pipe threads.
For replacing that L with a Tee,....is the existing Kubota hydraulic block threaded for BSTP or for regular US tapered threads?
mcmaster.com has both.

luck, rScotty

BTW, for hydraulic plumbing parts I use McMaster.com.
 
   / Kubota L48 hydraulic quick connects for backhoe - can they be used to power 3PH hydra #30  
...... I saw you used a Parker & had wondered
what size QA connector was used by Kubota......

Many of the QD's on my Kubota machines are in fact Parker 60 series.
Their configuration complies with ISO 7241-1 Series B, widely-used in Ag machinery.

For hoses and fittings I like these people.
They have an extensive inventory, very fast response and quite good prices.

BTW several connections on the L48 are BSPP (straight not tapered, but have an o-ring).
There are more types and styles in worldwide use today than you can shake at a stick.:confused2:
 

Tractor & Equipment Auctions

2017 Chevrolet Silverado 2500 4x4 Crew Cab Pickup Truck (A55973)
2017 Chevrolet...
Honda UTV (A56859)
Honda UTV (A56859)
White Metal Roof Panels (A55758)
White Metal Roof...
2019 Ford F150 XL (A57148)
2019 Ford F150 XL...
2008 JOHN DEERE 310SJ BACKHOE (A52709)
2008 JOHN DEERE...
500 BBL FRAC TANK (A58214)
500 BBL FRAC TANK...
 
Top