nfisheremti
Bronze Member
- Joined
- Jul 10, 2011
- Messages
- 63
- Tractor
- Kubota L3800 HST
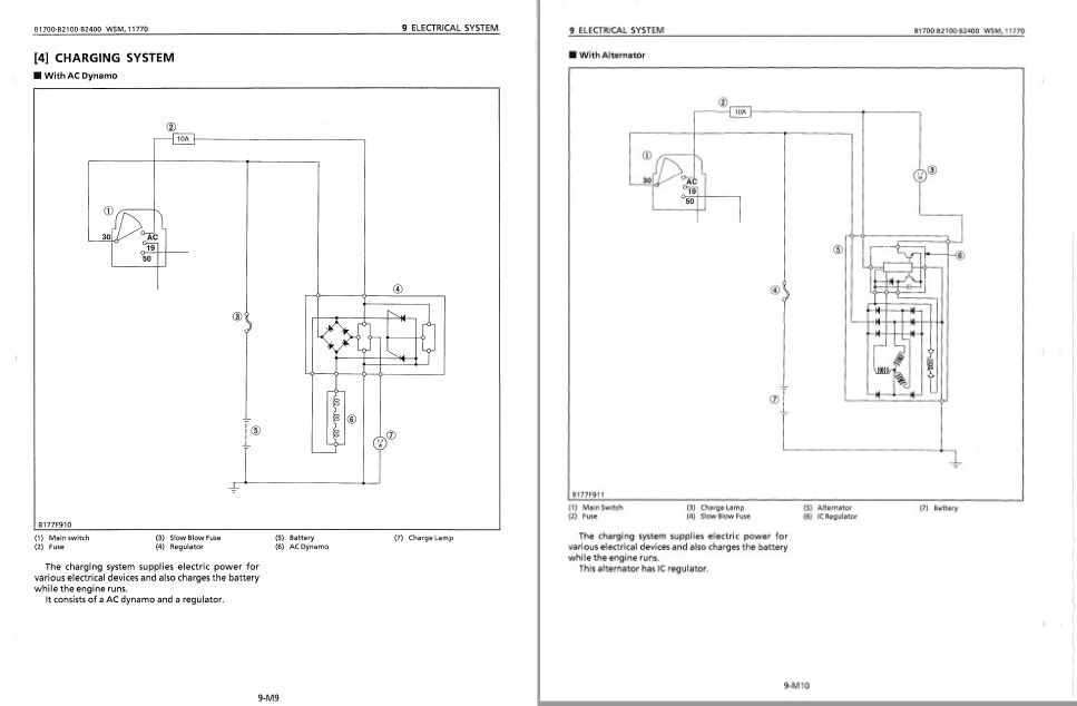
my 1996 b2400 dynamo (that's what kubota calls it) no longer can keep up with my nighttime lighting (all LED - only 20W total). if i run in the dark for more that 2hrs, i start loosing LEDs and the tractor doesn't have enough juice left to start again, without sitting on a charger for a few hours (or a jump). my question is this: can i use an aftermarket alternator, or do i need the tiny and expensive kubota one? has anyone tried this? what advice do you have?
thanks.
thanks.
