john deere 4310

/ john deere 4310 #1  

keithl63

New member
Joined
Sep 21, 2013
Messages
4
Location
durham,maine
Tractor
john deere 4310
I have a 2002 john deere 4310 with 850 hours on it and it stalls under a load. Like going up hills in high gear, back dragging, and lifting material out of piles. Didn't know if there was any known concerns. Have replaced all filters and fluids with no change. Any help would be appreciated. Thanks
 
/ john deere 4310 #2  
Need to know a bit more to provide good help, but I'll take a couple stabs at it from what you've explained.

Is the tractor new to you? Or have you had the tractor since new and this is a new problem you've never experienced?

Is it the eHydro transmission? If so try a lower gear range or ease off the "go pedal" some. Less pressure on the "go pedal" for a HST is akin to putting it in a lower gear. More pressure equals more speed but less power. Same for FEL and backdragging. If you are increasing the pressure on the "go pedal" as the load increases, you are operating it incorrectly and should lessen the pressure as loads increase. I'm not sure about hills where you are, but hills here in WV can't be climbed in high gear by any tractor I've ever operated or been near. High range is reserved for getting from point A to point B on mostly level ground with little to no load.

If you are concerned about the power output, call your dealer. Many can dyno-test the unit from the PTO shaft easily.
 
/ john deere 4310 #3  
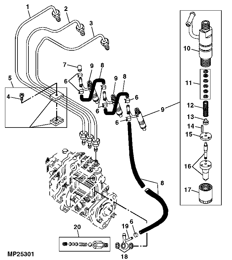
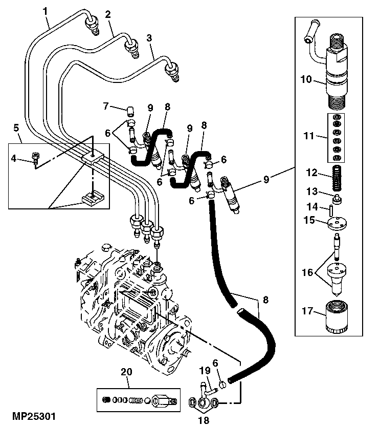
If it stall in low range or doing pto work try these things. Have you checked for good fuel flow from tank? Is tank venting properly? Remove fuel return line(parts key #8) from fitting while engine is stalling to see it that helps. Check ball(parts key #20)could be stuck or blocked.
 

Attachments

  • MP25301________UN28JUN01.gif
    MP25301________UN28JUN01.gif
    20.7 KB · Views: 175
/ john deere 4310
  • Thread Starter
#4  
I bought the tractor new. Its had this problem for a while but seems to be getting worse. Before it was intermittent but it seems to do it all the time now. I use a and b range for work and c range for driving from point a to b. It is an e-hydro transmission. I will have to check the check valve today. Also the hills i'm climbing are small. Thanks
 
 
Top