hydraulic line connections

/ hydraulic line connections #1  

lakespirit

Silver Member
Joined
Jul 9, 2006
Messages
244
Location
Idaho Panhandle
Tractor
2004 KAMA TS254C
I forgot which hose from the KOYKER loader controls goes to which connector on the tractor. KAMA TS254c. Three hoses. I must have put them on incorrectly because I destroyed my pump.
 
/ hydraulic line connections #2  
It's still dark out here Jeff, I'll go out in a few hours and take a look at mine for you. I've got the Koyker 160 on a TS354C, so the plumbing should be reasonably similar.

//greg//
 
/ hydraulic line connections
  • Thread Starter
#3  
Thanks, Greg. I look forward to that.
 
/ hydraulic line connections #4  
Sorry it took so long to get back, I have out-of-state visitors at the place right now. The very top connector, and the underside connector are to/from the tractor. Top one comes from the pump, bottom one goes back to the sump. The four in the middle go to/from the lift and curl cylinders.

When you disconnect the loader lines from the tractor, it's imperative that you plug the two "dangling" tractor lines into each other. That keeps fluid flowing in the absence of the loader valves. Since you feel you've destroyed your pump, I'm guessing you forgot this step

//greg//
 
/ hydraulic line connections
  • Thread Starter
#5  
thanks, Greg. I was unclears as to what I need. It's the three large diameter hoses going from valve body to the sump.
 

Attachments

  • P1040292.JPG
    P1040292.JPG
    714.6 KB · Views: 345
  • P1040293.JPG
    P1040293.JPG
    896.7 KB · Views: 414
/ hydraulic line connections #6  
You can protect your pump by putting a relief valve right off the pump, before any valve. When a QC is unplugged, there is no place for the fluid to go, and the pump will pump until something burst.
 
/ hydraulic line connections #7  
On your valve you have 3 lines. One is the feed and one is the return like Greg stated. The third is a power beyond. Not sure how yours was plumbed but more than likely it either goes back to power a Back Hoe or the 3 point lift.

Chris
 
/ hydraulic line connections #9  
The bottom hose is pressure from the pump in,the one almost at the top is the return,and the top one is the power beyond port
I'll have to take another look tomorrow, the supply and return on my TaiShan disappear into a conduit for a ways. I may not have traced them end-to-end accurately. But the way it appeard to me this morning was the top is supply from the PTO pump at the back of the tractor, the bottom is return to the sump under the seat. I don't have that extra hose though, which - as Chris stated - apparently feeds an optional device somewhere.

Nevertheless, good chance the failed pump is as a result of disconnecting the loader hoses without plugging the tractor hoses back into each other. That will deadhead the pump inna heartbeat.

//greg//
 
/ hydraulic line connections #10  
I'll have to take another look tomorrow, the supply and return on my TaiShan disappear into a conduit for a ways. I may not have traced them end-to-end accurately. But the way it appeard to me this morning was the top is supply from the PTO pump at the back of the tractor, the bottom is return to the sump under the seat. I don't have that extra hose though, which - as Chris stated - apparently feeds an optional device somewhere.

Nevertheless, good chance the failed pump is as a result of disconnecting the loader hoses without plugging the tractor hoses back into each other. That will deadhead the pump inna heartbeat.

//greg//

What did you find //greg// ???? I have put on a few hundred Koyker loaders in the last 9-10 years so I'm pretty confident on where the pressure and return hoses go.


Tommy
Affordable Tractor Sales
"Your Jinma Parts Superstore"
Home of compact Jinma, Foton, and Koyker Tractors and Parts, Wood Chippers, Backhoes - Affordable Tractor Sales Company
 
/ hydraulic line connections #11  
I forgot which hose from the KOYKER loader controls goes to which connector on the tractor. KAMA TS254c. Three hoses. I must have put them on incorrectly because I destroyed my pump.
Rather than react to yet another petty challenge, I thought it best if I just point to the source. Going by the Koyker manual itself, my earlier description was likely inaccurate, I could have lost track of which hose was which inside that conduit. And in Tommy's zeal to prove me wrong, he neglected to consider that there's more than one way to configure the hoses.

I'm pretty sure if you apply these diagrams to your specific configuration, you'll come up with the right answer yourself. But as far as "destroying your pump", think back. Did you remember to plug together the tractor ends of the loader connections after disconnecting the loader hoses? Now I may be wrong to assume that yours is plumbed similar to mine, but here goes; the supply comes out of the PTO pump for a couple feet, then there's a QD fitting. That's where the loader supply QD fitting plugs in. Coming out of the right side of the sump is another short hose, also ending in a QD fitting. The loader return QD fitting plugs in there. The supply and return male/female QDs are installed in opposition, making it impossible to connect the pigtails wrong. But the moral of the story is - whenever I unplug the loader from the tractor - those two the pigtails must be plugged together before I start the engine. Otherwise high pressure oil in that supply pigtail has no place to go.

//greg//
 

Attachments

  • dinoil.jpg
    dinoil.jpg
    207.8 KB · Views: 1,165
Last edited:
/ hydraulic line connections #12  
//Greg// it's not a petty challenge it was asking you a question that you are always so sure about ,but you had to go research the answer before you replied back,it's OK to be wrong we all are at one time or another if the OP would have plumbed his like you told him he would still had a loader that did not work,thinking it was plumbed correctly. The pressure in and the return does not change on the Koyker valves for the 140/160, you can add the power beyond fitting but the pressure in does not change

Tommy
Affordable Tractor Sales
" Your Jinma Parts Superstore"
Home of compact Jinma, Foton, and Koyker Tractors and Parts, Wood Chippers, Backhoes - Affordable Tractor Sales Company
 
/ hydraulic line connections
  • Thread Starter
#16  
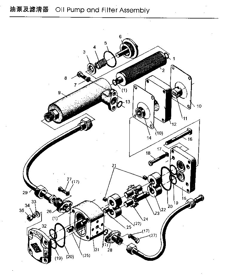
VERY FRUSTRATED with my problem. I just blew a hole in ANOTHER pump housing. All my QDs are hooked up like some folks described in several posts, so I can't figure out what the blazes is happening. It is happening as soon as I fire up the tractor, and pull the loader valve in any direction. Does anyone know whether the small hole in the pump body is on the inlet or discharge side? Presently the larger hole is on inlet side.

I have replaced pumps in the past and never had this happen, so I'm out another $200, and still out of business.:mad::confused:
 
Last edited:
/ hydraulic line connections #17  
Sounds like you still haven't purchased that set of manuals. Maybe this diagram will help. Or did you just buy a pump housing only, and forgot which way the cover plate went on? As the diagram illustrates, the cover plate printing is right side up. Plus there's an arrow stamped into the housing (top side) that points left. $200 suggests you bought a complete pump. But if you got the housing only - and mistakenly bolted the cover plate on upside down - well.......

If the pump's truly shot, this won't help till you replace it again. But after mounting the replacement, just connect up the left (inlet) pipe. Pull the compression release and spin the starter so you can verify flow through the outlet (right) port. Releasing the compression ensures the engine won't start, which should save you another pump while troubleshooting. The flow will be pushed by the starter motor only. Understand you're going to make a mess while tracking down the blockage. Assuming you don't hear the pump start to deadhead, connect the outlet pipe. You've never addressed whether or not you've got the QD pigtails I described earlier. Assuming you do, disconnect the loader hoses at those QDs. Snap together the two tractor pigtails so the flow comes out of the pump and goes straight back into the sump. Pull the compression release and spin the starter again. If there's no indication of deadheading, those QDs are good.

Another thing. Did you look at the Koyker/Dinoil diagram I posted above? Make sure you haven't mistakenly configured the controller for closed center. Take any potential Power Beyond problems out of the equation by removing the PB hose and plugging the hole. Then take the QDs off the tractor end of the loader hoses. Inspect them for proper opening, cleaning and/or replace as required. I have spares if you need any.

Once you are sure the QDs aren't the problem, verify again the controller configuration against the Dinoil diagram. Just remember - this is a process of elimination. Until you're sure you've got a complete hydraulic circuit - always use the compression release before trying to pump any fluid.

//greg//
 

Attachments

  • PTO pump.jpg
    PTO pump.jpg
    123.9 KB · Views: 1,763
/ hydraulic line connections #18  
The small hole on your pump is the high pressure outlet,the big hole is the return or inlet.

I'm not familier with your tractor but the first thing I would do is take the loader out of the system by taking your high pressure line and connecting it to your low pressure line,the power beyond will have no function if you don't have pressure going to the loader valve.

If the problem does not happen until you move the loader valve,it's telling me there is a problem with the valve or the plumbing to the loader.If you start the tractor without moving the loader valve did all the 3-point system work ?

Do as above on not letting the tractor start just spin it over to get pressure built up,reguardless you are going to need another pump.

Tommy
Affordable Tractor Sales
"Your Jinma Parts Superstore"
Home of compact Jinma, Foton, and Koyker Tractors and Parts, Wood Chippers, Backhoes - Affordable Tractor Sales Company
 
Last edited:
/ hydraulic line connections
  • Thread Starter
#19  
I got it figured out finally. Turns out I had my return line and 3 pt lines reversed causing the mayhem.:eek:
 
/ hydraulic line connections #20  
I got it figured out finally. Turns out I had my return line and 3 pt lines reversed causing the mayhem.:eek:

That would do it. I bought a bunch of colored zip ties and marked each hose with corresponding colors. I match each end of the hose up with the other via colors. Example. The tractor side return line and the loader side return line both have a red zip tie on the quick connect.

Chris
 
 
Top