Hydraulic fluid in engine oil?

/ Hydraulic fluid in engine oil? #1  

GordNovo

Silver Member
Joined
Sep 14, 2005
Messages
217
Location
near
moving this thread from wrong sub forum---

While out fishing yesterday i get a text from the missus who's out on the 2520 cutting grass and such. She tells me she hears some weird clank sound followed by some loud clicking sounds and the tractor begins puffing heavy smoke. She turns it off immediately.


I check the oil this am and notice the oil level is very high, like 3" above the fill line. It's not milky.. and it has a very light viscosity. also, it does not have a diesel smell. There's no sign of hyd fluid in the site window, but that's not unusual. it often fluctuates out of site. My guess it seems like tranny fluid has made it into the engine. I'm no mechanic but my guess is a main seal between engine and tranny has gone bad.

Does anyone have any experience with such a situation or have an idea on diagnosis? I did a search on the forum and nothing similar came up.

i'm guessing the repairs will be very extensive due to having to split the tractor to get to the seal and possibly repair any piston damage that may have occurred. ugh...

when i posted this on the wrong sub forum earlier today others commented that it could be the hydraulic pump leaking fluid into the engine. My pump has been leaking somewhat for the last year or so, but it's been minor and the leak hasn't appeared to be at the spot where it joins to the block. removing the hydraulic pump looks like a fairly big job on account of the way it's joined across the full front of the block.

thanks everyone...
 
/ Hydraulic fluid in engine oil? #2  
I can't help at all with the repair process,

But don't worry about any "lubrication failure" associated with UTTO getting into the engine.
Perfectly OK in the short term.

Wish you a speedy "recovery".
 
/ Hydraulic fluid in engine oil? #3  
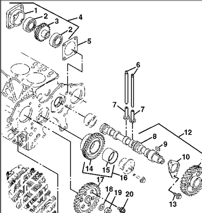
My guess is seal on hyd pump which mounts on frt LH of engine has failed. Hyd pump attaches to drive gear(key 1). From searching JD parts it appears they offer no seal or seal kit for pump. M810115 Hydraulic Pump - ADD 729.64 USD
 

Attachments

  • Capture.PNG
    Capture.PNG
    81.6 KB · Views: 636
/ Hydraulic fluid in engine oil?
  • Thread Starter
#4  
Thanks for the quick replies guys. I have a shop manual for my machine. I'll look into this job to see its something i can tackle or if i need to get a professioanl involved. Ive also got the local dealer looking into the issue and provding a quote on an R&R for the hydraulic pump.
 
/ Hydraulic fluid in engine oil?
  • Thread Starter
#5  
ok, so i have an update if anyone's following this thread...

Dealer repair tech ran his diagnostics and concluded the problem was with the hydraulic pump.. no surprise. Their solution was to r and r the pump and quoted way to much money. So instead i go them to order me the two gaskets that seal the pump to the gear housing and an oring that fits over the intake port.

When i got it home I took the pump off without problems. Didnt' have to remove any other parts to get it off either. Took the pump apart completely. it's a surprisingly simply design actually with a single shaft driven gear on the inside which meshes with another idler gear through which the fluid flows. I learned that its an 'open centre' system, meaning fluid flows through it continuously and it's direct drive off the cam. i inspected the few parts comprising the pump and everything was pretty much in tact with no signs of wear or damage, no signs of wear on the bushings holding the gears in place either.. generally it all looked in pretty good shape. The service manual helped a little but honestly i didn't even have to look at it to get it apart and put it back together. I took my time paid close attention to how things reassembled and made sure i took note of which position the internal plates wedged against the internal gears were supposed to be in. From when I started taking it apart to when i had it reinstalled, Id say it took maybe 2.5 hrs. I'm completely mystified by why the dealer charged so much for labour (?).

After getting it together and changing all the fluids, i took it out for a boot, did some loader work, cut the grass about 4 acres, and inspected the engine oil level frequently. So far so good..touch wood. All in all, i'm relieved the pump was serviceable and not too difficult to do. I took a few pictures throughout the process if anyone would like to see em.. lemme know and i can post em.

thanks for reading...
 
/ Hydraulic fluid in engine oil? #6  
That's great news, glad you got it fixed.
 
/ Hydraulic fluid in engine oil? #7  
On the gear pumps, the fluid flows around the gears not between the gears. Usually what happens when the pump wears is the fluid gets between the side of the gears allowing the pressure to flow towards the shaft blowing out the seals. I would start saving up some coins for a new pump in the near future.
 
/ Hydraulic fluid in engine oil?
  • Thread Starter
#8  
Hmm. Good to know. I inspected the shaft seal and looked ok. No pitting on the shaft either. One thing for sure the gaskets were shot so im hoping that was the cause of leakage into the block.

Im actively monitoring oil levels...
 
/ Hydraulic fluid in engine oil? #9  
My little 240D yanmar did the same thing years ago, loosing trans/hyd fluid building engine oil.
 

Marketplace Items

2012 DRAGON 165BBL ALUMINU VAC TRAILER (A67714)
2012 DRAGON 165BBL...
2015 IC Corporation PB105 School Bus (A61573)
2015 IC...
2013 INTERNATIONAL PROSTAR+ 113 (A67714)
2013 INTERNATIONAL...
2014 Ford Transit Connect Cargo Van (A66736)
2014 Ford Transit...
1947 Chevrolet Panel (A62613)
1947 Chevrolet...
2018 Chevrolet Tahoe SUV (A66738)
2018 Chevrolet...
 
Top