Oil & Fuel Ford 3930 Power Steering

/ Ford 3930 Power Steering #1  

jgriswol538802

New member
Joined
Oct 28, 2009
Messages
24
Location
Winder, GA
The power steering on my 3930 seems slow when the motor is near idle. Is that typical or indicative of a potential problem?

Can you tell me how to check the power steering fluid on a Ford 3930? Does it have a separate power steering fluid or does it use the same hydraulic fluid in the rest of the system?

Any help would be appreciated.
 
/ Ford 3930 Power Steering #2  
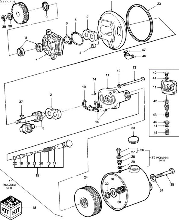
The 3930 has a separate PS pump and reservoir as an integral assembly. See the illustration below. That reservoir also contains a filter. I think your low rpm is surely responsible for your lack of steering power since the pump might be slightly worn with age. However, it is always good practice to change the filter (item #24) and check the fluid level when there is any doubt. The power steering system uses the same Multi-G 134 fluid as the hydraulic reservoir.
 

Attachments

  • 3930ps.jpg
    3930ps.jpg
    70.3 KB · Views: 17,281
/ Ford 3930 Power Steering
  • Thread Starter
#3  
Jim,
Thanks for your reply.

There is a cap on the PS reservoir. It has what looks like it could be a dipstick as part of it, but there is no "full" mark on it that I see. What is the correct fill level for the fluid. Don't want to overfill it if that will cause harm.

Thanks again.
 
/ Ford 3930 Power Steering #4  
I can't say for sure, but some dipsticks are a plastic tube with a raised ridge where full should be. Other dipsticks may have a hole drilled in a flat or a crosshatch section. If there is none of that, I'd go for midway up the dipstick as okay. As long as you leave some head room in the reservoir you will be okay. It doesn't take much fluid to run one hydraulic steering cylinder so the level doesn't vary much unless there is a leak.

BTW: There is no way you should be operating that tractor without an owner's manual. One screw-up will cost many times the cost of a manual. I'm an evangelist who preaches the gospel of the Operator's Manual. Get yourself one and "save" yourself some grief.;)
 
/ Ford 3930 Power Steering #5  
I'd like to add.. that at idle, pump volume is low, and it's kinda normal for PS to be sluggish. PS on my 7610s and 850 is sluggish at low idle.. same on my 4600 and 5000.. pump up the rpms a hair and no issues.

soundguy
 
/ Ford 3930 Power Steering #6  
My 3930 is a '92. On my PS reservoir, there is just a cap, no dipstick.

With mine, the manual says to "check that the oil is level with the bottom of the filler neck".

For the '92, just fill it up till it is about to run out. Leaves (w/o looking) I'd say at least 1" of headroom for expansion.

Try calling around to NH dealers for old manuals - I found mine 4 years ago, at a dealer who needed to make room on their bookshelf for newer stuff. Basic Operating manual (8.5x11, about 1/2" thick) cost me probably L.T. $10, was in mint shape.

My PS boost (just picked up a filter myself, as I'm guessing it wasn't done recently, if at all) seems good to me a low rpm. But then again, I prefer less boost on my cars and I don't have a FEL yet, so my impression may be different.

D.
 
/ Ford 3930 Power Steering #7  
I've found all those Ford's with the separate pump are pretty weak, put a loader on them and its even worse. My favourite is when you're heading towards something with a heavy load in the bucket, lift off the foot throttle and boom steering is locked as hard as a rock lol. Hard instinct to master, to blip the throttle to be able to steer away.
 
/ Ford 3930 Power Steering #8  
The fully hydrostatic systems (like the 3930) have relief set up around 1250 psi. When the system is right, it will steer at idle.
 
/ Ford 3930 Power Steering #9  
wish my 7610s steered real good at idle. I mean it steers.. it's just sluggish at low idle..

soudnguy
 
 
Top