Mowing Elec problem on 1850 (slope mower)

   / Elec problem on 1850 (slope mower) #11  
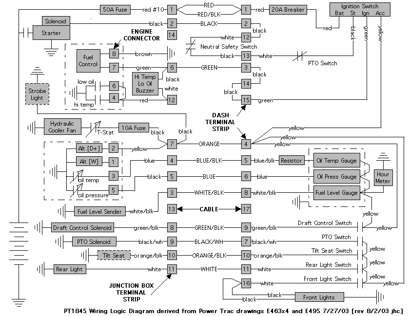
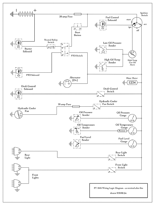
Here are some diagrams I have collected. These machines change over time so you cannot use these as gospel. I have also included a complete rewire diagram someone did athat one day I will use
 

Attachments

  • 1850-Wiring-diagram-6-1-20110001-copy.pdf
    1.6 MB · Views: 198
  • wiringlogicfromptdwgs.gif
    wiringlogicfromptdwgs.gif
    22.2 KB · Views: 114
  • wiringlogicdiagramafterrebuild.gif
    wiringlogicdiagramafterrebuild.gif
    33.7 KB · Views: 116
   / Elec problem on 1850 (slope mower) #12  
Looking at that diagram, the 50A breaker only feeds the 20A breaker.

The 20A breaker feeds:
- The black wire feeds the neutral safety switch and the starter solenoid.
- The green wire feeds the fuel control and the hi-temp/lo-oil buzzer.
- Then you have the yellow wire.... YIKES! That feeds pretty much everything else.

Here's how I troubleshoot everything:

This works for pretty much everything. Software, hardware, mechanical devices, electrical devices, etc....

- Cut it in half.
- That determines which half the problem is in.
- Reconnect the problem half.
- Cut the problem half in half.
- Repeat.
- Keep cutting the problem in half until you isolate it.

I'd disconnect that yellow wire at the ignition switch and see if that kills the problem first. It appears none of that stuff is needed to start the machine. It's just lights, gauges, draft control, PTO solenoid, tilt seat, fuel gauge sending unit, oil temp and pressure sending units, and the hydraulic cooling fan.

If the problem persists, the problem is in the upper half of the diagram, which appears to be the fuel control and starter solenoid.

But I'll guess that switching your 15A breaker back to the 20A that its supposed to be may resolve it.

Anyhow, you get the gist.... cut it in half, observe, reconnect, cut, reconnect, cut, etc... until you get it down to the problem component.
 
   / Elec problem on 1850 (slope mower) #13  
On my tractor, it does not take much to overload the breaker. If you are undersized, that could definitely be the problem.

Ken
 
   / Elec problem on 1850 (slope mower) #14  
From my experience on various outdoor machines, the typical pop-out breakers are not very reliable or water proof and are best replaced with marine type when a standard one starts causing problems. Also usually can go up one step w/o a safety concern....if still keeps tripping, then likely some real overload or intermittent short. May not find at typical auto supply shops though.
 
   / Elec problem on 1850 (slope mower)
  • Thread Starter
#16  
Wow. What great stuff. Google move over ;)
Thanks to all for such comprehensive information.

I'm ordering a marine grade CB today.
Will advise after intalling that....

doug
 
   / Elec problem on 1850 (slope mower) #17  
Wow. What great stuff. Google move over ;)
Thanks to all for such comprehensive information.

I'm ordering a marine grade CB today.
Will advise after intalling that....

doug

Goof idea to go with marine grade, bad idea to go any higher amperage than original. IMHO.
 
   / Elec problem on 1850 (slope mower) #18  
I always go with marine grade on my PT. I hate fixing something twice. West Marine and Del City for connectors and wire, except for the main harness, which is elevator cable.

I added a series of ground wires all tied back to a single point on the engine. The PT standard ground path is a bit convoluted, especially front to rear. You might also think of checking the alternator output. If the ground lifts, the field can invert, blowing your diodes.

All the best, Peter
 

Tractor & Equipment Auctions

17" Wheel Simulator, Front & Rear w/Hub Cap, Ford F-250 Chrome, 1 Set, Item # RZCMWC-9506 (A59076)
17" Wheel...
2022 Ford F-450 Super Duty STX Pickup Truck, VIN: 1FT8W40T2NEC20764, Crew Cab, 4x4, Fx4 Off Road, (A59076)
2022 Ford F-450...
2021 Freightliner Cascadia 116 T/A Day Cab Truck Tractor (A55973)
2021 Freightliner...
NEW Wolverine 72in Skid Steer Ripper (A59000)
NEW Wolverine 72in...
2017 Ford F-150 Pickup Truck (A55973)
2017 Ford F-150...
2006 Hackney T/A Hazmat Truck (A56858)
2006 Hackney T/A...
 
Top