John White
Gold Member
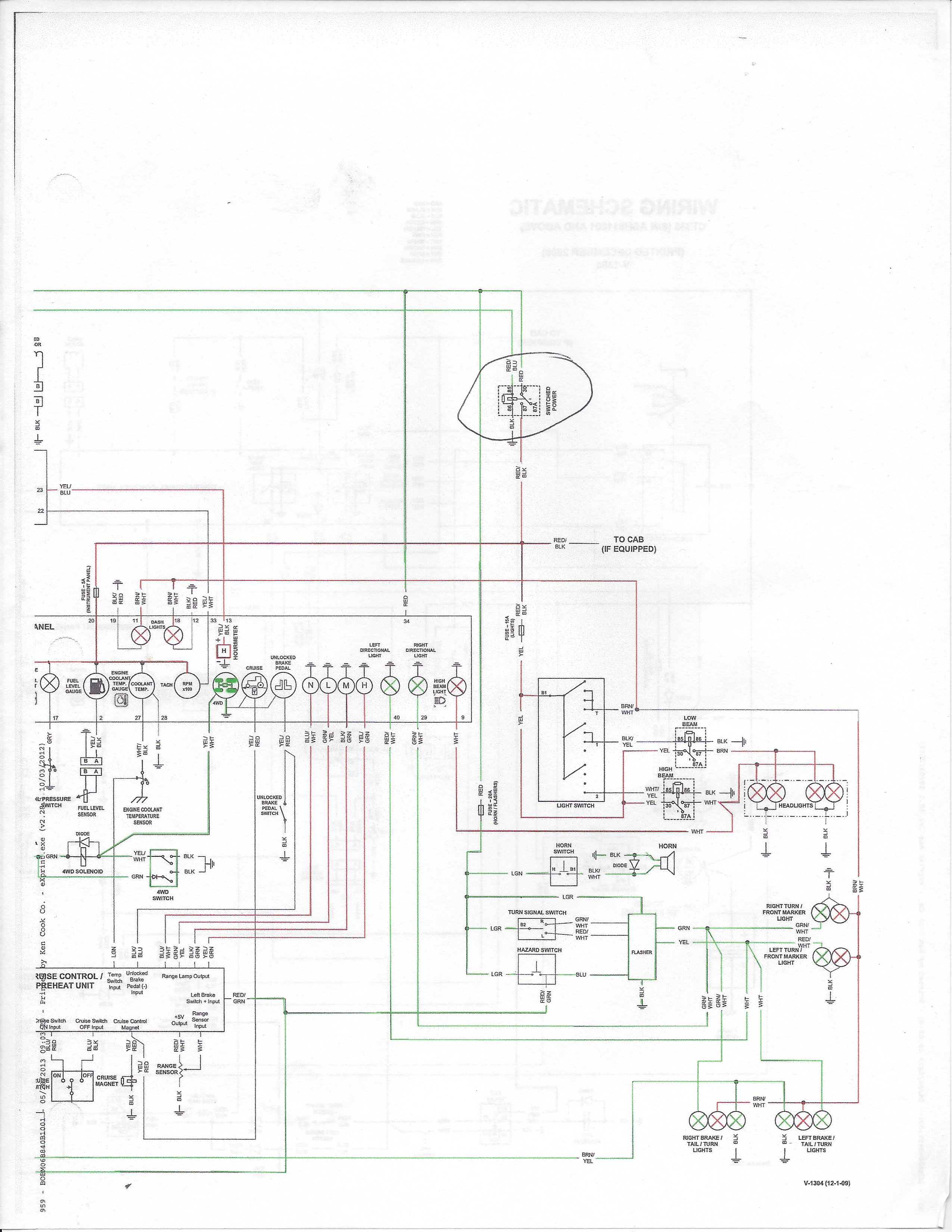
I just purchased a Bobcat CT335. Same as the Kioti. I tried posting in the Bobcat forums about information before purchasing it but didn't get much response. I bought it knowing there was a electrical problem, which that model had a lot. I started out at the battery, replacing battery terminal then checking charging. I have finally traced it to the fuse block. The instrument does not light up, no tac or warning lights. I took the fuse holder loose and from what I see it is the 3 fuse from the bottom with the light emblem. On the backside is a red wire with a blue stripe. Should be hot with key on. Does any one happen to have a wiring diagram? Does it feed of the ign. switch or a relay? I don't want to tear the dash out if I don't have to.

