Richard
Super Member
- Joined
- Apr 6, 2000
- Messages
- 5,051
- Location
- Knoxville, TN
- Tractor
- International 1066 Full sized JCB Loader/Backhoe and a John Deere 430 to mow with
Little bit of closure here...
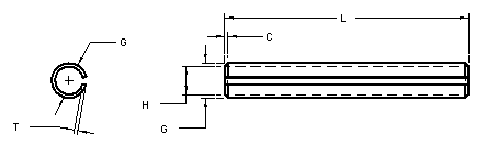
I just hung up with Rhino technical help. He says that their term for a coiled piece of steel as a pin is a "spiral pin". A rolled pin is more like a letter "C". A tube with a slit in it.
Ok.. now we can at least get some semantics down while talking.
He says a rolled pin and not a spiral pin is indeed, the right part for this attachment point.
He also said the likely culprit was lack of grease on the shafts....(kudos to Soundguy!!)
He said it wasn't important to keep that shaft greased....he said that it was VERY important. I'm guilty of grease abandonment there
.
he said some dirt will get in there and cause it to stick a little bit and just a little friction in there will cause the shaft to slowly saw back/forth and cut through the pin, just like what happened.
New pin should be here next Tuesday.... if they're successful at the auction this weekend then I'll have the part to fix the mower just in time to have no tractor to attach it to!
I just hung up with Rhino technical help. He says that their term for a coiled piece of steel as a pin is a "spiral pin". A rolled pin is more like a letter "C". A tube with a slit in it.
Ok.. now we can at least get some semantics down while talking.
He says a rolled pin and not a spiral pin is indeed, the right part for this attachment point.
He also said the likely culprit was lack of grease on the shafts....(kudos to Soundguy!!)
He said it wasn't important to keep that shaft greased....he said that it was VERY important. I'm guilty of grease abandonment there
he said some dirt will get in there and cause it to stick a little bit and just a little friction in there will cause the shaft to slowly saw back/forth and cut through the pin, just like what happened.
New pin should be here next Tuesday.... if they're successful at the auction this weekend then I'll have the part to fix the mower just in time to have no tractor to attach it to!