Case 580B Glow plug

/ Case 580B Glow plug #1  

Robert Cosgrove

New member
Joined
Nov 8, 2011
Messages
10
Tractor
Case 580 B
Hello , I have a 1974 580B there are 3 control buttons on the dash does anyone what there for. I looking for a glow plug.
 

Attachments

  • Dash 1.jpg
    Dash 1.jpg
    244.9 KB · Views: 1,328
  • Dash.jpg
    Dash.jpg
    292.4 KB · Views: 1,579
/ Case 580B Glow plug #2  
The 580b's didn't have glow plugs that I'm aware of, possibly a manifold heater but that is all. I think the manifold heaters work off the key. Just turn it slightly but not to the crank position.
 
/ Case 580B Glow plug #3  
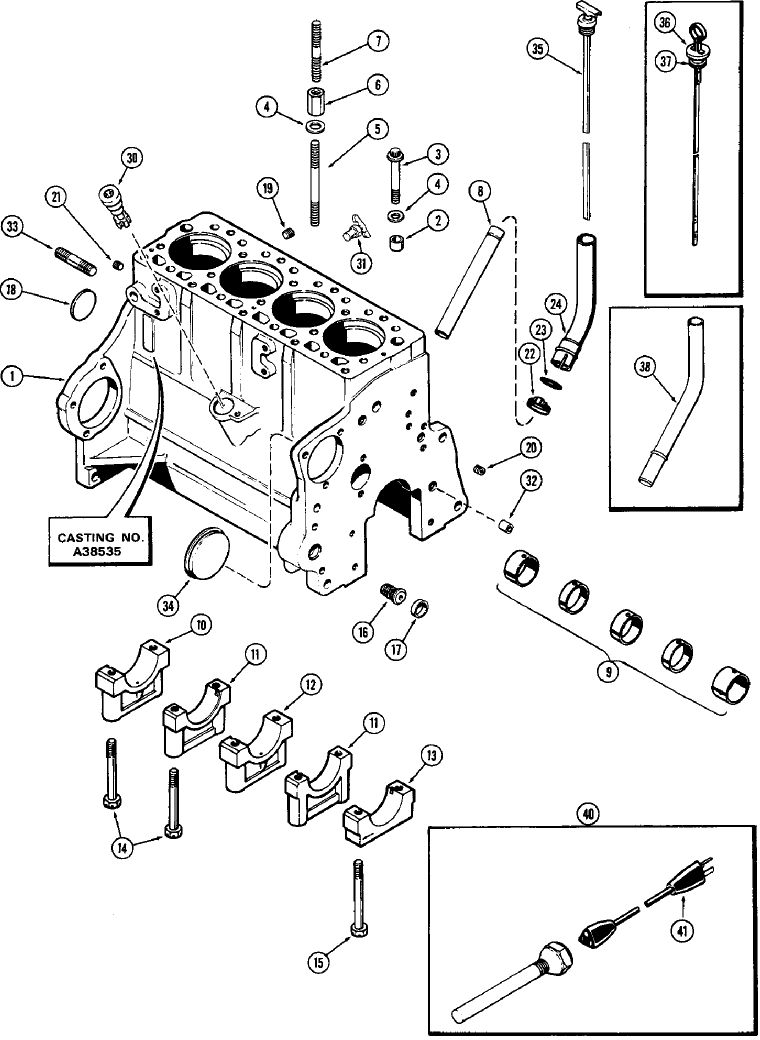
The 580B is similar to my 480C using the ether assist mechanism on the 188diesel. It is located at the left rear corner of the block. I've attached a picture, so you know what it looks like.

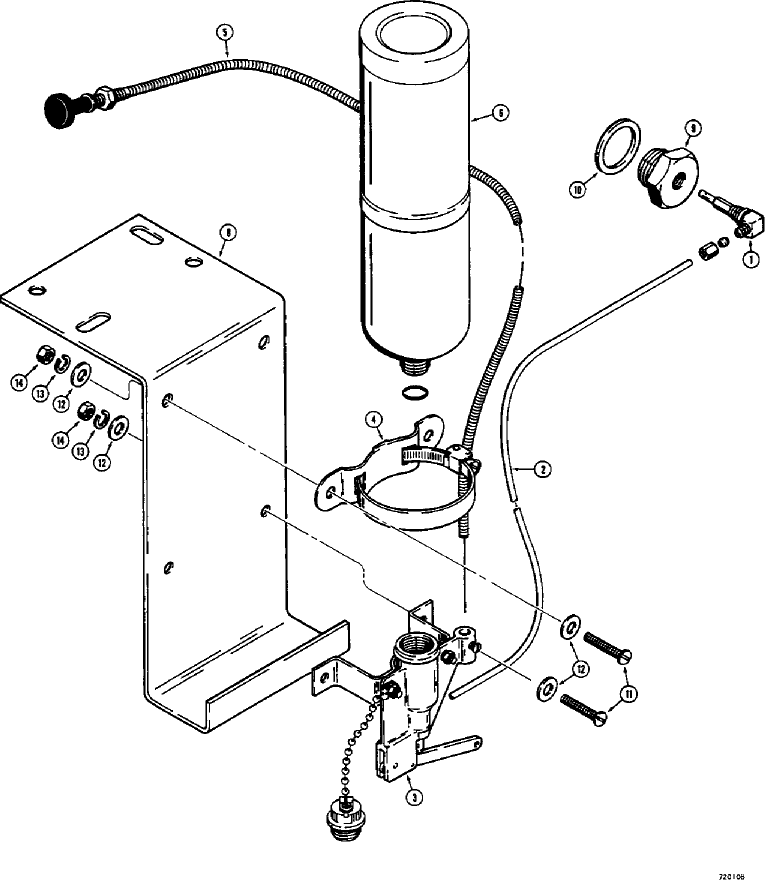
If you are fortunate enough to have it near an electrical outlet, they also made block heaters for them. Item #40 at the bottom right of the second attachment.

I had a 530 diesel w/188 several years back. It did have a manifold heater. I may check, and see if the manifold number is the same as on my 480C here one of these days. I would much rather have that, than ether assist, which I don't use. If I need it real bad this winter, I may give it a sniff out of a can.
 

Attachments

  • 001CSC-147595.gif
    001CSC-147595.gif
    25.4 KB · Views: 1,351
  • 001CSC-147599.gif
    001CSC-147599.gif
    39.5 KB · Views: 1,562
 
Top