block heating on Foton 404

/ block heating on Foton 404 #1  

gcmedica21

New member
Joined
Oct 22, 2009
Messages
24
Location
Sadieville,Ky
Tractor
Europard Foton 404
Hello Everyone,

Longtime reader, first time poster. Because of this website is why i purchased my Foton. Very new to farming. I have a used 2005 Foton 404 with about 140 hours, my first tractor :eek:. I searched and found no answer so if there is one i am sry.

Last winter i killed my battery trying to start the tractor to scrape snow off of drive way. I tried little magnetic heaters and also a small space heater with no luck. I did use my glow plugs as well but it seems to be a slow process, unless i am not doing it right. (hold it down for about 30 seconds and repeat :confused:).

Anyway, what i am wanting to know is......is there a "freeze out plug" on these tractors? If so where is it? I have looked and cannot locate it. Also, if there is not a freeze out plug will one those radiator heaters i see at tractor supply work? One of those that you cut out a small section of radiator hose and hook it up.
I do keep my tractor in a pole built barn with out insulation. Any questions and any input would be very much appreciated. thanks
 
/ block heating on Foton 404 #2  
Yeah, there are frost plugs on the engine block, but those kinda heaters scare me. I have visions of them popping out while I'm working. Many folks who take that water route put in a lower radiator hose heater. Personally I prefer an oil pan heater. I've had them on three tractors now, never had a lick of trouble starting any of them, and I've seen it as cold as -7F over this way. Both my current diesel tractors start ok down to about 20F (one with glow plugs, one without), then they get sluggish. Same with my old Mercedes turbo diesel. So when the weather weenies predict overnights into the teens or lower, I plug in all three.

Both my current tractors have a split oil pan that accommodates the front drive shaft housing. I use a pair of Wolverine Model 9.1 heaters, one on either side of the driveshaft tunnel. See Wolverine Engine Oil Heaters - Products

Having said all that, there should be no problem at all starting a well maintained FT404 in the weather we've been having lately. You should consider verifying that all your glow plugs are actually heating properly.


//greg//
 
/ block heating on Foton 404 #3  
Yeah, there are frost plugs on the engine block, but those kinda heaters scare me. I have visions of them popping out while I'm working.

Just about every vehicle in Canada will have a frost plug block heater installed before it's sold new. There is very little trouble with them. The biggest problem may be driving away without unplugging them. :D

Probably the original frost plugs will give more trouble than the insert block heaters.

The lower Radiator hose heaters also work well.


small space heater with no luck.
Did you have a tarp over the tractor?:D
 
/ block heating on Foton 404
  • Thread Starter
#4  
Hello,

No i did not have a tarp over it.........i was afraid it may catch on fire. (plus i had to elevate the heater to get it close enough to engine)

If it does have a freeze plug where would it be and what may it look like on this type tractor? I read that it would be near bottom and middle of block.

Oil pan heater is that the magnetic one? doesn't that burn oil where it sits?

what does a "insert heater block heater" do or look like?

guys, i am sorry for all of the questions, i am just a newbie trying to learn my way around a tractor.
 
/ block heating on Foton 404 #5  
Just about every vehicle in Canada will have a frost plug block heater installed before it's sold new.
Besides the fact that it's typically a helluva lot colder up there than it is down here in Kentucky, the vehicles you're talking about are almost certainly on-road cars and trucks with gasoline engines. We're talking about off-road diesel tractors here. More to the point however, it's the owner-installed aftermarket freeze plug heaters that scare me.

//greg//
 
/ block heating on Foton 404 #6  
Oil pan heater is that the magnetic one? doesn't that burn oil where it sits?
You didn't look at that website, didja......? No, they're not magnetic - Wolverines are permanently affixed to the oil pan with adhesive and silicone sealant. When properly installed, they become part of the tractor. And when properly sized to the sump capacity, they won't heat the oil above 125F. Hence, no coking.

The reason most on-road drivers like coolant heaters is cuz it helps heat the interior of the vehicle faster. Creature comfort. What they don't realize, is that they're still starting their engine with cold thick oil. My old Mercedes for example, it's got a factory block heater. When I switch on the key, I see 40C on the temp gauge already. But when the engine starts, it takes a long time for the oil pressure to build. The pump is trying to suck cold thick sludge up from the oil pan and push it through the oil passages. My tractors on the other hand, start developing oil pressure before they even start. And because of the heat rising off the oil pan when idle, the temp gauge comes up comparatively quick as well.

I prefer to start a cold diesel with warm thin oil. And when the oil is warm, heat rises off it to warm the block and the water jackets. Neither of my tractors has either a cab or a heater, so I could care less how long it takes the coolant to warm up. I prefer the thin oil

//greg//
 
/ block heating on Foton 404 #7  
The block heater/inline hose heater heats the entire block which does heat the oil. :D

Had one truck with a block heater in each bank. That could melt the snow off the hood and underneath the engine.:D

Hey, don't we do this every year?
 
/ block heating on Foton 404 #8  
I have a lower radiator hose heater, the kind you take out 2" of hose and slip in. Works great. We see temps as low as -20 each winter and I have never had it not start. Plug it in and 1 hour later the block is warm to the touch.

Chris
 
/ block heating on Foton 404 #10  
Hey, don't we do this every year?
Seems like it -- I have a water heater on my 284 -- I might consider magnetic job to heat the hydro oil but not much else. The block heaters that fit in the frost plugs are much better than they used to be but if you are unsure, buy a bottom rad hose heater. In this climate in winter, diesels need that warming feeling -- on road or off road:rolleyes: -- gas will usually start.
 
/ block heating on Foton 404 #11  
Yeah, there are frost plugs on the engine block, but those kinda heaters scare me. I have visions of them popping out while I'm working. Many folks who take that water route put in a lower radiator hose heater. Personally I prefer an oil pan heater. I've had them on three tractors now, never had a lick of trouble starting any of them, and I've seen it as cold as -7F over this way. Both my current diesel tractors start ok down to about 20F (one with glow plugs, one without), then they get sluggish. Same with my old Mercedes turbo diesel. So when the weather weenies predict overnights into the teens or lower, I plug in all three.

Both my current tractors have a split oil pan that accommodates the front drive shaft housing. I use a pair of Wolverine Model 9.1 heaters, one on either side of the driveshaft tunnel. See Wolverine Engine Oil Heaters - Products

Having said all that, there should be no problem at all starting a well maintained FT404 in the weather we've been having lately. You should consider verifying that all your glow plugs are actually heating properly.


//greg//


Maybe even the same maker as Greg's Wolverine heater as they look very similar. These available in Canada. Thinking of getting one of these but haven't yet.

Engine oil pan heaters

Frost plug heaters have been around for a long time with little issues. I had one on my diesel pickup for 20 yrs. 1 hr and you are ready to go. I used to put mine on a timer.

Dave
 
/ block heating on Foton 404 #12  
Maybe even the same maker as Greg's Wolverine heater as they look very similar. These available in Canada. Thinking of getting one of these but haven't yet. Engine oil pan heaters
Yup, they look identical. Probably right off the Wolverine website, after the corporate logo was Photo-Shop'd off. But just so there's no misunderstanding, my skepticism is not of the professionally installed frost plug heaters, it's of the owner-installed aftermarket versions.

Considering the two on a mass-market basis, coolant heater and oil pan heaters both represent a compromise solution. FWIW, I use both types; coolant heaters for on-road vehicles, pan heaters for both tractors. My coolant heaters warm the block, speed up warming the passenger compartment, but do comparatively little to thin engine oil. My pan heaters minimize cold start engine wear, minimize starting system wear and tear, but do comparatively little to speed creature comfort. And from personal experience, installing a peel-n-stick tractor pan heater can usually be done faster and with less mess than installing a tractor coolant heater.

So since most of our Chinese tractors don't have passenger compartments - much less heaters - a desire to extend the life of your engine and starting system should tip the scale in favor of the pan heater concept.

//greg//
 
/ block heating on Foton 404
  • Thread Starter
#13  
You didn't look at that website, didja......? No, they're not magnetic - Wolverines are permanently affixed to the oil pan with adhesive and silicone sealant. When properly installed, they become part of the tractor. And when properly sized to the sump capacity, they won't heat the oil above 125F. Hence, no coking.



//greg//

Hello,

Actually i did look at the website and the pictures were of no real use(they were so small) that is why i asked about it the cooking. I appreciate the websites, Thank you. I will look into them.

However, i still need an answer as to where and what to look for in reference to the "freeze Plug".

Diamondpilot,

You seem happy with the lower radiator hose heater. No problems with it at all? Just cut out the section install and reseal w/ clamps replace antifreeze and your good to go?
 
/ block heating on Foton 404 #14  
Actually i did look at the website and the pictures were of no real use(they were so small) that is why i asked about it the cooking.
Again, all your questions to me are answered on that website. I just didn't want to be redundant, or to sound like I was selling them or something. I just assumed that you were familiar with how to browse a website for information.

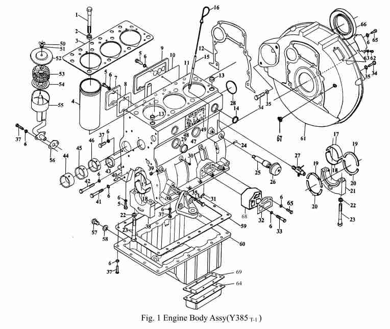
Re your freeze plug question, there are 11 in the diagram - an engine block used in many smaller Jinmas over the years. Although it's not the same engine that goes into FT404s, the diagram should be reasonably representative with regards to freeze plugs. They are item numbers 14 (x3), 29 (x2), 31 (x1), 43 (x2), 47 (x3). The reason there are 5 different numbers is that each has a different diameter. So you have to find a block heater the same diameter as the freeze plug it's going to replace. Oh, and you have to select a location that has sufficient clearance inside the block to actually accept the heater element - and still seal up the hole.

//greg//
 

Attachments

  • EngineBodyFig001.jpg
    EngineBodyFig001.jpg
    41 KB · Views: 1,782
/ block heating on Foton 404 #15  
Just cut out the section install and reseal w/ clamps replace antifreeze and your good to go?
That is pretty much the process -- much easier than the frost plug type and about the same price. Watch the cord routing so it does not get pulled, Plug it in, listen for a slight hiss and in 15 minutes to 1/2 hour you will be good to go!
 
/ block heating on Foton 404 #16  
Hello,



Diamondpilot,

You seem happy with the lower radiator hose heater. No problems with it at all? Just cut out the section install and reseal w/ clamps replace antifreeze and your good to go?

You got it. Took longer to drain the cooling system then pour it back in than it did to install. Got it at TSC for about $20 and installed it in under 1 hour.

Chris
 
/ block heating on Foton 404 #17  
but do comparatively little to thin engine oil.

Seems any vehicle I have had the block or inline heater plugged in turns over much easier meaning the oil has been warmed. The block does a pretty good job of conducting heat.

Some folks might want to check the oil pan to see if it does get warm.:D

At minus 40C with no heat an engine may sound like Urrhg urug ur u Silence. Plug in the block heater and it sounds just like normal summer starting.:D

Guess the only sure way to determine what is what would be a proper test from an accredited tester.:D
 
/ block heating on Foton 404
  • Thread Starter
#18  
Guys i appreciate all of your input. I will probably go with the lower radiator heater to start with. 20 bucks and very minimal install effort, i need to probably drain/ change antifreeze anyway.

sorry if this was covered in past ,but i could not find anything about a foton 404. As i stated before i am newb when it comes to tractors. I just dont want to damage anything.

thank you for the freeze plug locale w/ schematics.


Take care

James
 
/ block heating on Foton 404 #19  
Installing a frost plug heater is a piece of cake.

Select a frost plug easealy accessable and preferably between 2 cylinders, poke a screwdriver into the plug and pry it out.

Deburr the hole, apply a bit of grease to the O-ring, insert the heater and tighten the nut to pull in the legs.

Be sure to get minimum 400 watt (or more) for adaquate heating at -0 temps.

Frost plug heaters come in many sizes, both metric and imperial.

Hose heaters are also very good but forget the magnetic things (might be OK for cast iron small 4 strokes like walk behind snowblowers).
Generally they run a mere 200 watts.

Like stated earlier; generally 1/2 - 1 hr of preheat is all that is needed.
Either a dedicated switched from indoors outlet or a remote control switch is a great way to go.

You wake up, flick on the block heater at the same time as you turn on the coffee pot and by the time you've had a coffee and a couple of toasts your tractor is ready to start.
 
/ block heating on Foton 404 #20  
Guys i appreciate all of your input. I will probably go with the lower radiator heater to start with. 20 bucks and very minimal install effort, i need to probably drain/ change antifreeze anyway.

sorry if this was covered in past ,but i could not find anything about a foton 404. As i stated before i am newb when it comes to tractors. I just dont want to damage anything.

thank you for the freeze plug locale w/ schematics.


Take care

James

James before you go out and get a heater measure the diameter of the lower out put of the radiator. I use a large Crescent Wrench then used my tape measure, kind of a poor mans caliper. I was able to do this with the hose on because there was enough of it exposed. Anyway they come in many different sizes and this will give you the inner diameter of the hose so you can get the right size. By the way its 1.5" unit for a 200 series Jinma not that this helps you but may others.

Chris
 
 
Top