Am I The Only One...

/ Am I The Only One... #1  

bdhsfz6

Elite Member
Joined
Apr 11, 2015
Messages
3,979
Location
Northeastern Pennsylvania
Tractor
Kubota MX5800 HST & L6060 HSTC Formerly L6060 HST B7100 HST, L2550, L3010 HST, L3430 HST
Who just can't get used to the "feel" of these cable actuated FEL valves? This has been discussed before but not recently. I'm hoping someone has discovered a trick to operate these cable valves effectively.

I've had two Kubota L6060 tractors with these FEL valves. I have trouble feathering the valves effectively when doing precise work with forks or grading with the bucket. Due to minute cable stretch, there is no solid iron on iron feel like you get with the old long handled joysticks.

I took both tractors back to the dealer for adjustment but I was told this is normal operation and I just have to get used to it. Well, it's been 5 years now and I'm still not able to raise & lower the fork tips a half inch at a time. I find myself using the MX5800 with the old iron joystick for most FEL work requiring any degree of precision.

Maybe it's me, maybe it's the design of the L6060 FEL valve or maybe I just need more practice. Has anyone else noticed this problem with other tractors?
 
/ Am I The Only One... #3  
Yes, I have had the issue with NIMCO brand loader valves controlled by cables which came original equipment on MF 2660 tractors. I'll try to be concise but long story: MF was delivering faulty loader valves in the 2012-17 time frame. The loaders would refuse to operate in dump movement for example (stick to far right). This was complicated by detents for faster dumping , etc. and worse yet by the fact that AGCO parts depots had random stocks of bad loader valves in their inventory. On my 3rd valve I finally contacted NIMCO directly who admitted "we let a few bad ones out the door" and sent me a kit for correcting this issue. It amounted to tolerances in spools being in spec but cumulatively along the whole length they were too long or short. The kits changed the "ends" to compensate. I installed the kit and my FEL works but never did and never will work as correctly or smoothly as a good old plain stick with metal to metal contact and no cables. Simple cheap ones on small tractors work FAR better ! About 1/10 the cost and better results without stupid fancy features. I think the OEM valves and joy sticks and cables are sold as assemblies (certainly during tractor manufacturing) and not piecemeal. Obviously that SHOULD make for fewer problems.
Sorry that I cannot be sure what % of my problem was really CABLES vs idiosyncrasies of the loader valves. My advice is get hold of the valve manufacturer engineering Dept.

p.s.: I doubt that your issue is "Due to minute cable stretch."
 
/ Am I The Only One... #4  
my M6040. also has cable operated loader valve and over the years I have become pretty proficient when needing precise movement. I generally keep rpm’s fairly low and
Maintain focus during the operation.
I am getting a lot of practice loading and turning logs on my sawmill which really has no room for error
 
/ Am I The Only One... #5  
I have a cable operated valve on my M5660 and have no issues feathering the loader functions.
 
/ Am I The Only One... #6  
My M59 was a cable loader. One of the ends worked loose and made it really bad but even with the cables lubed and the ends adjusted it didn’t work very smooth. I wasn’t sad when I parted ways with that machine and got a machine with hydraulic pilot controls.
 
/ Am I The Only One... #7  
My first one was an L3130 and the FEL was direct acting on the valve. The new one is an L5240 cab and it uses the cables. I'm not 100% sure if it is bad installation as the dealer screwed up a few things (and I have never really looked into adjusting them) but the feel and use is far worse than the direct one on the old tractor. I've lived with it over 10 years now. Maybe someday I'll look into it... Definitely a lot harder to feather small amounts. Kind of "notchy" for certain moves too.
 
/ Am I The Only One... #9  
Who just can't get used to the "feel" of these cable actuated FEL valves? This has been discussed before but not recently. I'm hoping someone has discovered a trick to operate these cable valves effectively.

I've had two Kubota L6060 tractors with these FEL valves. I have trouble feathering the valves effectively when doing precise work with forks or grading with the bucket. Due to minute cable stretch, there is no solid iron on iron feel like you get with the old long handled joysticks.

I took both tractors back to the dealer for adjustment but I was told this is normal operation and I just have to get used to it. Well, it's been 5 years now and I'm still not able to raise & lower the fork tips a half inch at a time. I find myself using the MX5800 with the old iron joystick for most FEL work requiring any degree of precision.

Maybe it's me, maybe it's the design of the L6060 FEL valve or maybe I just need more practice. Has anyone else noticed this problem with other tractors?
An L6060 with cable operated loader valve? Where did you find that? Mine has linkage rods and levers, works great, very precise loader control. Mine is a 2016 model, cab and hydrostatic drive. Even the parts diagram doesn't show cables. Must have been special order!
 
/ Am I The Only One... #10  
Long shot- Do those valves by any chance incorporate piloted check valves to prevent the valves from leaking down? My top and tilt cylinders have them and so they don't open until receiving the 500 psi pilot pressure, IIRC. So even trying to feather them starts with a 500 psi surge.
 
/ Am I The Only One...
  • Thread Starter
#11  
Long shot- Do those valves by any chance incorporate piloted check valves to prevent the valves from leaking down? My top and tilt cylinders have them and so they don't open until receiving the 500 psi pilot pressure, IIRC. So even trying to feather them starts with a 500 psi surge.
No check valves in the L6060 FEL hydraulics that I'm aware of.
 
/ Am I The Only One...
  • Thread Starter
#12  
An L6060 with cable operated loader valve? Where did you find that? Mine has linkage rods and levers, works great, very precise loader control. Mine is a 2016 model, cab and hydrostatic drive. Even the parts diagram doesn't show cables. Must have been special order!
You are absolutely correct. My error. It was the service manager who told me it was a cable actuated system. I had to replace a fender mount cable joystick on one of my older L series tractors so I had no reason to doubt him.

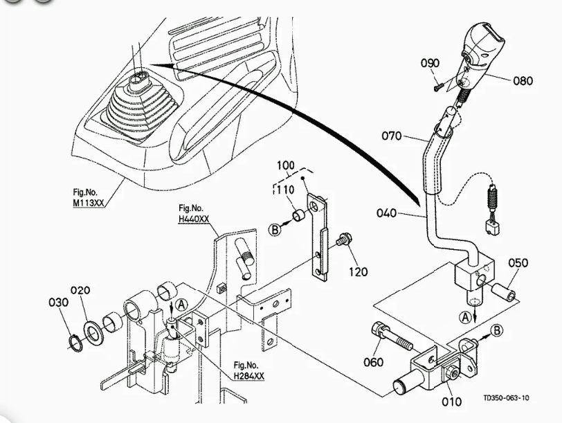
Linkage or cable, the problem is still the same. As per these Messicks parts diagrams, there are a least 8 pivot connections in the linkage that each add just a little bit of "slop" in the joystick action.

Screenshot (41).png
Screenshot (42).png


I'm sure there are owners here who can raise & lower the tip of a 48" fork in half inch increments with one of these linkage systems but I'm not one of them.

I have no trouble doing it with the old "iron rod" joystick.

Sorry for the confusion.
 
 
Top