New to site.
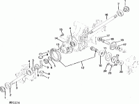
I have a 755 MFWD (1991) and have lost power in my front axle when in 4WD.
Trying to figure out where the problem is located. I know I have power in the
front drive shaft, no unusual noise, just no power in the front wheels.
I drained the lubricant, and found no metal shavings.
I was moving some dirt, moving forward and backward, then traveled on a blacktop road, forgot to take it out of 4WD. Found the problem a couple of days later.
My key issue is how to trace the failure to left side, right side etc. The front wheels will turn, but have no pulling power.
I have dropped the front drive shaft, and have access to the input gear, so can turn it by hand.
I have a 755 MFWD (1991) and have lost power in my front axle when in 4WD.
Trying to figure out where the problem is located. I know I have power in the
front drive shaft, no unusual noise, just no power in the front wheels.
I drained the lubricant, and found no metal shavings.
I was moving some dirt, moving forward and backward, then traveled on a blacktop road, forgot to take it out of 4WD. Found the problem a couple of days later.
My key issue is how to trace the failure to left side, right side etc. The front wheels will turn, but have no pulling power.
I have dropped the front drive shaft, and have access to the input gear, so can turn it by hand.
