345 High Pitched Whine Normal?

/ 345 High Pitched Whine Normal? #1  

MarkCoburn

Member
Joined
May 2, 2012
Messages
46
Location
North Plains, OR
Tractor
Craftsman Push Mower
Just looked at a 1999 345 with about 350 hours.

The biggest worry was a high pitched whine while at full idle. PTO disengaged and tractor parked. Is that normal? Sounds like it could be hydrolic or water pump. Maybe a main bearing. Don't know. Maybe normal.

Any thoughts?
 
/ 345 High Pitched Whine Normal? #2  
Does the pitch vary with rpm of engine?
Does it vary when the tranny is in forward or reverse (i.e. out of park) ??

Answers to those might separate it from engine or hydraulic.
 
/ 345 High Pitched Whine Normal?
  • Thread Starter
#3  
I didn't think to vary the tyranny because I noticed it parked. Figured that eliminated the trany. Is there one pump that provides pressure for steering, deck lift, and drive?

Does the pitch vary with rpm of engine?
Does it vary when the tranny is in forward or reverse (i.e. out of park) ??

Answers to those might separate it from engine or hydraulic.
 
/ 345 High Pitched Whine Normal? #4  
There is just one pump in the transaxle.
 
/ 345 High Pitched Whine Normal? #5  
There is just one pump in the transaxle.

with that being said, where is the whine coming from, the front or the back of the tractor? At idle, the transmission wont produce any whine. Only when you step on the pedal should the transmission whine on the 345 and that is normal
 
/ 345 High Pitched Whine Normal?
  • Thread Starter
#6  
Because of all the help. I bought the tractor.

Here is what I found when I went back to 'look' at the sound again.

Does the noise stop when the PTO is engaged?
No. Had to disengage the mower belt to really tell.

Check 3 pulleys on the drive belt:
Took off the deck and it sounds like the noise is coming from ether the main drive or the PTO pulley from that main shaft anyway.

Does the sound vary with transmission speed or direction?
No

Sound coming from front or rear?
Front

I put my bet on it being one of those pulley bearings, figured it couldn't be a big issue to fix, and bought the tractor.

Thanks everyone.
 
/ 345 High Pitched Whine Normal? #7  
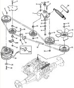
Here is a shot of the pulley's that make up the main drive. And can check to see if something is/isn't caught in the fan. Plenty of things turning that might cause some noise.
Thinking you will enjoy the 345.
 

Attachments

  • 345_main_drive.JPG
    345_main_drive.JPG
    72.5 KB · Views: 1,659
/ 345 High Pitched Whine Normal?
  • Thread Starter
#8  
Here is a shot of the pulley's that make up the main drive. And can check to see if something is/isn't caught in the fan. Plenty of things turning that might cause some noise.
Thinking you will enjoy the 345.

Thanks. Could you also attach the parts list?
 
/ 345 High Pitched Whine Normal? #9  
Chances are the high-pitched whine is coming from the transaxle. Check the hydro fluid level - in fact, it's not a bad idea to replace it and the filter, unless you know the previous owner did it recently.

Tim
 
/ 345 High Pitched Whine Normal? #10  
Also check the PTO clutch (#24 in the diagram). Even when the PTO is not engaged the motor shaft spins inside it all the time and it has internal bearings that can wear out. Usually when those bearings are worn the clutch will whine when it is NOT engaged, then when you engage it the noise quiets down (I know that seems strange but it's because of how the bearings work under load) but that is not always the case.

P.S. -- Check the serial number of your 345 and google "Kawasaki plastic camshaft gear". If yours is a 1999 model I think you are okay but better check anyway. It's much cheaper to replace it before it breaks (if it even has the plastic gear).

They're great tractors -- you'll love it!
 
/ 345 High Pitched Whine Normal? #11  
Thanks. Could you also attach the parts list?

Yes, I can. But you can get it just as easy by going to jdparts.com (free registration) and plug in the model no. Then every part on the 345 will come up.
 
/ 345 High Pitched Whine Normal?
  • Thread Starter
#12  
Yes, I can. But you can get it just as easy by going to jdparts.com (free registration) and plug in the model no. Then every part on the 345 will come up.


Even better. Thank you.
 
/ 345 High Pitched Whine Normal?
  • Thread Starter
#13  
Also check the PTO clutch (#24 in the diagram). Even when the PTO is not engaged the motor shaft spins inside it all the time and it has internal bearings that can wear out. Usually when those bearings are worn the clutch will whine when it is NOT engaged, then when you engage it the noise quiets down (I know that seems strange but it's because of how the bearings work under load) but that is not always the case.

P.S. -- Check the serial number of your 345 and google "Kawasaki plastic camshaft gear". If yours is a 1999 model I think you are okay but better check anyway. It's much cheaper to replace it before it breaks (if it even has the plastic gear).

They're great tractors -- you'll love it!

From what I can tell, I'm good on the metal cam.

I got some great advice here and bought the tractor. Now I need to fix it. It really sounds like the main shaft, so it could be a PTO bearing.

With the deck installed it is hard to tell if the noise changes due to the deck noise on top. But when I disengage the PTO, it does seem to whine more than when it was engaged. I disconnected the deck pully and it didn't seem to change much with PTO on/off; but maybe that is because there was no load on it.

Is there something I can spray some WD40 on and give it some relief. I'm thinking that I don't want to get it in the PTO so not to reduce it's friction...
 
/ 345 High Pitched Whine Normal?
  • Thread Starter
#14  
Well it is the PTO's bearing(s). I took off the PTO and the noise went away from the tractor. Also, I can tell by, moving the removed PTO by hand, that the bearing(s) are rough.

I'm going to replace the PTO (then try to re-bearing the old one) and drive belt.

I figured I'd at least replace the bushing on the two sheaves and one idler. Bushings are #10 on the drawing. Is that good enough, or do I need to change the actual pulleys?

i-WKtV6s9-L.gif
 
/ 345 High Pitched Whine Normal? #15  
I'd think the bushings would suffice, but you may see something additional when removing the bushings.
Good plan on the PTO clutch replace.
 
/ 345 High Pitched Whine Normal? #16  
The bushing is only a spacer. The idlers have sealed bearings in them. If the bearing in the idler is making noise, replace the idler. Been there, done that...

Bill
 
/ 345 High Pitched Whine Normal?
  • Thread Starter
#17  
The bushing is only a spacer. The idlers have sealed bearings in them. If the bearing in the idler is making noise, replace the idler. Been there, done that...

Bill

Thanks Bill. I replaced the PTO without ordering anything else. I loosened the drive belt while down there and took off one of the idlers. Just like you said, the bushing is just a spacer. I need a new drive belt. Ordere on and the three idlers. I'll plan to replace it all in a few weeks.

The PTO was the source of the noise that bothered me. The idlers are not too expensive, figured I should just change them while I have the belt off.

Mark
 
/ 345 High Pitched Whine Normal? #18  
I had one idler replaced by the local JD dealer two years ago. The tech said the slight noise from the PTO clutch would cause it to lock up some day... three months or maybe three years, anybody's guess. He said if the clutch locks up it won't hurt anything except I would be unable to stop the mower from turning as long as the engine is running. It's been two years so far and it hasn't locked up or increased in noise level. It will probably lock up now that I won't be using the 345 to mow much any more. I have a EZ-Trak 655 on order to take over the mowing.

Bill
 
/ 345 High Pitched Whine Normal?
  • Thread Starter
#19  
I had one idler replaced by the local JD dealer two years ago. The tech said the slight noise from the PTO clutch would cause it to lock up some day... three months or maybe three years, anybody's guess. He said if the clutch locks up it won't hurt anything except I would be unable to stop the mower from turning as long as the engine is running. It's been two years so far and it hasn't locked up or increased in noise level. It will probably lock up now that I won't be using the 345 to mow much any more. I have a EZ-Trak 655 on order to take over the mowing.

Bill

Yours might get worse. I think that my tractor had sat for a while.

I also put this response in the other thread:

My noise wasn't slight. I knew before I even bought the 345 that I would need to find the source of the noise and replace it. I was hoping it was just an idler and not the more expensive PTO. I'm very glad that I replaced it. The part was about $150 and the sound is night and day.

If it was a slight noise, I'd probably leave it alone too.
 
 
Top