3 point lift has 5 second delay

/ 3 point lift has 5 second delay
  • Thread Starter
#21  
That's the thing exactly is that the valve went back together exactly as it came apart and there is no improvement. Everything moves just fine and is absolutely clean as a whistle. No scratches or particulate matter in there at all. The valves all slide easily in their bores. It just doesn't make any sense. The rear remotes and loader work perfectly so I know I'm getting fluid pressure to the MLS valve, but that's where it ends.
 
/ 3 point lift has 5 second delay
  • Thread Starter
#22  
How much is a new MLS valve? I was wondering if it was enough less than the loss that I'm gonna take selling it broken to risk trying a brand new one. Then I could sell it working.
 
/ 3 point lift has 5 second delay #23  
You'll have to tell my machine with 1100 hundred hours that it should have died at 120!

I am not impressed with my MLS valve either. Mine causes intermittent hopping of the implement at startup about once every 40 hours.
 
/ 3 point lift has 5 second delay #24  
Your tractor isn't disposable junk just because you're having one problem with it that is elusive to fix.
Until you've hooked up gauges to check pressures, how do you KNOW what is going on at different points in the system?
I suspect you don't. Replacing a valve because you suspect it to be the problem is shade tree mechanics. Test the pressures and use that to determine what needs to be done.
 
/ 3 point lift has 5 second delay #25  
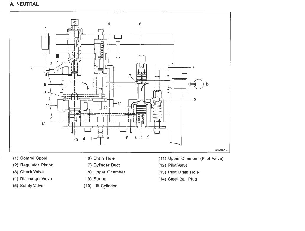
Does this help
 

Attachments

  • 3ph mls valve.jpg
    3ph mls valve.jpg
    70.7 KB · Views: 269
/ 3 point lift has 5 second delay #26  
Highbeam said:
You'll have to tell my machine with 1100 hundred hours that it should have died at 120!

I am not impressed with my MLS valve either. Mine causes intermittent hopping of the implement at startup about once every 40 hours.

Highbeam,

Your MLS valve needs a minor adjustment and it will be fixed. Get a workshop manual and some weight and you can resolve your intermittent issue. I would recommend as I did in my first post to take the MLS apart for a cleaning. Reinstall, then adjust as manual tells you. Less than 2 hours of your time.

Tony
 
/ 3 point lift has 5 second delay
  • Thread Starter
#27  
Here is what I found. I tore that MLS apart and had it so unbelievably clean so many times I could do it in my sleep. My dad (who used to be a mechanic), the local tractor mechanic, or myself couldn't find any problems. So after getting good and frustrated I starting driving it out of the shop with the snowblower dragging on the ground and the 3 point lever in the up position to put it away in the other shed the snowblower just went up and works perfectly. It appears as though after rebuilding this valve it takes awhile to prime that circuit with oil so that it will work again. The manual should note that someplace.

Thanks for the help and encouragement everybody.
(BTW, the day that tractor broke down the oil pump seal blew out of my camry, and I shifted my 4 wheeler with less than 300 miles on it into first gear and the shift arm inside the transmission broke...... all that within 36 hours :confused2:)
 
/ 3 point lift has 5 second delay #28  
Glad it's fixed. Thanks for the tip. Maybe like a new power steering pump, the air needs purged. I hope you have many trouble free hours from now on. My CK30hst has run without trouble for over 400 hours.
 
/ 3 point lift has 5 second delay #29  
Glad to hear you didn't replace the valve, that its fixed now, and you might likely agree its NOT a piece of junk just because something went wrong that was easily repaired, after a few tries/learning curve.
 
/ 3 point lift has 5 second delay #30  
Highbeam,

Your MLS valve needs a minor adjustment and it will be fixed. Get a workshop manual and some weight and you can resolve your intermittent issue. I would recommend as I did in my first post to take the MLS apart for a cleaning. Reinstall, then adjust as manual tells you. Less than 2 hours of your time.

Tony

Thanks for the note Tony. I had the tractor to a dealer to fix this issue back when it was under warranty and he adjusted the MLS but the problem reappeared. It is intermittent so I can live with it but before buying any new toys for the tractor (like a grapple) I will have to attempt the repair you note.
 
/ 3 point lift has 5 second delay
  • Thread Starter
#31  
Take the valve apart and slide the spool valve (the bigger spool valve) in the bore back and forth until you can just drop it in and it falls right to the bottom of the bore. Probably takes 5 minutes of rapid back and forth movement, then clean it really well and it should fall right in there.
 

Marketplace Items

2001 CATERPILLAR 140H VHP MOTORGRADER (A59823)
2001 CATERPILLAR...
Unused 78" Bucket Attachment (A55272)
Unused 78" Bucket...
2015 Ford Transit Connect Passenger Van (A59230)
2015 Ford Transit...
2004 JOHN DEERE 160C LC EXCAVATOR (A59823)
2004 JOHN DEERE...
2022 CATERPILLAR 730 OFF ROAD DUMP TRUCK (A60429)
2022 CATERPILLAR...
2019 KOMATSU D65WX-18 CRAWLER DOZER (A60429)
2019 KOMATSU...
 
Top