Possibly L35 Kubota? And where to download Manual or Service Manual?

   / Possibly L35 Kubota? And where to download Manual or Service Manual? #11  
He can get a used operators manual from Ebay for $20. That will answer most of his questions on the L35.
Half or more of the hydraulic "problems" come from confusion about the levers and hoses when the backhoe is removed.Getting it wrong but right enough to work can cause a real problem. Don't use it for work with it set up wrong.

Where is the backhoe? Is it gone?
What about the 3pt kit usually mounted when the backhoe is off?

If it runs OK and the hydraulics work it is a fairly sought after tractor. With the backhoe, much more so.

Messick.com has parts. It's not all that old.
 
   / Possibly L35 Kubota? And where to download Manual or Service Manual? #12  
Okay, they had the two hoses left like this in the photo. I was wondering if one needed to plug the two hoses back together, as to close the loop or avoid leaking? I am not sure if what I am thinking makes sense. Could you explain how this works?

View attachment 869824



I have photos of the FEL control valve, because it was pretty wet right below it. I'll look at the manual for this valve. Is there a name for it?


View attachment 869825
View attachment 869826
View attachment 869827
The hose must be coupled to the connector as shown. Then the valve must also be switched as shown in the manual. Mine is a wire loop on the back of the tractor, has nothing to do with the FEL valve.
Screenshot_20240512-205305-160.png
 
   / Possibly L35 Kubota? And where to download Manual or Service Manual? #13  
You don't need to connect the hoses together just move that black lever to 3 point hitch from the backhoe position then take the hoses off and the backhoe off.....
If the hoses for the backhoe aren't connected when the backhoe is off, the power beyond circuit will be blocked and the pump will be dead-headed against the relief valve.

Also, no flow will be available for the 3ph.
 
   / Possibly L35 Kubota? And where to download Manual or Service Manual? #14  
He can get a used operators manual from Ebay for $20. That will answer most of his questions on the L35.
Half or more of the hydraulic "problems" come from confusion about the levers and hoses when the backhoe is removed.Getting it wrong but right enough to work can cause a real problem. Don't use it for work with it set up wrong.

Where is the backhoe? Is it gone?
What about the 3pt kit usually mounted when the backhoe is off?

If it runs OK and the hydraulics work it is a fairly sought after tractor. With the backhoe, much more so.

Messick.com has parts. It's not all that old.
There's a free pdf available at Kubotabooks.
 
   / Possibly L35 Kubota? And where to download Manual or Service Manual?
  • Thread Starter
#15  
Half or more of the hydraulic "problems" come from confusion about the levers and hoses when the backhoe is removed.Getting it wrong but right enough to work can cause a real problem. Don't use it for work with it set up wrong.
Very informative, good to know.

Where is the backhoe? Is it gone?
What about the 3pt kit usually mounted when the backhoe is off?
They have the backhoe, it is just off the tractor. I don't about the kit, need to look for it in the manual to understand where it goes and what it looks like.


If it runs OK and the hydraulics work it is a fairly sought after tractor. With the backhoe, much more so.

Messick.com has parts. It's not all that old.
It runs nice.
 
   / Possibly L35 Kubota? And where to download Manual or Service Manual?
  • Thread Starter
#16  
The hose must be coupled to the connector as shown. Then the valve must also be switched as shown in the manual.
Why does the hose need to be connected? I thought another member just said exactly the opposite..

Could you explain me? I am trying to understand how the hydraulics work.
 
   / Possibly L35 Kubota? And where to download Manual or Service Manual? #17  
Why does the hose need to be connected? I thought another member just said exactly the opposite..

Could you explain me? I am trying to understand how the hydraulics work.
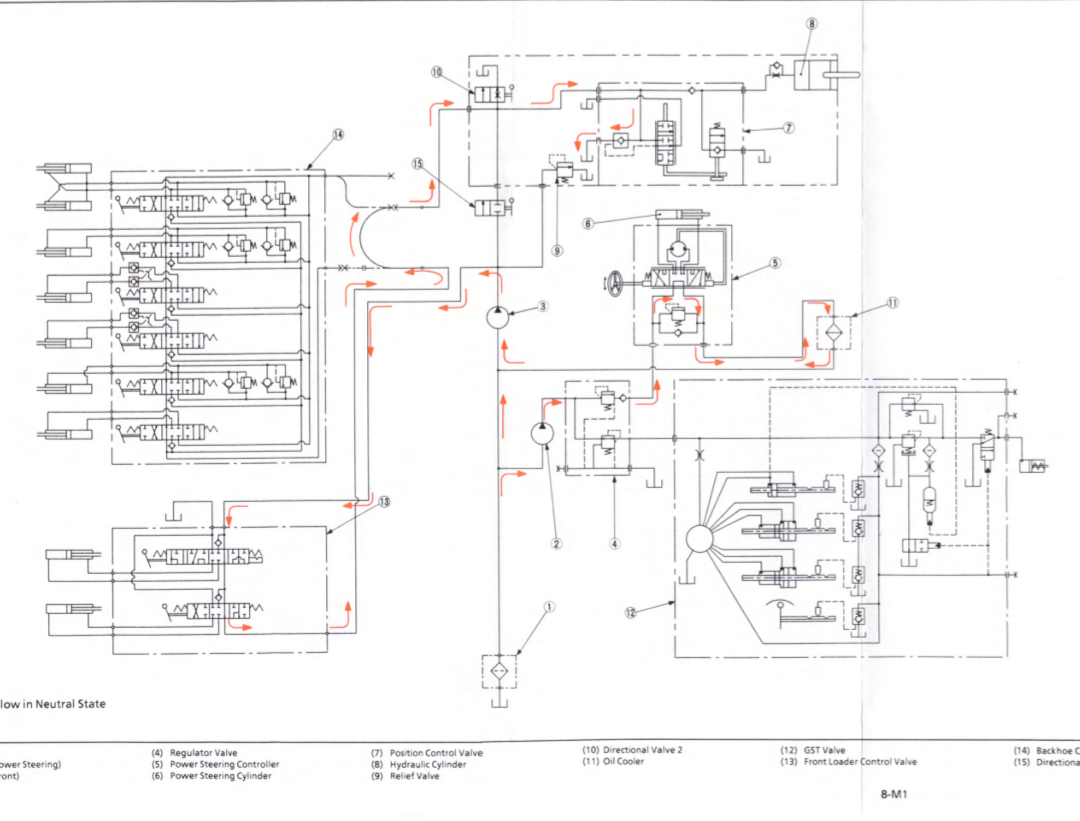
Most, if not all, Kubota tractors use what's called an open-center hydraulic system. Large equipment, including Kubota excavators, I think, use a different type system. The reason open-center systems are used is they are simpler and less expensive for small systems. There are some downsides, but they are manageable.

Here's a diagram of the entire L35 hydraulic system, with the backhoe installed. Pump 2 and the stuff on the right side are for the steering and transmission, so we'll ignore them. Pump 3 supplies the loader, backhoe and 3ph. The pumps are positive-displacement which means they try to supply a given flow rate, proportional to engine speed, regardless of the load or resistance to flow from their discharge. There are mechanical limits to the pump's strength, so a relief valve is used to limit the discharge pressure by relieving flow back to the tank. However, whenever the relief valve is discharging, power is wasted and heat is generated in the fluid.

So, in an open-center system the flow is allowed to flow unchecked through the lines and valves back to the tank. There is some power used and heat generated by the pressure drop in the hoses and valves, but it is minor. (This is the stated purpose of diverter valve 10. When shifted for backhoe use, it allows the fluid to flow directly back to the tank, bypassing the 3ph control valve. I think it also serves a safety purpose by preventing the operator from moving the 3 pt arms inadvertently while operating the backhoe.)

The valves are sort of diverters. When a valve is shifted, it diverts the flow to the desired cylinder. The flow from the cylinder is directed to the tank (for plain directional valves like on the backhoe, the loader valves both have special features). If a valve is held until the cylinder reaches the end of its travel, the fluid has nowhere to go and the relief valve opens to prevent overpressure.
Screenshot_20240513-183525-344.png
As to your question regarding the backhoe loop, the red arrow actually shows the flow bypassing the bh valve. When the bh is installed, that U would not be there and the flow would go through the bh valve. There are spring-loaded valves in each connector that prevent flow when the connectors are un-coupled, so you can see when that hose on your tractor is left dis-connected, the loop is broken and your relief valve will have to operate continuously.
 
   / Possibly L35 Kubota? And where to download Manual or Service Manual? #18  
If the hoses for the backhoe aren't connected when the backhoe is off, the power beyond circuit will be blocked and the pump will be dead-headed against the relief valve.

Also, no flow will be available for the 3ph.
When you take the backhoe off you switch the lever from backhoe to 3 point hitch and it changes the flow path. I can leave my backhoe on the tractor and switch the valve and the backhoe wont work but the 3 point hitch will..
 
   / Possibly L35 Kubota? And where to download Manual or Service Manual? #19  
The other post got long, so here's the lowdown on the diverter valve, item 10 on the diagram. (There's another diverter valve, 15, whose only function would be if you removed the loader, which is permanently mounted, so ???)
Screenshot_20240513-183317-896.png


This is a diagram out of the Op Manual showing how to use the diverter (directional) valve. You can see in the diagram in my previous post that if the valve is left in the backhoe position, the flow is diverted away from the 3ph valve so the 3ph can't raise.
 
   / Possibly L35 Kubota? And where to download Manual or Service Manual? #20  
When you take the backhoe off you switch the lever from backhoe to 3 point hitch and it changes the flow path. I can leave my backhoe on the tractor and switch the valve and the backhoe wont work but the 3 point hitch will..
If you leave the hoses connected, I think the backhoe will also work. But I'm not sure why you'd want to do that.
 

Tractor & Equipment Auctions

2004 Ferrara Apparatus Pumper Fire Truck (A55852)
2004 Ferrara...
Mini Jack Daniels Truck (A55853)
Mini Jack Daniels...
2016 Ford Explorer AWD SUV (A55853)
2016 Ford Explorer...
Adams 16T Tender Body (A55315)
Adams 16T Tender...
2014 VOLVO VNL (A55745)
2014 VOLVO VNL...
2011 New Holland B95B Cab MFWD Loader Backhoe (A55314)
2011 New Holland...
 
Top